DEFINOX
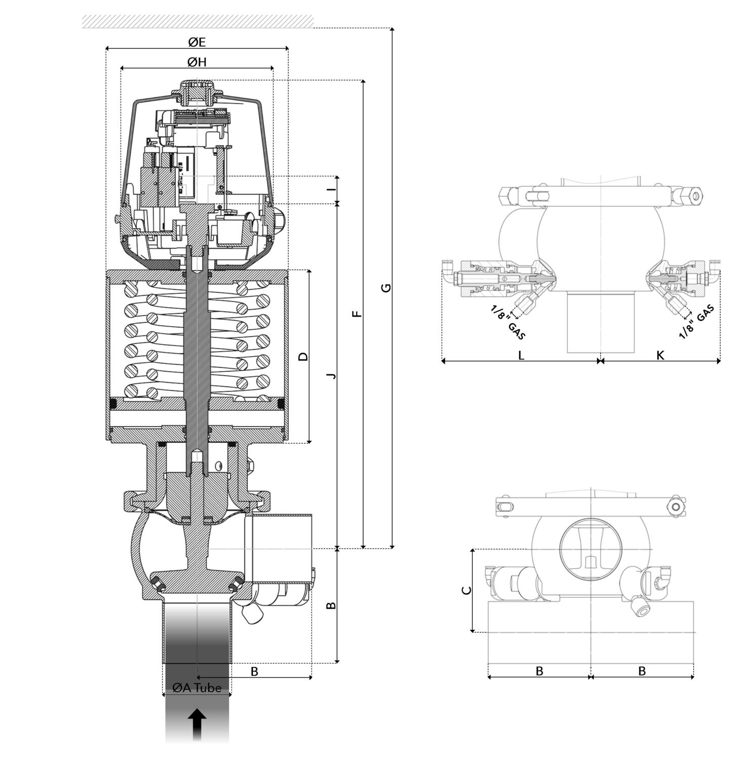
Definox NEOS Valve.
Meets the strongest requirements for process technology and is the ideal solution for food, brewery, cosmetics, and pharmaceutical processes. This seat valve design offers a wide range of options and variants.
NEOS double sealed valve, with leak detection and without elastomer seal, combines different technologies into a unique result to meet market demands in terms of cleaning, durability and sanitary applications.
The NEOS valve benefits from patented technology and meets the recommendations of EHEDG in its design. The valve is especially suitable for CIP "Cleaning In Place" since the valve does not use elastomeric gaskets in contact with the process fluid.
It is an economically attractive alternative to double seat valves as it provides a sufficient level of protection for product lines prior to pasteurization and supply networks (CIP - water flush), allowing frequent cleaning and use of aggressive products.
Â
Technical Advantages:
- From DN 25 to 104
- PTFE deformable sealing diaphragm- provides a physical barrier to the outside.
- Leak indicator NO and cleaning microvalve are controlled separetly unsing ACS control unit
- Spherical body with thick walls - ensures excellent resistance to expansion.
- Different body configurations possible - + T L
- single peice plug without threads or welds.
- Pneumatic actuator - removable and easily transformable NO-NC
- Supports overpressures under the plg with release to the leak chamber
- Leak indicator - instantaneous visualisation if any leaks
- Complete interchangability of subcomponents
Certificate | 3.1 EN10204 |
---|---|
Connection type | Weld ends |
Description | EHEDG Design |
Design norm | SMS |
Housing | L1-Body |
Housing | PFA |
Inner diameter | 22.6 mm |
Material controls | Stainless steel AISI 304 |
Material membrane | PTFE |
Material quality | 1.4404 |
Material seat seal | PFA |
---|---|
Operating pressure max | 8 bar |
Outer diameter | 25 mm |
Pilot pressure max | 7 bar |
Pilot pressure min | 5.5 bar |
Surface finish | RA<0,8/1,2µm |
Temperature range | -5°C/+140°C |
Weight | 4.5 kg |
Definox NEOS Valve.
Meets the strongest requirements for process technology and is the ideal solution for food, brewery, cosmetics, and pharmaceutical processes. This seat valve design offers a wide range of options and variants.
NEOS double sealed valve, with leak detection and without elastomer seal, combines different technologies into a unique result to meet market demands in terms of cleaning, durability and sanitary applications.
The NEOS valve benefits from patented technology and meets the recommendations of EHEDG in its design. The valve is especially suitable for CIP "Cleaning In Place" since the valve does not use elastomeric gaskets in contact with the process fluid.
It is an economically attractive alternative to double seat valves as it provides a sufficient level of protection for product lines prior to pasteurization and supply networks (CIP - water flush), allowing frequent cleaning and use of aggressive products.
Â
Technical Advantages:
- From DN 25 to 104
- PTFE deformable sealing diaphragm- provides a physical barrier to the outside.
- Leak indicator NO and cleaning microvalve are controlled separetly unsing ACS control unit
- Spherical body with thick walls - ensures excellent resistance to expansion.
- Different body configurations possible - + T L
- single peice plug without threads or welds.
- Pneumatic actuator - removable and easily transformable NO-NC
- Supports overpressures under the plg with release to the leak chamber
- Leak indicator - instantaneous visualisation if any leaks
- Complete interchangability of subcomponents
OEM Automatics water and wastewater application specialists have gathered all our solutions in one place. Our products are used in everything from small municipal water works to larger regional plants.
Whether you’re pumping water, chocolate, oil or peanut butter knowing the product’s viscosity is essential to selecting the right pump. Find out more about viscosity and which pump may be suitable for your application!
Whether you're looking to upgrade your current solution or secure a more robust float switch for your next project, Taurus delivers performance you can count on.
When choosing between a pressure switch and a pressure sensor, the key lies in understanding your application. Our Pressure Monitoring experts breaks down the two devices for you.
Pumps are now officially part of our product offering! As we build our pump portfolio, we’re proud to announce that we are an official distributor of SAMOA Industrial, a well-established name in the fluid handling industry.
OEM Automatic's barcode scanner experts have broken down barcode technology to help you choose the right scanner for your application!
|
|
|
|
|
||
---|---|---|---|---|---|---|
|
|
|
|
|
||
|
|
|
|
|
||
|
|
|
|
|
||
|
|
|
|
|
||
|
|
|
|
|
||
|
|
|
|
|
Parts | Design norm | Housing | Inner diameter | Outer diameter | Weight | Price | ||
---|---|---|---|---|---|---|---|---|
![]()
Seat valve NEOS, L1-body, NC pneumatic, 1", PFA
Art:
DE-WS025A17100
Copied
|
SMS
|
L1-Body
|
22.6 mm
|
25 mm
|
4.5 kg
|
| ||
![]()
Seat valve NEOS, T1-body, NC pneumatic, 1", PFA
Art:
DE-WS025A27100
Copied
|
SMS
|
T1-body
|
22.6 mm
|
25 mm
|
4.5 kg
|
| ||
![]()
Seat valve NEOS, X1-body, NC pneumatic, 1", PFA
Art:
DE-WS025A37100
Copied
|
SMS
|
X1-Body
|
22.6 mm
|
25 mm
|
4.5 kg
|
| ||
![]()
Seat valve NEOS, L2-body, NC pneumatic, 1", PFA
Art:
DE-WS025A47100
Copied
|
SMS
|
L2-Body
|
22.6 mm
|
25 mm
|
4.5 kg
|
| ||
![]()
Seat valve NEOS, T2-body, NC pneumatic, 1", PFA
Art:
DE-WS025A57100
Copied
|
SMS
|
T2-Body
|
22.6 mm
|
25 mm
|
4.5 kg
|
| ||
![]()
Seat valve NEOS, X2-body, NC pneumatic, 1", PFA
Art:
DE-WS025A67100
Copied
|
SMS
|
X2-Body
|
22.6 mm
|
25 mm
|
4.5 kg
|
| ||
![]()
Seat valve NEOS, L1-body, NC pneumatic, 1½", PFA
Art:
DE-WS038A17100
Copied
|
SMS
|
L1-Body
|
35.6 mm
|
38 mm
|
4.6 kg
|
| ||
![]()
Seat valve NEOS, T1-body, NC pneumatic, 1½", PFA
Art:
DE-WS038A27100
Copied
|
SMS
|
T1-body
|
35.6 mm
|
38 mm
|
4.6 kg
|
| ||
![]()
Seat valve NEOS, X1-body, NC pneumatic, 1½", PFA
Art:
DE-WS038A37100
Copied
|
SMS
|
X1-Body
|
35.6 mm
|
38 mm
|
4.6 kg
|
| ||
![]()
Seat valve NEOS, L2-body, NC pneumatic, 1½", PFA
Art:
DE-WS038A47100
Copied
|
SMS
|
L2-Body
|
35.6 mm
|
38 mm
|
4.6 kg
|
| ||
![]()
Seat valve NEOS, T2-body, NC pneumatic, 1½", PFA
Art:
DE-WS038A57100
Copied
|
SMS
|
T2-Body
|
35.6 mm
|
38 mm
|
4.6 kg
|
| ||
![]()
Seat valve NEOS, X2-body, NC pneumatic, 1½", PFA
Art:
DE-WS038A67100
Copied
|
SMS
|
X2-Body
|
35.6 mm
|
38 mm
|
4.6 kg
|
| ||
![]()
Seat valve NEOS, L1-body, NC pneumatic, 2", PFA
Art:
DE-WS051A17100
Copied
|
SMS
|
L1-Body
|
48.5 mm
|
51 mm
|
7.7 kg
|
| ||
![]()
Seat valve NEOS, T1-body, NC pneumatic, 2", PFA
Art:
DE-WS051A27100
Copied
|
SMS
|
T1-body
|
48.5 mm
|
51 mm
|
7.7 kg
|
| ||
![]()
Seat valve NEOS, X1-body, NC pneumatic, 2", PFA
Art:
DE-WS051A37100
Copied
|
SMS
|
L1-Body
|
48.5 mm
|
51 mm
|
7.7 kg
|
| ||
![]()
Seat valve NEOS, L2-body, NC pneumatic, 2", PFA
Art:
DE-WS051A47100
Copied
|
SMS
|
L2-Body
|
48.5 mm
|
51 mm
|
7.7 kg
|
| ||
![]()
Seat valve NEOS, T2-body, NC pneumatic, 2", PFA
Art:
DE-WS051A57100
Copied
|
SMS
|
T2-Body
|
48.5 mm
|
51 mm
|
7.7 kg
|
| ||
![]()
Seat valve NEOS, X2-body, NC pneumatic, 2", PFA
Art:
DE-WS051A67100
Copied
|
SMS
|
X2-Body
|
48.5 mm
|
51 mm
|
7.7 kg
|
| ||
![]()
Seat valve NEOS, L1-body, NC pneumatic, 2½", PFA
Art:
DE-WS063A17100
Copied
|
SMS
|
L1-Body
|
60.3 mm
|
63.5 mm
|
17.7 kg
|
| ||
![]()
Seat valve NEOS, T1-body, NC pneumatic, 2½", PFA
Art:
DE-WS063A27100
Copied
|
SMS
|
T1-body
|
60.3 mm
|
63.5 mm
|
17.7 kg
|
| ||
![]()
Seat valve NEOS, X1-body, NC pneumatic, 2½", PFA
Art:
DE-WS063A37100
Copied
|
SMS
|
X1-Body
|
60.3 mm
|
63.5 mm
|
17.7 kg
|
| ||
![]()
Seat valve NEOS, L2-body, NC pneumatic, 2½", PFA
Art:
DE-WS063A47100
Copied
|
SMS
|
L2-Body
|
60.3 mm
|
63.5 mm
|
17.7 kg
|
| ||
![]()
Seat valve NEOS, T2-body, NC pneumatic, 2½", PFA
Art:
DE-WS063A57100
Copied
|
SMS
|
T2-Body
|
60.3 mm
|
63.5 mm
|
17.7 kg
|
| ||
![]()
Seat valve NEOS, X2-body, NC pneumatic, 2½", PFA
Art:
DE-WS063A67100
Copied
|
SMS
|
X2-Body
|
60.3 mm
|
63.5 mm
|
17.7 kg
|
| ||
![]()
Seat valve NEOS, L1-body, NC pneumatic, 3", PFA
Art:
DE-WS076A17100
Copied
|
SMS
|
L1-Body
|
72.9 mm
|
76.1 mm
|
17.8 kg
|
| ||
![]()
Seat valve NEOS, T1-body, NC pneumatic, 3", PFA
Art:
DE-WS076A27100
Copied
|
SMS
|
T1-body
|
72.9 mm
|
76.1 mm
|
17.8 kg
|
| ||
![]()
Seat valve NEOS, X1-body, NC pneumatic, 3", PFA
Art:
DE-WS076A37100
Copied
|
SMS
|
X1-Body
|
72.9 mm
|
76.1 mm
|
17.8 kg
|
| ||
![]()
Seat valve NEOS, L2-body, NC pneumatic, 3", PFA
Art:
DE-WS076A47100
Copied
|
SMS
|
L2-Body
|
72.9 mm
|
76.1 mm
|
17.8 kg
|
| ||
![]()
Seat valve NEOS, T2-body, NC pneumatic, 3", PFA
Art:
DE-WS076A57100
Copied
|
SMS
|
T2-Body
|
72.9 mm
|
76.1 mm
|
17.8 kg
|
| ||
![]()
Seat valve NEOS, X2-body, NC pneumatic, 3", PFA
Art:
DE-WS076A67100
Copied
|
SMS
|
X2-Body
|
72.9 mm
|
76.1 mm
|
17.8 kg
|
| ||
![]()
Seat valve NEOS, L1-body, NC pneumatic, 4", PFA
Art:
DE-WU101A17100
Copied
|
SMS
|
L1-Body
|
97.4 mm
|
10.6 mm
|
38 kg
|
| ||
![]()
Seat valve NEOS, T1-body, NC pneumatic, 4", PFA
Art:
DE-WU101A27100
Copied
|
SMS
|
T1-body
|
97.4 mm
|
10.6 mm
|
38 kg
|
| ||
![]()
Seat valve NEOS, L1-body, NC pneumatic, 4"/104, PFA
Art:
DE-WS104A17100
Copied
|
SMS
|
L1-Body
|
100 mm
|
104 mm
|
38 kg
|
| ||
![]()
Seat valve NEOS, T1-body, NC pneumatic, 4"/104, PFA
Art:
DE-WS104A27100
Copied
|
SMS
|
T1-body
|
100 mm
|
104 mm
|
38 kg
|
| ||
![]()
Seat valve NEOS, X1-body, NC pneumatic, 4"/104, PFA
Art:
DE-WS104A37100
Copied
|
SMS
|
X1-Body
|
100 mm
|
104 mm
|
38 kg
|
| ||
![]()
Seat valve NEOS, L2-body, NC pneumatic, 4"/104, PFA
Art:
DE-WS104A47100
Copied
|
SMS
|
L2-Body
|
100 mm
|
104 mm
|
38 kg
|
| ||
![]()
Seat valve NEOS, T2-body, NC pneumatic, 4"/104, PFA
Art:
DE-WS104A57100
Copied
|
SMS
|
T2-Body
|
100 mm
|
104 mm
|
38 kg
|
| ||
![]()
Seat valve NEOS, X2-body, NC pneumatic, 4"/104, PFA
Art:
DE-WS104A67100
Copied
|
SMS
|
X2-Body
|
100 mm
|
104 mm
|
38 kg
|
| ||
![]()
Seat valve NEOS, L1-body, NC pneumatic, DN25, PFA
Art:
DE-WD025A17100
Copied
|
DIN
|
L1-Body
|
26 mm
|
29 mm
|
4.5 kg
|
| ||
![]()
Seat valve NEOS, T1-body, NC pneumatic, DN25, PFA
Art:
DE-WD025A27100
Copied
|
DIN
|
T1-body
|
26 mm
|
29 mm
|
4.5 kg
|
| ||
![]()
Seat valve NEOS, X1-body, NC pneumatic, DN25, PFA
Art:
DE-WD025A37100
Copied
|
DIN
|
X1-Body
|
26 mm
|
29 mm
|
4.5 kg
|
| ||
![]()
Seat valve NEOS, L2-body, NC pneumatic, DN25, PFA
Art:
DE-WD025A47100
Copied
|
DIN
|
L2-Body
|
26 mm
|
29 mm
|
4.5 kg
|
| ||
![]()
Seat valve NEOS, T2-body, NC pneumatic, DN25, PFA
Art:
DE-WD025A57100
Copied
|
DIN
|
T2-Body
|
26 mm
|
29 mm
|
4.5 kg
|
| ||
![]()
Seat valve NEOS, X2-body, NC pneumatic, DN25, PFA
Art:
DE-WD025A67100
Copied
|
DIN
|
X2-Body
|
26 mm
|
29 mm
|
4.5 kg
|
| ||
![]()
Seat valve NEOS, L1-body, NC pneumatic, DN40, PFA
Art:
DE-WD040A17100
Copied
|
DIN
|
L1-Body
|
38 mm
|
41 mm
|
4.5 kg
|
| ||
![]()
Seat valve NEOS, T1-body, NC pneumatic, DN40, PFA
Art:
DE-WD040A27100
Copied
|
DIN
|
T1-body
|
38 mm
|
41 mm
|
4.5 kg
|
| ||
![]()
Seat valve NEOS, X1-body, NC pneumatic, DN40, PFA
Art:
DE-WD040A37100
Copied
|
DIN
|
X1-Body
|
38 mm
|
41 mm
|
4.5 kg
|
| ||
![]()
Seat valve NEOS, L2-body, NC pneumatic, DN40, PFA
Art:
DE-WD040A47100
Copied
|
DIN
|
L2-Body
|
38 mm
|
41 mm
|
4.5 kg
|
| ||
![]()
Seat valve NEOS, T2-body, NC pneumatic, DN40, PFA
Art:
DE-WD040A57100
Copied
|
DIN
|
T2-Body
|
38 mm
|
41 mm
|
4.5 kg
|
| ||
![]()
Seat valve NEOS, X2-body, NC pneumatic, DN40, PFA
Art:
DE-WD040A67100
Copied
|
DIN
|
X2-Body
|
38 mm
|
41 mm
|
4.5 kg
|
| ||
![]()
Seat valve NEOS, L1-body, NC pneumatic, DN50, PFA
Art:
DE-WD050A17100
Copied
|
DIN
|
L1-Body
|
50 mm
|
53 mm
|
8 kg
|
| ||
![]()
Seat valve NEOS, T1-body, NC pneumatic, DN50, PFA
Art:
DE-WD050A27100
Copied
|
DIN
|
T1-body
|
50 mm
|
53 mm
|
8 kg
|
| ||
![]()
Seat valve NEOS, X1-body, NC pneumatic, DN50 PFA
Art:
DE-WD050A37100
Copied
|
DIN
|
X1-Body
|
50 mm
|
53 mm
|
8 kg
|
| ||
![]()
Seat valve NEOS, L2-body, NC pneumatic, DN50, PFA
Art:
DE-WD050A47100
Copied
|
DIN
|
L2-Body
|
50 mm
|
53 mm
|
8 kg
|
| ||
![]()
Seat valve NEOS, T2-body, NC pneumatic, DN50, PFA
Art:
DE-WD050A57100
Copied
|
DIN
|
T2-Body
|
50 mm
|
53 mm
|
8 kg
|
| ||
![]()
Seat valve NEOS, X2-body, NC pneumatic, DN50, PFA
Art:
DE-WD050A67100
Copied
|
DIN
|
X2-Body
|
50 mm
|
53 mm
|
8 kg
|
| ||
![]()
Seat valve NEOS, L1-body, NC pneumatic, DN65, PFA
Art:
DE-WD065A17100
Copied
|
DIN
|
L1-Body
|
66 mm
|
70 mm
|
17 kg
|
| ||
![]()
Seat valve NEOS, T1-body, NC pneumatic, DN65, PFA
Art:
DE-WD065A27100
Copied
|
DIN
|
T1-body
|
66 mm
|
70 mm
|
17 kg
|
| ||
![]()
Seat valve NEOS, X1-body, NC pneumatic, DN65, PFA
Art:
DE-WD065A37100
Copied
|
DIN
|
X1-Body
|
66 mm
|
70 mm
|
17 kg
|
| ||
![]()
Seat valve NEOS, L2-body, NC pneumatic, DN65, PFA
Art:
DE-WD065A47100
Copied
|
DIN
|
L2-Body
|
66 mm
|
70 mm
|
17 kg
|
| ||
![]()
Seat valve NEOS, T2-body, NC pneumatic, DN65, PFA
Art:
DE-WD065A57100
Copied
|
DIN
|
T2-Body
|
66 mm
|
70 mm
|
17 kg
|
| ||
![]()
Seat valve NEOS, X2-body, NC pneumatic, DN65, PFA
Art:
DE-WD065A67100
Copied
|
DIN
|
X2-Body
|
66 mm
|
70 mm
|
17 kg
|
| ||
![]()
Seat valve NEOS, L1-body, NC pneumatic, DN80, PFA
Art:
DE-WD080A17100
Copied
|
DIN
|
L1-Body
|
81 mm
|
85 mm
|
18 kg
|
| ||
![]()
Seat valve NEOS, T1-body, NC pneumatic, DN80, PFA
Art:
DE-WD080A27100
Copied
|
DIN
|
T1-body
|
81 mm
|
85 mm
|
18 kg
|
| ||
![]()
Seat valve NEOS, X1-body, NC pneumatic, DN80, PFA
Art:
DE-WD080A37100
Copied
|
DIN
|
X1-Body
|
81 mm
|
85 mm
|
18 kg
|
| ||
![]()
Seat valve NEOS, L2-body, NC pneumatic, DN80, PFA
Art:
DE-WD080A47100
Copied
|
DIN
|
L2-Body
|
81 mm
|
85 mm
|
18 kg
|
| ||
![]()
Seat valve NEOS, T2-body, NC pneumatic, DN80, PFA
Art:
DE-WD080A57100
Copied
|
DIN
|
T2-Body
|
81 mm
|
85 mm
|
18 kg
|
| ||
![]()
Seat valve NEOS, X2-body, NC pneumatic, DN80, PFA
Art:
DE-WD080A67100
Copied
|
DIN
|
X2-Body
|
81 mm
|
85 mm
|
18 kg
|
| ||
![]()
Seat valve NEOS, L1-body, NC pneumatic, DN100, PFA
Art:
DE-WD100A17100
Copied
|
DIN
|
L1-Body
|
100 mm
|
104 mm
|
32 kg
|
| ||
![]()
Seat valve NEOS, T1-body, NC pneumatic, DN100, PFA
Art:
DE-WD100A27100
Copied
|
DIN
|
T1-body
|
100 mm
|
104 mm
|
32 kg
|
| ||
![]()
Seat valve NEOS, X1-body, NC pneumatic, DN100, PFA
Art:
DE-WD100A37100
Copied
|
DIN
|
X1-Body
|
100 mm
|
104 mm
|
32 kg
|
| ||
![]()
Seat valve NEOS, L2-body, NC pneumatic, DN100, PFA
Art:
DE-WD100A47100
Copied
|
DIN
|
L2-Body
|
100 mm
|
104 mm
|
32 kg
|
| ||
![]()
Seat valve NEOS, T2-body, NC pneumatic, DN100, PFA
Art:
DE-WD100A57100
Copied
|
DIN
|
T2-Body
|
100 mm
|
104 mm
|
32 kg
|
| ||
![]()
Seat valve NEOS, X2-body, NC pneumatic, DN100, PFA
Art:
DE-WD100A67100
Copied
|
DIN
|
X2-Body
|
100 mm
|
104 mm
|
32 kg
|
|
Select a variant in the list