DEFINOX
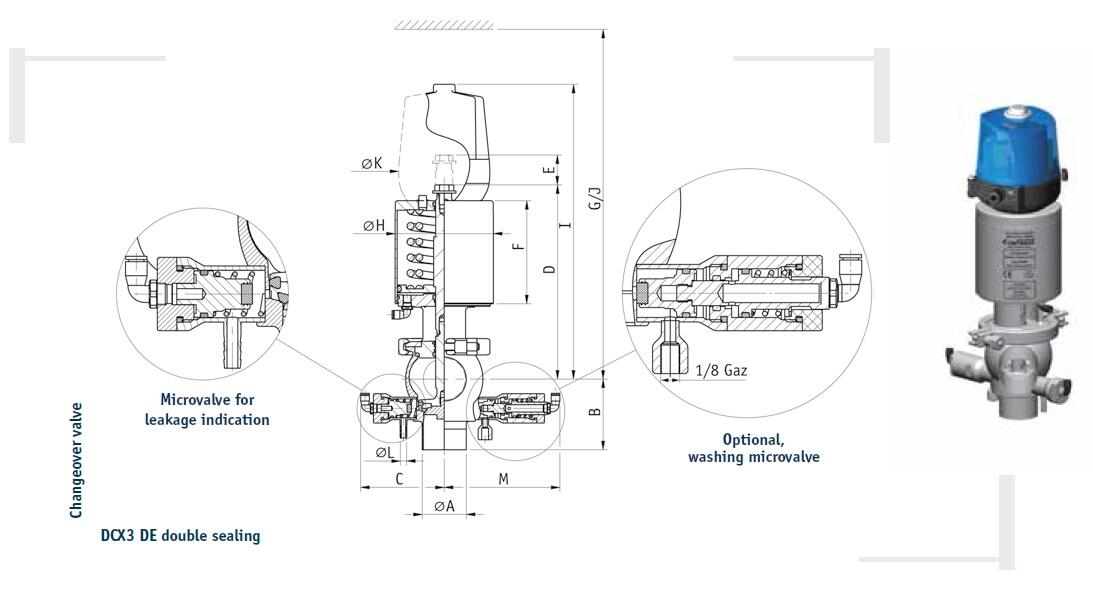
Definox DCX3DE leak-proof valve
The DCXDE is a double sealing changeover valve which performs the same usual functions of a standard DCX3. It also enables a potential leak to be detected between the two isolated zones due to the chamber connected to the atomsphere. This is an alternative to mixproof leak chamber valves.
This leak-proof valve meets the strongest requirements for process technology and is the ideal solution for Food, Brewery, Cosmetics, and Pharmaceutical Processes. The seat valve design offers a wide range of options and variants.
Technical advantages:
· From DN 51 to DN 104
· PFA liquid seal, perfectly washable, ensures perfect leak tightness at high temperature and good resistance to chemical products
· Spherical body with thick walls ensures excellent resistance to expansion
· Different body configurations possible: + TL / LT / L
· Numerous connections possible: SMS - DIN - Clamp
· The plug can be supplied with an elastomer seal. This solution is reccomended for applications with charged liquids.
· Pneumatic actuator- removable and easily adjustable: NO-NC-Double effect
· Independent double valve system
· Leak indicator, for leakage between gaskets
· Able to absorb excess pressure under the plug
· The valve body is machine-made in a piece of solid steel that ensures excellent resistance to mechanical and thermal damage
· Quick installation and removal
· Possible use on a wide range of applications
· Complete interchangeability of sub-components
· Easy and fast maintenance thanks to the clamp assembly.
| Certificate | 3.1 EN10204 |
|---|---|
| Connection type | Weld ends |
| Description | EHEDG design |
| Design norm | SMS |
| Housing | L1-body |
| Inner diameter | 48.5 mm |
| Material controls | Stainless steel AISI 304 |
| Material quality | 1.4404 |
| Material seat seal | EPDM |
| Operating pressure max | 8 bar |
|---|---|
| Outer diameter | 51 mm |
| Pilot pressure max | 7 bar |
| Pilot pressure min | 5.5 bar |
| Surface finish | RA<0,8/1,2µm |
| Temperature range | -5°C/+140°C |
| Weight | 7.7 kg |
Definox DCX3DE leak-proof valve
The DCXDE is a double sealing changeover valve which performs the same usual functions of a standard DCX3. It also enables a potential leak to be detected between the two isolated zones due to the chamber connected to the atomsphere. This is an alternative to mixproof leak chamber valves.
This leak-proof valve meets the strongest requirements for process technology and is the ideal solution for Food, Brewery, Cosmetics, and Pharmaceutical Processes. The seat valve design offers a wide range of options and variants.
Technical advantages:
· From DN 51 to DN 104
· PFA liquid seal, perfectly washable, ensures perfect leak tightness at high temperature and good resistance to chemical products
· Spherical body with thick walls ensures excellent resistance to expansion
· Different body configurations possible: + TL / LT / L
· Numerous connections possible: SMS - DIN - Clamp
· The plug can be supplied with an elastomer seal. This solution is reccomended for applications with charged liquids.
· Pneumatic actuator- removable and easily adjustable: NO-NC-Double effect
· Independent double valve system
· Leak indicator, for leakage between gaskets
· Able to absorb excess pressure under the plug
· The valve body is machine-made in a piece of solid steel that ensures excellent resistance to mechanical and thermal damage
· Quick installation and removal
· Possible use on a wide range of applications
· Complete interchangeability of sub-components
· Easy and fast maintenance thanks to the clamp assembly.
A hydrostatic level probe measures liquid level indirectly, by sensing pressure at a known depth. When the application is suitable and the installation is done properly, hydrostatic level probes offer several clear benefits.
OEM Automatics water and wastewater application specialists have gathered all our solutions in one place. Our products are used in everything from small municipal water works to larger regional plants.
Whether you’re pumping water, chocolate, oil or peanut butter knowing the product’s viscosity is essential to selecting the right pump. Find out more about viscosity and which pump may be suitable for your application!
Whether you're looking to upgrade your current solution or secure a more robust float switch for your next project, Taurus delivers performance you can count on.
When choosing between a pressure switch and a pressure sensor, the key lies in understanding your application. Our Pressure Monitoring experts breaks down the two devices for you.
Pumps are now officially part of our product offering! As we build our pump portfolio, we’re proud to announce that we are an official distributor of SAMOA Industrial, a well-established name in the fluid handling industry.
|
|
|
|
|
|
||
|---|---|---|---|---|---|---|
|
|
|
|
|
|
||
|
|
|
|
|
|
||
|
|
|
|
|
|
||
|
|
|
|
|
|
||
|
|
|
|
|
|
||
|
|
|
|
|
|
| Parts | Design norm | Housing | Inner diameter | Material seat seal | Outer diameter | Weight | Price | ||
|---|---|---|---|---|---|---|---|---|---|
|
Seat valve DCX3 DE, L1-body, NC 2" EPDM
Art:
DE-DS051A14100
Copied
|
SMS
|
L1-body
|
48.5 mm
|
EPDM
|
51 mm
|
7.7 kg
|
|
||
|
Seat valve DCX3 DE, T1-body, NC 2" EPDM
Art:
DE-DS051A24100
Copied
|
SMS
|
T1-body
|
48.5 mm
|
EPDM
|
51 mm
|
7.7 kg
|
|
||
|
Seat valve DCX3 DE, X1-body, NC 2" EPDM
Art:
DE-DS051A34100
Copied
|
SMS
|
X1-body
|
48.5 mm
|
EPDM
|
51 mm
|
7.7 kg
|
|
||
|
Seat valve DCX3 DE, L2-body, NC 2" EPDM
Art:
DE-DS051A44100
Copied
|
SMS
|
L2-body
|
48.5 mm
|
EPDM
|
51 mm
|
7.7 kg
|
|
||
|
Seat valve DCX3 DE, T2-body, NC 2" EPDM
Art:
DE-DS051A54100
Copied
|
SMS
|
T2-body
|
48.5 mm
|
EPDM
|
51 mm
|
7.7 kg
|
|
||
|
Seat valve DCX3 DE, X2-body, NC 2" EPDM
Art:
DE-DS051A64100
Copied
|
SMS
|
X2-body
|
48.5 mm
|
EPDM
|
51 mm
|
7.7 kg
|
|
||
|
Seat valve DCX3 DE, L1-body, NC DN50 EPDM
Art:
DE-DD050A14100
Copied
|
DIN
|
L1-body
|
50 mm
|
EPDM
|
53 mm
|
7.7 kg
|
|
||
|
Seat valve DCX3 DE, T1-body, NC DN50 EPDM
Art:
DE-DD050A24100
Copied
|
DIN
|
T1-body
|
50 mm
|
EPDM
|
53 mm
|
7.7 kg
|
|
||
|
Seat valve DCX3 DE, X1-body, NC DN50 EPDM
Art:
DE-DD050A34100
Copied
|
DIN
|
X1-body
|
50 mm
|
EPDM
|
53 mm
|
7.7 kg
|
|
||
|
Seat valve DCX3 DE, L2-body, NC DN50 EPDM
Art:
DE-DD050A44100
Copied
|
DIN
|
L2-body
|
50 mm
|
EPDM
|
53 mm
|
7.7 kg
|
|
||
|
Seat valve DCX3 DE, T2-body, NC DN50 EPDM
Art:
DE-DD050A54100
Copied
|
DIN
|
T2-body
|
50 mm
|
EPDM
|
53 mm
|
7.7 kg
|
|
||
|
Seat valve DCX3 DE, X2-body, NC DN50 EPDM
Art:
DE-DD050A64100
Copied
|
DIN
|
X2-body
|
50 mm
|
EPDM
|
53 mm
|
7.7 kg
|
|
||
|
Seat valve DCX3 DE, L1-body, NC 2½" EPDM
Art:
DE-DS063A14100
Copied
|
SMS
|
L1-body
|
60.3 mm
|
EPDM
|
63.5 mm
|
17 kg
|
|
||
|
Seat valve DCX3 DE, T1-body, NC 2½" EPDM
Art:
DE-DS063A24100
Copied
|
SMS
|
T1-body
|
60.3 mm
|
EPDM
|
63.5 mm
|
17 kg
|
|
||
|
Seat valve DCX3 DE, X1-body, NC 2½" EPDM
Art:
DE-DS063A34100
Copied
|
SMS
|
X1-body
|
60.3 mm
|
EPDM
|
63.5 mm
|
17 kg
|
|
||
|
Seat valve DCX3 DE, L2-body, NC 2½" EPDM
Art:
DE-DS063A44100
Copied
|
SMS
|
L2-body
|
60.3 mm
|
EPDM
|
63.5 mm
|
17 kg
|
|
||
|
Seat valve DCX3 DE, T2-body, NC 2½" EPDM
Art:
DE-DS063A54100
Copied
|
SMS
|
T2-body
|
60.3 mm
|
EPDM
|
63.5 mm
|
17 kg
|
|
||
|
Seat valve DCX3 DE, X2-body, NC 2½" EPDM
Art:
DE-DS063A64100
Copied
|
SMS
|
X1-body
|
60.3 mm
|
EPDM
|
63.5 mm
|
17 kg
|
|
||
|
Seat valve DCX3 DE, L1-body, NC DN65 EPDM
Art:
DE-DD065A14100
Copied
|
DIN
|
L1-body
|
66 mm
|
EPDM
|
70 mm
|
17.5 kg
|
|
||
|
Seat valve DCX3 DE, T1-body, NC DN65 EPDM
Art:
DE-DD065A24100
Copied
|
DIN
|
T1-body
|
66 mm
|
EPDM
|
70 mm
|
17.5 kg
|
|
||
|
Seat valve DCX3 DE, X1-body, NC DN65 EPDM
Art:
DE-DD065A34100
Copied
|
DIN
|
X1-body
|
66 mm
|
EPDM
|
70 mm
|
17.5 kg
|
|
||
|
Seat valve DCX3 DE, L2-body, NC DN65 EPDM
Art:
DE-DD065A44100
Copied
|
DIN
|
L2-body
|
66 mm
|
EPDM
|
70 mm
|
17.5 kg
|
|
||
|
Seat valve DCX3 DE, T2-body, NC DN65 EPDM
Art:
DE-DD065A54100
Copied
|
DIN
|
T2-body
|
66 mm
|
EPDM
|
70 mm
|
17.5 kg
|
|
||
|
Seat valve DCX3 DE, X2-body, NC DN65 EPDM
Art:
DE-DD065A64100
Copied
|
DIN
|
X2-body
|
66 mm
|
EPDM
|
70 mm
|
17.5 kg
|
|
||
|
Seat valve DCX3 DE, L1-body, NC 3" EPDM
Art:
DE-DS076A14100
Copied
|
SMS
|
L1-body
|
72 mm
|
EPDM
|
76 mm
|
17.5 kg
|
|
||
|
Seat valve DCX3 DE, T1-body, NC 3" EPDM
Art:
DE-DS076A24100
Copied
|
SMS
|
T1-body
|
72 mm
|
EPDM
|
76 mm
|
17.5 kg
|
|
||
|
Seat valve DCX3 DE, X1-body, NC 3" EPDM
Art:
DE-DS076A34100
Copied
|
SMS
|
X1-body
|
72 mm
|
EPDM
|
76 mm
|
17.5 kg
|
|
||
|
Seat valve DCX3 DE, L2-body, NC 3" EPDM
Art:
DE-DS076A44100
Copied
|
SMS
|
L2-body
|
72 mm
|
EPDM
|
76 mm
|
17.5 kg
|
|
||
|
Seat valve DCX3 DE, T2-body, NC 3" EPDM
Art:
DE-DS076A54100
Copied
|
SMS
|
T2-body
|
72 mm
|
EPDM
|
76 mm
|
17.5 kg
|
|
||
|
Seat valve DCX3 DE, X2-body, NC 3" EPDM
Art:
DE-DS076A64100
Copied
|
SMS
|
X2-body
|
72 mm
|
EPDM
|
76 mm
|
17.5 kg
|
|
||
|
Seat valve DCX3 DE, L1-body, NC DN80 EPDM
Art:
DE-DD080A14100
Copied
|
DIN
|
L1-body
|
81 mm
|
EPDM
|
85 mm
|
18 kg
|
|
||
|
Seat valve DCX3 DE, T1-body, NC DN80 EPDM
Art:
DE-DD080A24100
Copied
|
DIN
|
T1-body
|
81 mm
|
EPDM
|
85 mm
|
18 kg
|
|
||
|
Seat valve DCX3 DE, X1-body, NC DN80 EPDM
Art:
DE-DD080A34100
Copied
|
DIN
|
X1-body
|
81 mm
|
EPDM
|
85 mm
|
18 kg
|
|
||
|
Seat valve DCX3 DE, L2-body, NC DN80 EPDM
Art:
DE-DD080A44100
Copied
|
DIN
|
L2-body
|
81 mm
|
EPDM
|
85 mm
|
18 kg
|
|
||
|
Seat valve DCX3 DE, T2-body, NC DN80 EPDM
Art:
DE-DD080A54100
Copied
|
DIN
|
T2-body
|
81 mm
|
EPDM
|
85 mm
|
18 kg
|
|
||
|
Seat valve DCX3 DE, X2-body, NC DN80 EPDM
Art:
DE-DD080A64100
Copied
|
DIN
|
X2-body
|
81 mm
|
EPDM
|
85 mm
|
18 kg
|
|
||
|
Seat valve DCX3 DE, L1-body, NC 4" EPDM
Art:
DE-DU101A14100
Copied
|
SMS
|
L1-body
|
97.4 mm
|
EPDM
|
101.6 mm
|
37 kg
|
|
||
|
Seat valve DCX3 DE, T1-body, NC 4" EPDM
Art:
DE-DU101A24100
Copied
|
SMS
|
T1-body
|
97.4 mm
|
EPDM
|
101.6 mm
|
37 kg
|
|
||
|
Seat valve DCX3 DE, X1-body, NC 4" EPDM
Art:
DE-DU101A34100
Copied
|
SMS
|
X1-body
|
97.4 mm
|
EPDM
|
101.6 mm
|
37 kg
|
|
||
|
Seat valve DCX3 DE, L2-body, NC 4" EPDM
Art:
DE-DU101A44100
Copied
|
SMS
|
L2-body
|
97.4 mm
|
EPDM
|
101.6 mm
|
37 kg
|
|
||
|
Seat valve DCX3 DE, T2-body, NC 4" EPDM
Art:
DE-DU101A54100
Copied
|
SMS
|
T2-body
|
97.4 mm
|
EPDM
|
101.6 mm
|
37 kg
|
|
||
|
Seat valve DCX3 DE, X2-body, NC 4" EPDM
Art:
DE-DU101A64100
Copied
|
SMS
|
X2-body
|
97.4 mm
|
EPDM
|
101.6 mm
|
37 kg
|
|
||
|
Seat valve DCX3 DE, L1-body, NC DN100 EPDM
Art:
DE-DD100A14100
Copied
|
DIN
|
L1-body
|
100 mm
|
EPDM
|
104 mm
|
37 kg
|
|
||
|
Seat valve DCX3 DE, T1-body, NC DN100 EPDM
Art:
DE-DD100A24100
Copied
|
DIN
|
T1-body
|
100 mm
|
EPDM
|
104 mm
|
37 kg
|
|
||
|
Seat valve DCX3 DE, X1-body, NC DN100 EPDM
Art:
DE-DD100A34100
Copied
|
DIN
|
X1-body
|
100 mm
|
EPDM
|
104 mm
|
37 kg
|
|
||
|
Seat valve DCX3 DE, L2-body, NC DN100 EPDM
Art:
DE-DD100A44100
Copied
|
DIN
|
L2-body
|
100 mm
|
EPDM
|
104 mm
|
37 kg
|
|
||
|
Seat valve DCX3 DE, T2-body, NC DN100 EPDM
Art:
DE-DD100A54100
Copied
|
DIN
|
T2-body
|
100 mm
|
EPDM
|
104 mm
|
37 kg
|
|
||
|
Seat valve DCX3 DE, X2-body, NC DN100 EPDM
Art:
DE-DD100A64100
Copied
|
DIN
|
X2-body
|
100 mm
|
EPDM
|
104 mm
|
37 kg
|
|
||
|
Seat valve DCX3 DE, L1-body, NC 4" FKM
Art:
DE-DU101A15100
Copied
|
SMS
|
L1-body
|
97.4 mm
|
FKM
|
101.6 mm
|
37 kg
|
|
||
|
Seat valve DCX3 DE, T1-body, NC 4" FKM
Art:
DE-DU101A25100
Copied
|
SMS
|
T1-body
|
97.4 mm
|
FKM
|
101.6 mm
|
37 kg
|
|
||
|
Seat valve DCX3 DE, X1-body, NC 4" FKM
Art:
DE-DU101A35100
Copied
|
SMS
|
X1-body
|
97.4 mm
|
FKM
|
101.6 mm
|
37 kg
|
|
||
|
Seat valve DCX3 DE, L2-body, NC 4" FKM
Art:
DE-DU101A45100
Copied
|
SMS
|
L2-body
|
97.4 mm
|
FKM
|
101.6 mm
|
37 kg
|
|
||
|
Seat valve DCX3 DE, T2-body, NC 4" FKM
Art:
DE-DU101A55100
Copied
|
SMS
|
T2-body
|
97.4 mm
|
FKM
|
101.6 mm
|
37 kg
|
|
||
|
Seat valve DCX3 DE, X2-body, NC 4" FKM
Art:
DE-DU101A65100
Copied
|
SMS
|
X2-body
|
97.4 mm
|
FKM
|
101.6 mm
|
37 kg
|
|
||
|
Seat valve DCX3 DE, L1-body, NC DN50 FKM
Art:
DE-DD050A15100
Copied
|
DIN
|
L1-body
|
50 mm
|
FKM
|
53 mm
|
7.7 kg
|
|
||
|
Seat valve DCX3 DE, T1-body, NC DN50 FKM
Art:
DE-DD050A25100
Copied
|
DIN
|
T1-body
|
50 mm
|
FKM
|
53 mm
|
7.7 kg
|
|
||
|
Seat valve DCX3 DE, X1-body, NC DN50 FKM
Art:
DE-DD050A35100
Copied
|
DIN
|
X1-body
|
50 mm
|
FKM
|
53 mm
|
7.7 kg
|
|
||
|
Seat valve DCX3 DE, L2-body, NC DN50 FKM
Art:
DE-DD050A45100
Copied
|
DIN
|
L2-body
|
50 mm
|
FKM
|
53 mm
|
7.7 kg
|
|
||
|
Seat valve DCX3 DE, T2-body, NC DN50 FKM
Art:
DE-DD050A55100
Copied
|
DIN
|
T2-body
|
50 mm
|
FKM
|
53 mm
|
7.7 kg
|
|
||
|
Seat valve DCX3 DE, X2-body, NC DN50 FKM
Art:
DE-DD050A65100
Copied
|
DIN
|
X2-body
|
50 mm
|
FKM
|
53 mm
|
7.7 kg
|
|
||
|
Seat valve DCX3 DE, L1-body, NC DN65 FKM
Art:
DE-DD065A15100
Copied
|
DIN
|
L1-body
|
66 mm
|
FKM
|
70 mm
|
17.5 kg
|
|
||
|
Seat valve DCX3 DE, T1-body, NC DN65 FKM
Art:
DE-DD065A25100
Copied
|
DIN
|
T1-body
|
66 mm
|
FKM
|
70 mm
|
17.5 kg
|
|
||
|
Seat valve DCX3 DE, X1-body, NC DN65 FKM
Art:
DE-DD065A35100
Copied
|
DIN
|
X1-body
|
66 mm
|
FKM
|
70 mm
|
17.5 kg
|
|
||
|
Seat valve DCX3 DE, L2-body, NC DN65 FKM
Art:
DE-DD065A45100
Copied
|
DIN
|
L2-body
|
66 mm
|
FKM
|
70 mm
|
17.5 kg
|
|
||
|
Seat valve DCX3 DE, T2-body, NC DN65 FKM
Art:
DE-DD065A55100
Copied
|
DIN
|
T2-body
|
66 mm
|
FKM
|
70 mm
|
17.5 kg
|
|
||
|
Seat valve DCX3 DE, X2-body, NC DN65 FKM
Art:
DE-DD065A65100
Copied
|
DIN
|
X2-body
|
66 mm
|
FKM
|
70 mm
|
17.5 kg
|
|
||
|
Seat valve DCX3 DE, L1-body, NC DN80 FKM
Art:
DE-DD080A15100
Copied
|
DIN
|
L1-body
|
81 mm
|
FKM
|
85 mm
|
18 kg
|
|
||
|
Seat valve DCX3 DE, T1-body, NC DN80 FKM
Art:
DE-DD080A25100
Copied
|
DIN
|
T1-body
|
81 mm
|
FKM
|
85 mm
|
18 kg
|
|
||
|
Seat valve DCX3 DE, X1-body, NC DN80 FKM
Art:
DE-DD080A35100
Copied
|
DIN
|
X1-body
|
81 mm
|
FKM
|
85 mm
|
18 kg
|
|
||
|
Seat valve DCX3 DE, L2-body, NC DN80 FKM
Art:
DE-DD080A45100
Copied
|
DIN
|
L2-body
|
81 mm
|
FKM
|
85 mm
|
18 kg
|
|
||
|
Seat valve DCX3 DE, T2-body, NC DN80 FKM
Art:
DE-DD080A55100
Copied
|
DIN
|
T2-body
|
81 mm
|
FKM
|
85 mm
|
18 kg
|
|
||
|
Seat valve DCX3 DE, X2-body, NC DN80 FKM
Art:
DE-DD080A65100
Copied
|
DIN
|
X2-body
|
81 mm
|
FKM
|
85 mm
|
18 kg
|
|
||
|
Seat valve DCX3 DE, L1-body, NC DN100 FKM
Art:
DE-DD100A15100
Copied
|
DIN
|
L1-body
|
100 mm
|
FKM
|
104 mm
|
37 kg
|
|
||
|
Seat valve DCX3 DE, T1-body, NC DN100 FKM
Art:
DE-DD100A25100
Copied
|
DIN
|
T2-body
|
100 mm
|
FKM
|
104 mm
|
37 kg
|
|
||
|
Seat valve DCX3 DE, X1-body, NC DN100 FKM
Art:
DE-DD100A35100
Copied
|
DIN
|
X1-body
|
100 mm
|
FKM
|
104 mm
|
37 kg
|
|
||
|
Seat valve DCX3 DE, L2-body, NC DN100 FKM
Art:
DE-DD100A45100
Copied
|
DIN
|
L2-body
|
100 mm
|
FKM
|
104 mm
|
37 kg
|
|
||
|
Seat valve DCX3 DE, T2-body, NC DN100 FKM
Art:
DE-DD100A55100
Copied
|
DIN
|
T2-body
|
100 mm
|
FKM
|
104 mm
|
37 kg
|
|
||
|
Seat valve DCX3 DE, X2-body, NC DN100 FKM
Art:
DE-DD100A65100
Copied
|
DIN
|
X2-body
|
100 mm
|
FKM
|
104 mm
|
37 kg
|
|
Select a variant in the list