CONTA-CLIP
The PKB 1550, 1551, and 1552 from Conta-Clip are compact yet robust pluggable terminal blocks designed for efficient signal and power transmission in control cabinets and industrial automation systems. These models are part of Conta-Clip's PKB series, characterised by their push-in connection technology, which allows for quick and secure wire insertion without the need for tools. The PKB 1550 is a 2-conductor terminal block, while the PKB 1551 and PKB 1552 offer 3-conductor and 4-conductor configurations respectively, allowing for versatile wiring schemes in tight panel spaces. Each terminal block supports a cross-section range typically from 0.2 mm² to 2.5 mm² and is rated for up to 500 V and 24 A, depending on the conductor size. The terminal housings are made from flame-retardant polyamide 6.6 and comply with UL 94 V-0 standards, ensuring high safety under demanding conditions.
These terminal blocks are especially suited for control and distribution panels in industries such as machinery manufacturing, process automation, and energy management. Their modular design allows for easy integration into DIN rail-mounted systems, enabling flexible configurations and future expansions. Thanks to their pluggable design, PKB 1550–1552 terminal blocks facilitate fast maintenance and error-free wiring, significantly reducing downtime in service operations. The clear marking options and availability of standardized accessories, such as end covers and cross-connectors, enhance operational clarity and simplify circuit management. Whether used for signal routing, sensor wiring, or power distribution, these terminal blocks offer a reliable and scalable solution for modern electrical installations.
General Data |
|
|---|---|
| Type | Plug-in connector |
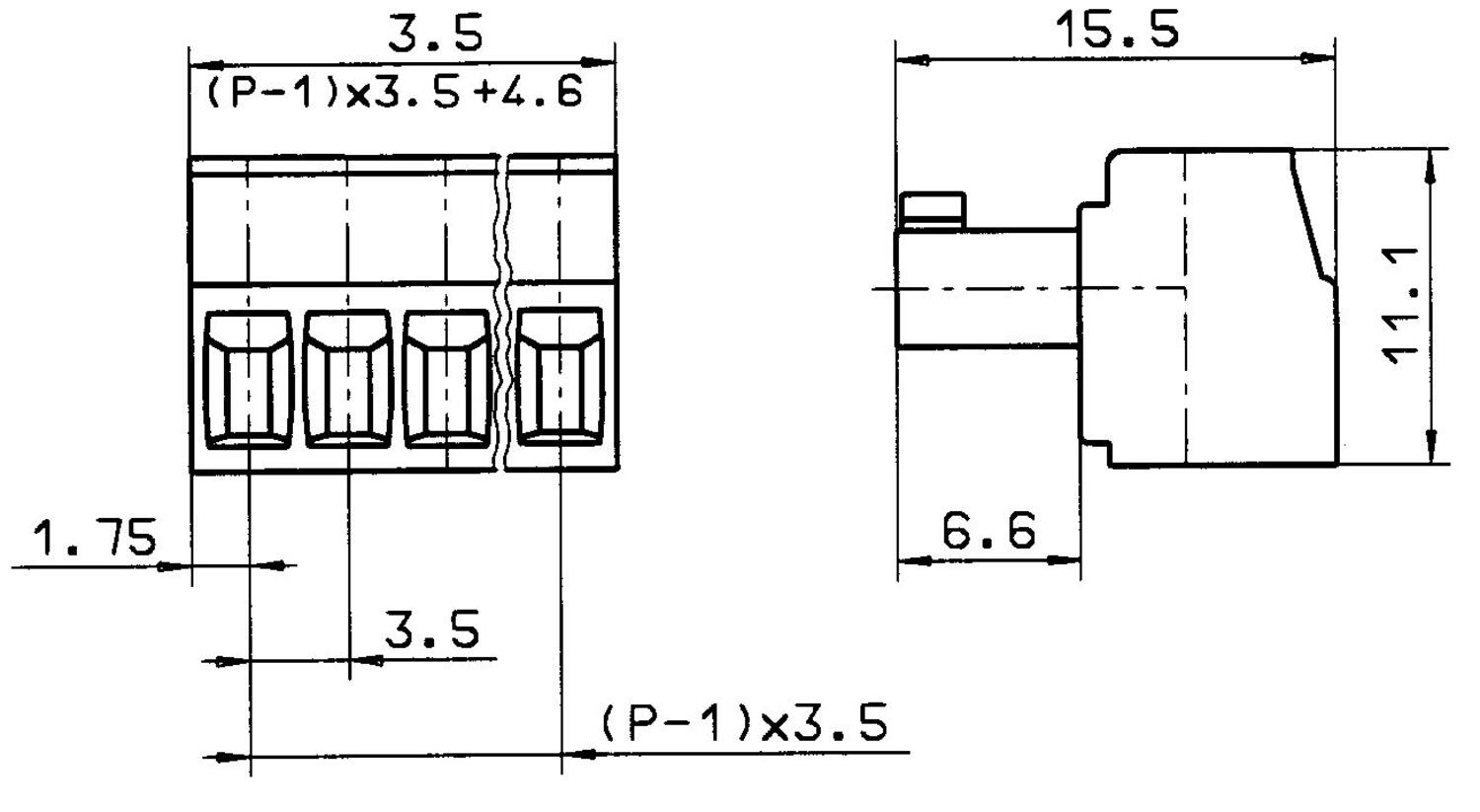
| Pitch | 3.5 mm |
| Colour | Green |
| Number of poles | 2 |
| Approvals | UL, cUL, VDE |
Ratings |
|
| Rated current | 8 A |
| Rated voltage | 160 V |
| Rated cross section | 1.5 mm² |
| Rated impulse voltage | 2.5 kV |
| Overvoltage category | III |
| Contamination degree | 3 |
Dimensions |
|
| Length | 11.1 mm |
| Width | 7 mm |
| Height | 15.5 mm |
| Width left | 1.75 mm |
| Width right | 1.75 mm |
Connection Data |
|
| Connector type/principle | Screw |
| Contact version | Female connector |
| Connector version | Pluggable |
| Number of plugin rows | 1 |
| Cross section single wire from | 0.14 mm² |
| Cross section single wire to | 1.5 mm² |
| Cross section stranded wire from | 0.14 mm² |
| Cross section stranded with ferrule to | 1 mm² |
| Cross section stranded wire to | 1.5 mm² |
| Cross section stranded with ferrule from | 0.25 mm² |
| Rated wire cross section to (AWG) | 16 |
| Rated wire cross section from (AWG) | 28 |
| Stripping length | 7 mm |
| Screw size | M 2 |
| Torque | 0.25 |
Materials |
|
|---|---|
| Housing material | Polyamide 6.6 |
| Flammability class | UL94-V0 |
| Operating temperature from | -30 °C |
| Operating temperature to | 105 °C |
| Contact spring | Bronze |
| Screw material | Bronze |
| Clamp material | Brass |
Approvals |
|
| UL test standard | UL 1059 |
| Rated voltage UL | 300 V |
| Rated current UL | 8 A |
| cUL test standard | CSA 22.2 No.158 |
| Rated voltage cUL | 300 V |
| Rated current cUL | 8 A |
| VDE test standard | DIN EN 61984 |
| Rated voltage VDE | 160 V |
| Rated current VDE | 8 A |
| Plug-in cycles acc. to standard | 100 |
| Tariff code | 85366990 |
| Pack size | 50 |
| Weight | 1.5 g |
| Angle of wire connection/contact | 0°/180° (horizontal) |
| Connection cycles acc. to standard | 5 |
| Country of origin | QU |
| Current creepage resistance | CTI 600 |
| Glow wire flammability index (GWFI) | GWFI 850 |
| Glow wire ignition temperature (GWIT) | GWIT 775 |
| GWFI after-glow time | 30 s |
| GWIT exposure time | 5 s |
| Insulation resistance | 1*10^13 Ω x cm |
The PKB 1550, 1551, and 1552 from Conta-Clip are compact yet robust pluggable terminal blocks designed for efficient signal and power transmission in control cabinets and industrial automation systems. These models are part of Conta-Clip's PKB series, characterised by their push-in connection technology, which allows for quick and secure wire insertion without the need for tools. The PKB 1550 is a 2-conductor terminal block, while the PKB 1551 and PKB 1552 offer 3-conductor and 4-conductor configurations respectively, allowing for versatile wiring schemes in tight panel spaces. Each terminal block supports a cross-section range typically from 0.2 mm² to 2.5 mm² and is rated for up to 500 V and 24 A, depending on the conductor size. The terminal housings are made from flame-retardant polyamide 6.6 and comply with UL 94 V-0 standards, ensuring high safety under demanding conditions.
These terminal blocks are especially suited for control and distribution panels in industries such as machinery manufacturing, process automation, and energy management. Their modular design allows for easy integration into DIN rail-mounted systems, enabling flexible configurations and future expansions. Thanks to their pluggable design, PKB 1550–1552 terminal blocks facilitate fast maintenance and error-free wiring, significantly reducing downtime in service operations. The clear marking options and availability of standardized accessories, such as end covers and cross-connectors, enhance operational clarity and simplify circuit management. Whether used for signal routing, sensor wiring, or power distribution, these terminal blocks offer a reliable and scalable solution for modern electrical installations.
Have you ever wondered if there's any difference between cable coils and cable reels?
Our cable experts take you through the advantages of using cable coils.
What tri-rated cable are you currently using? Does the product or service you receive leave you wanting more? It’s time to ask the question. Because now, you’ve got options.
This innovative push-in connection system enables time savings of up to 50%, whether you're wiring control panels or managing complex installations
Solar energy has become a pillar of the global energy transition. The experts at OEM Automatic have broken down the role of photovoltaic fuses and their contribution to solar systems, as well as, how to choose the right solution for you.
Ultra fast-acting fuse links engineered specifically to shield delicate semiconductor devices.
Do you need reliable protection for measuring and control equipment? DEHN YellowLine delivers voltage surge protection tailored for building, measuring, and control systems
|
|
|
|
|
|
||
|---|---|---|---|---|---|---|
|
|
|
|
|
|
||
|
|
|
|
|
|
||
|
|
|
|
|
|
||
|
|
|
|
|
|
||
|
|
|
|
|
|
||
|
|
|
|
|
|
| Parts | Pitch | Number of poles | Length | Width | Height | Width left | Width right | Flange screw | Tariff code | Weight | Angle of wire connection/contact | Price | ||
|---|---|---|---|---|---|---|---|---|---|---|---|---|---|---|
|
PKB 1550/3.5/2 2P PLUG TERMINAL
Art:
11377.1
Copied
|
3.5 mm
|
2
|
11.1 mm
|
7 mm
|
15.5 mm
|
1.75 mm
|
1.75 mm
|
|
85366990
|
1.5 g
|
0°/180° (horizontal)
|
|
||
|
PKB 1550/3.81/2 2P PLUG TERM
Art:
11396.1
Copied
|
3.81 mm
|
2
|
11.1 mm
|
7.62 mm
|
15.5 mm
|
1.905 mm
|
1.905 mm
|
|
85366990
|
1.4 g
|
0°/180° (horizontal)
|
|
||
|
PKB 1550/2/3,50-F GN
Art:
13717.1
Copied
|
3.5 mm
|
2
|
11.1 mm
|
17.4 mm
|
15.5 mm
|
6.95 mm
|
6.95 mm
|
Steel
|
85366990
|
1.4 g
|
0°/180° (horizontal)
|
|
||
|
PKB 1550/2/3,81-F GN
Art:
13734.1
Copied
|
3.81 mm
|
2
|
11.1 mm
|
17.22 mm
|
15.5 mm
|
6.705 mm
|
6.705 mm
|
Steel
|
85366990
|
2.2 g
|
0°/180° (horizontal)
|
|
||
|
PKB 1551/2/3,50 GN
Art:
30002.1
Copied
|
3.5 mm
|
2
|
10.4 mm
|
7 mm
|
19.1 mm
|
1.75 mm
|
1.75 mm
|
|
85369010
|
1.51 g
|
90° (vertically upwards)
|
|
||
|
PKB 1551/2/3,50-F GN
Art:
30022.1
Copied
|
3.5 mm
|
2
|
10.4 mm
|
17 mm
|
19.1 mm
|
6.75 mm
|
6.75 mm
|
Steel
|
85369010
|
2.37 g
|
90° (vertically upwards)
|
|
||
|
PKB 1552/2/3,50 GN
Art:
30062.1
Copied
|
3.5 mm
|
2
|
10.4 mm
|
7 mm
|
19.1 mm
|
1.75 mm
|
1.75 mm
|
|
85369010
|
1.51 g
|
90° (vertically upwards)
|
|
||
|
PKB 1552/2/3,50-F GN
Art:
30082.1
Copied
|
3.5 mm
|
2
|
10.4 mm
|
17 mm
|
19.1 mm
|
6.75 mm
|
6.75 mm
|
Steel
|
85369010
|
2.37 g
|
90° (vertically upwards)
|
|
||
|
PKB 1550/3.5/3 3P PLUG TERMINAL
Art:
11378.1
Copied
|
3.5 mm
|
3
|
11.1 mm
|
10.5 mm
|
15.5 mm
|
1.75 mm
|
1.75 mm
|
|
85366990
|
2.2 g
|
0°/180° (horizontal)
|
|
||
|
PKB 1550/3.81/3 3P PLUG TERM
Art:
11397.1
Copied
|
3.81 mm
|
3
|
11.1 mm
|
11.43 mm
|
15.5 mm
|
1.905 mm
|
1.905 mm
|
|
85366990
|
2.1 g
|
0°/180° (horizontal)
|
|
||
|
PKB 1550/3/3,50-F GN
Art:
13718.1
Copied
|
3.5 mm
|
3
|
11.1 mm
|
20.9 mm
|
15.5 mm
|
6.95 mm
|
6.95 mm
|
Steel
|
85366990
|
2.1 g
|
0°/180° (horizontal)
|
|
||
|
PKB 1550/3/3,81-F GN
Art:
13735.1
Copied
|
3.81 mm
|
3
|
11.1 mm
|
21.03 mm
|
15.5 mm
|
6.705 mm
|
6.705 mm
|
Steel
|
85366990
|
2.9 g
|
0°/180° (horizontal)
|
|
||
|
PKB 1551/3/3,50 GN
Art:
30003.1
Copied
|
3.5 mm
|
3
|
10.4 mm
|
10.5 mm
|
19.1 mm
|
1.75 mm
|
1.75 mm
|
|
85369010
|
2.26 g
|
90° (vertically upwards)
|
|
||
|
PKB 1551/3/3,50-F GN
Art:
30023.1
Copied
|
3.5 mm
|
3
|
10.4 mm
|
20.5 mm
|
19.1 mm
|
6.75 mm
|
6.75 mm
|
Steel
|
85369010
|
3.11 g
|
90° (vertically upwards)
|
|
||
|
PKB 1552/3/3,50 GN
Art:
30063.1
Copied
|
3.5 mm
|
3
|
10.4 mm
|
10.5 mm
|
19.1 mm
|
1.75 mm
|
1.75 mm
|
|
85369010
|
2.27 g
|
90° (vertically upwards)
|
|
||
|
PKB 1552/3/3,50-F GN
Art:
30083.1
Copied
|
3.5 mm
|
3
|
10.4 mm
|
20.5 mm
|
19.1 mm
|
6.75 mm
|
6.75 mm
|
Steel
|
85369010
|
3.11 g
|
90° (vertically upwards)
|
|
||
|
PKB 1550/3.5/4 4P PLUG TERMINAL
Art:
11379.1
Copied
|
3.5 mm
|
4
|
11.1 mm
|
14 mm
|
15.5 mm
|
1.75 mm
|
1.75 mm
|
|
85366990
|
2.8 g
|
0°/180° (horizontal)
|
|
||
|
PKB 1550/3.81/4 4P PLUG TERM
Art:
11398.1
Copied
|
3.81 mm
|
4
|
11.1 mm
|
15.24 mm
|
15.5 mm
|
1.905 mm
|
1.905 mm
|
|
85366990
|
2.8 g
|
0°/180° (horizontal)
|
|
||
|
PKB 1550/4/3,50-F GN
Art:
13719.1
Copied
|
3.5 mm
|
4
|
11.1 mm
|
24.4 mm
|
15.5 mm
|
6.95 mm
|
6.95 mm
|
Steel
|
85366990
|
2.8 g
|
0°/180° (horizontal)
|
|
||
|
PKB 1550/4/3,81-F GN
Art:
13736.1
Copied
|
3.81 mm
|
4
|
11.1 mm
|
24.84 mm
|
15.5 mm
|
6.705 mm
|
6.705 mm
|
Steel
|
85366990
|
3.6 g
|
0°/180° (horizontal)
|
|
||
|
PKB 1551/4/3,50-F GN
Art:
30024.1
Copied
|
3.5 mm
|
4
|
10.4 mm
|
24 mm
|
19.1 mm
|
6.75 mm
|
6.75 mm
|
Steel
|
85369010
|
3.84 g
|
90° (vertically upwards)
|
|
||
|
PKB 1552/4/3,50 GN
Art:
30064.1
Copied
|
3.5 mm
|
4
|
10.4 mm
|
14 mm
|
19.1 mm
|
1.75 mm
|
1.75 mm
|
|
85369010
|
3.02 g
|
90° (vertically upwards)
|
|
||
|
PKB 1552/4/3,50-F GN
Art:
30084.1
Copied
|
3.5 mm
|
4
|
10.4 mm
|
24 mm
|
19.1 mm
|
6.75 mm
|
6.75 mm
|
Steel
|
85369010
|
3.84 g
|
90° (vertically upwards)
|
|
||
|
PKB 1550/3.5/5 5P PLUG TERMINAL
Art:
11380.1
Copied
|
3.5 mm
|
5
|
11.1 mm
|
17.5 mm
|
15.5 mm
|
1.75 mm
|
1.75 mm
|
|
85366990
|
3.5 g
|
0°/180° (horizontal)
|
|
||
|
PKB 1550/3.81/5 5P PLUG TERM
Art:
11399.1
Copied
|
3.81 mm
|
5
|
11.1 mm
|
19.05 mm
|
15.5 mm
|
1.905 mm
|
1.905 mm
|
|
85366990
|
3.5 g
|
0°/180° (horizontal)
|
|
||
|
PKB 1550/5/3,50-F GN
Art:
13720.1
Copied
|
3.5 mm
|
5
|
11.1 mm
|
27.9 mm
|
15.5 mm
|
6.95 mm
|
6.95 mm
|
Steel
|
85366990
|
3.5 g
|
0°/180° (horizontal)
|
|
||
|
PKB 1550/5/3,81-F GN
Art:
13737.1
Copied
|
3.81 mm
|
5
|
11.1 mm
|
28.65 mm
|
15.5 mm
|
6.705 mm
|
6.705 mm
|
Steel
|
85366990
|
4.3 g
|
0°/180° (horizontal)
|
|
||
|
PKB 1551/5/3,50 GN
Art:
30005.1
Copied
|
3.5 mm
|
5
|
10.4 mm
|
17.5 mm
|
19.1 mm
|
1.75 mm
|
1.75 mm
|
|
85369010
|
3.78 g
|
90° (vertically upwards)
|
|
||
|
PKB 1551/5/3,50-F GN
Art:
30025.1
Copied
|
3.5 mm
|
5
|
10.4 mm
|
27.5 mm
|
19.1 mm
|
6.75 mm
|
6.75 mm
|
Steel
|
85369010
|
4.58 g
|
90° (vertically upwards)
|
|
||
|
PKB 1552/5/3,50 GN
Art:
30065.1
Copied
|
3.5 mm
|
5
|
10.4 mm
|
17.5 mm
|
19.1 mm
|
1.75 mm
|
1.75 mm
|
|
85369010
|
3.77 g
|
90° (vertically upwards)
|
|
||
|
PKB 1552/5/3,50-F GN
Art:
30085.1
Copied
|
3.5 mm
|
5
|
10.4 mm
|
27.5 mm
|
19.1 mm
|
6.75 mm
|
6.75 mm
|
Steel
|
85369010
|
4.58 g
|
90° (vertically upwards)
|
|
||
|
PKB 1550/3.5/6 6P PLUG TERMINAL
Art:
11381.1
Copied
|
3.5 mm
|
6
|
11.1 mm
|
21 mm
|
15.5 mm
|
1.75 mm
|
1.75 mm
|
|
85366990
|
4.1 g
|
0°/180° (horizontal)
|
|
||
|
PKB 1550/3.81/6 6P PLUG TERM
Art:
11400.1
Copied
|
3.81 mm
|
6
|
11.1 mm
|
22.86 mm
|
15.5 mm
|
1.905 mm
|
1.905 mm
|
|
85366990
|
4.1 g
|
0°/180° (horizontal)
|
|
||
|
PKB 1550/6/3,50-F GN
Art:
13721.1
Copied
|
3.5 mm
|
6
|
11.1 mm
|
31.4 mm
|
15.5 mm
|
6.95 mm
|
6.95 mm
|
Steel
|
85366990
|
4.1 g
|
0°/180° (horizontal)
|
|
||
|
PKB 1550/6/3,81-F GN
Art:
13738.1
Copied
|
3.81 mm
|
6
|
11.1 mm
|
32.46 mm
|
15.5 mm
|
6.705 mm
|
6.705 mm
|
Steel
|
85366990
|
4.2 g
|
0°/180° (horizontal)
|
|
||
|
PKB 1551/6/3,50 GN
Art:
30006.1
Copied
|
3.5 mm
|
6
|
10.4 mm
|
21 mm
|
19.1 mm
|
1.75 mm
|
1.75 mm
|
|
85369010
|
4.54 g
|
90° (vertically upwards)
|
|
||
|
PKB 1551/6/3,50-F GN
Art:
30026.1
Copied
|
3.5 mm
|
6
|
10.4 mm
|
31 mm
|
19.1 mm
|
6.75 mm
|
6.75 mm
|
Steel
|
85369010
|
5.31 g
|
90° (vertically upwards)
|
|
||
|
PKB 1552/6/3,50 GN
Art:
30066.1
Copied
|
3.5 mm
|
6
|
10.4 mm
|
21 mm
|
19.1 mm
|
1.75 mm
|
1.75 mm
|
|
85369010
|
4.53 g
|
90° (vertically upwards)
|
|
||
|
PKB 1552/6/3,50-F GN
Art:
30086.1
Copied
|
3.5 mm
|
6
|
10.4 mm
|
31 mm
|
19.1 mm
|
6.75 mm
|
6.75 mm
|
Steel
|
85369010
|
5.31 g
|
90° (vertically upwards)
|
|
||
|
PKB 1550/7/3,50 GN
Art:
11382.1
Copied
|
3.5 mm
|
7
|
11.1 mm
|
24.5 mm
|
15.5 mm
|
1.75 mm
|
1.75 mm
|
|
85366990
|
4.8 g
|
0°/180° (horizontal)
|
|
||
|
PKB 1550/3.81/7 7P PLUG TERM
Art:
11401.1
Copied
|
3.81 mm
|
7
|
11.1 mm
|
26.67 mm
|
15.5 mm
|
1.905 mm
|
1.905 mm
|
|
85366990
|
5 g
|
0°/180° (horizontal)
|
|
||
|
PKB 1550/7/3,50-F GN
Art:
13722.1
Copied
|
3.5 mm
|
7
|
11.1 mm
|
34.9 mm
|
15.5 mm
|
6.95 mm
|
6.95 mm
|
Steel
|
85366990
|
5.5 g
|
0°/180° (horizontal)
|
|
||
|
PKB 1550/7/3,81-F GN
Art:
13739.1
Copied
|
3.81 mm
|
7
|
11.1 mm
|
36.27 mm
|
15.5 mm
|
6.705 mm
|
6.705 mm
|
Steel
|
85366990
|
4.9 g
|
0°/180° (horizontal)
|
|
||
|
PKB 1551/7/3,50 GN
Art:
30007.1
Copied
|
3.5 mm
|
7
|
10.4 mm
|
24.5 mm
|
19.1 mm
|
1.75 mm
|
1.75 mm
|
|
85369010
|
5.29 g
|
90° (vertically upwards)
|
|
||
|
PKB 1551/7/3,50-F GN
Art:
30027.1
Copied
|
3.5 mm
|
7
|
10.4 mm
|
34.5 mm
|
19.1 mm
|
6.75 mm
|
6.75 mm
|
Steel
|
85369010
|
6.05 g
|
90° (vertically upwards)
|
|
||
|
PKB 1552/7/3,50 GN
Art:
30067.1
Copied
|
3.5 mm
|
7
|
10.4 mm
|
24.5 mm
|
19.1 mm
|
1.75 mm
|
1.75 mm
|
|
85369010
|
5.28 g
|
90° (vertically upwards)
|
|
||
|
PKB 1552/7/3,50-F GN
Art:
30087.1
Copied
|
3.5 mm
|
7
|
10.4 mm
|
34.5 mm
|
19.1 mm
|
6.75 mm
|
6.75 mm
|
Steel
|
85369010
|
6.05 g
|
90° (vertically upwards)
|
|
||
|
PKB 1550/3.5/8 8P PLUG TERMINAL
Art:
11383.1
Copied
|
3.5 mm
|
8
|
11.1 mm
|
28 mm
|
15.5 mm
|
1.75 mm
|
1.75 mm
|
|
85366990
|
5.4 g
|
0°/180° (horizontal)
|
|
||
|
PKB 1550/3.81/8 8P PLUG TERM
Art:
11402.1
Copied
|
3.81 mm
|
8
|
11.1 mm
|
30.48 mm
|
15.5 mm
|
1.905 mm
|
1.905 mm
|
|
85366990
|
5.6 g
|
0°/180° (horizontal)
|
|
||
|
PKB 1550/8/3,50-F GN
Art:
13723.1
Copied
|
3.5 mm
|
8
|
11.1 mm
|
38.4 mm
|
15.5 mm
|
6.95 mm
|
6.95 mm
|
Steel
|
85366990
|
5.6 g
|
0°/180° (horizontal)
|
|
||
|
PKB 1550/8/3,81-F GN
Art:
13740.1
Copied
|
3.81 mm
|
8
|
11.1 mm
|
40.08 mm
|
15.5 mm
|
6.705 mm
|
6.705 mm
|
Steel
|
85366990
|
6.4 g
|
0°/180° (horizontal)
|
|
||
|
PKB 1551/8/3,50 GN
Art:
30008.1
Copied
|
3.5 mm
|
8
|
10.4 mm
|
28 mm
|
19.1 mm
|
1.75 mm
|
1.75 mm
|
|
85369010
|
6.05 g
|
90° (vertically upwards)
|
|
||
|
PKB 1551/8/3,50-F GN
Art:
30028.1
Copied
|
3.5 mm
|
8
|
10.4 mm
|
38 mm
|
19.1 mm
|
6.75 mm
|
6.75 mm
|
Steel
|
85369010
|
6.78 g
|
90° (vertically upwards)
|
|
||
|
PKB 1552/8/3,50 GN
Art:
30068.1
Copied
|
3.5 mm
|
8
|
10.4 mm
|
28 mm
|
19.1 mm
|
1.75 mm
|
1.75 mm
|
|
85369010
|
6.03 g
|
90° (vertically upwards)
|
|
||
|
PKB 1552/8/3,50-F GN
Art:
30088.1
Copied
|
3.5 mm
|
8
|
10.4 mm
|
38 mm
|
19.1 mm
|
6.75 mm
|
6.75 mm
|
Steel
|
85369010
|
6.78 g
|
90° (vertically upwards)
|
|
||
|
PKB 1550/3.5/9 9P PLUG TERMINAL
Art:
11384.1
Copied
|
3.5 mm
|
9
|
11.1 mm
|
31.5 mm
|
15.5 mm
|
1.75 mm
|
1.75 mm
|
|
85366990
|
6.2 g
|
0°/180° (horizontal)
|
|
||
|
PKB 1550/3.81/9 9P PLUG TERM
Art:
11403.1
Copied
|
3.81 mm
|
9
|
11.1 mm
|
34.29 mm
|
15.5 mm
|
1.905 mm
|
1.905 mm
|
|
85366990
|
6.4 g
|
0°/180° (horizontal)
|
|
||
|
PKB 1550/9/3,50-F GN
Art:
13724.1
Copied
|
3.5 mm
|
9
|
11.1 mm
|
41.9 mm
|
15.5 mm
|
6.95 mm
|
6.95 mm
|
Steel
|
85366990
|
6.3 g
|
0°/180° (horizontal)
|
|
||
|
PKB 1550/9/3,81-F GN
Art:
13741.1
Copied
|
3.81 mm
|
9
|
11.1 mm
|
43.89 mm
|
15.5 mm
|
6.705 mm
|
6.705 mm
|
Steel
|
85366990
|
7.2 g
|
0°/180° (horizontal)
|
|
||
|
PKB 1551/9/3,50 GN
Art:
30009.1
Copied
|
3.5 mm
|
9
|
10.4 mm
|
31.5 mm
|
19.1 mm
|
1.75 mm
|
1.75 mm
|
|
85369010
|
6.8 g
|
90° (vertically upwards)
|
|
||
|
PKB 1551/9/3,50-F GN
Art:
30029.1
Copied
|
3.5 mm
|
9
|
10.4 mm
|
41.5 mm
|
19.1 mm
|
6.75 mm
|
6.75 mm
|
Steel
|
85369010
|
7.52 g
|
90° (vertically upwards)
|
|
||
|
PKB 1552/9/3,50 GN
Art:
30069.1
Copied
|
3.5 mm
|
9
|
10.4 mm
|
31.5 mm
|
19.1 mm
|
1.75 mm
|
1.75 mm
|
|
85369010
|
6.79 g
|
90° (vertically upwards)
|
|
||
|
PKB 1552/9/3,50-F GN
Art:
30089.1
Copied
|
3.5 mm
|
9
|
10.4 mm
|
41.5 mm
|
19.1 mm
|
6.75 mm
|
6.75 mm
|
Steel
|
85369010
|
7.52 g
|
90° (vertically upwards)
|
|
||
|
PKB 1550/3.5/10 10P PLUG TERM
Art:
11385.1
Copied
|
3.5 mm
|
10
|
11.1 mm
|
35 mm
|
15.5 mm
|
1.75 mm
|
1.75 mm
|
|
85366990
|
6.9 g
|
0°/180° (horizontal)
|
|
||
|
PKB 1550/3.81/10 10P PLUG TERM
Art:
11404.1
Copied
|
3.81 mm
|
10
|
11.1 mm
|
38.1 mm
|
15.5 mm
|
1.905 mm
|
1.905 mm
|
|
85366990
|
7.05 g
|
0°/180° (horizontal)
|
|
||
|
PKB 1550/10/3,50-F GN
Art:
13725.1
Copied
|
3.5 mm
|
10
|
11.1 mm
|
45.4 mm
|
15.5 mm
|
6.95 mm
|
6.95 mm
|
Steel
|
85366990
|
7 g
|
0°/180° (horizontal)
|
|
||
|
PKB 1550/10/3,81-F GN
Art:
13742.1
Copied
|
3.81 mm
|
10
|
11.1 mm
|
47.7 mm
|
15.5 mm
|
6.705 mm
|
6.705 mm
|
Steel
|
85366990
|
7.9 g
|
0°/180° (horizontal)
|
|
||
|
PKB 1551/10/3,50 GN
Art:
30010.1
Copied
|
3.5 mm
|
10
|
10.4 mm
|
35 mm
|
19.1 mm
|
1.75 mm
|
1.75 mm
|
|
85369010
|
7.56 g
|
90° (vertically upwards)
|
|
||
|
PKB 1551/10/3,50-F GN
Art:
30030.1
Copied
|
3.5 mm
|
10
|
10.4 mm
|
45 mm
|
19.1 mm
|
6.75 mm
|
6.75 mm
|
Steel
|
85369010
|
8.26 g
|
90° (vertically upwards)
|
|
||
|
PKB 1552/10/3,50 GN
Art:
30070.1
Copied
|
3.5 mm
|
10
|
10.4 mm
|
35 mm
|
19.1 mm
|
1.75 mm
|
1.75 mm
|
|
85369010
|
7.54 g
|
90° (vertically upwards)
|
|
||
|
PKB 1552/10/3,50-F GN
Art:
30090.1
Copied
|
3.5 mm
|
10
|
10.4 mm
|
45 mm
|
19.1 mm
|
6.75 mm
|
6.75 mm
|
Steel
|
85369010
|
8.26 g
|
90° (vertically upwards)
|
|
||
|
PKB 1550/11/3,50 GN
Art:
11386.1
Copied
|
3.5 mm
|
11
|
11.1 mm
|
38.5 mm
|
15.5 mm
|
1.75 mm
|
1.75 mm
|
|
85366990
|
7.4 g
|
0°/180° (horizontal)
|
|
||
|
PKB 1550/11/3,81 GN
Art:
11405.1
Copied
|
3.81 mm
|
11
|
11.1 mm
|
41.91 mm
|
15.5 mm
|
1.905 mm
|
1.905 mm
|
|
85366990
|
7.7 g
|
0°/180° (horizontal)
|
|
||
|
PKB 1550/11/3,50-F GN
Art:
13726.1
Copied
|
3.5 mm
|
11
|
11.1 mm
|
48.9 mm
|
15.5 mm
|
6.95 mm
|
6.95 mm
|
Steel
|
85366990
|
7.7 g
|
0°/180° (horizontal)
|
|
||
|
PKB 1550/11/3,81-F GN
Art:
13743.1
Copied
|
3.81 mm
|
11
|
11.1 mm
|
51.51 mm
|
15.5 mm
|
6.705 mm
|
6.705 mm
|
Steel
|
85366990
|
7.7 g
|
0°/180° (horizontal)
|
|
||
|
PKB 1551/11/3,50 GN
Art:
30011.1
Copied
|
3.5 mm
|
11
|
10.4 mm
|
38.5 mm
|
19.1 mm
|
1.75 mm
|
1.75 mm
|
|
85369010
|
8.31 g
|
90° (vertically upwards)
|
|
||
|
PKB 1551/11/3,50-F GN
Art:
30031.1
Copied
|
3.5 mm
|
11
|
10.4 mm
|
48.5 mm
|
19.1 mm
|
6.75 mm
|
6.75 mm
|
Steel
|
85369010
|
8.99 g
|
90° (vertically upwards)
|
|
||
|
PKB 1552/11/3,50 GN
Art:
30071.1
Copied
|
3.5 mm
|
11
|
10.4 mm
|
38.5 mm
|
19.1 mm
|
1.75 mm
|
1.75 mm
|
|
85369010
|
8.29 g
|
90° (vertically upwards)
|
|
||
|
PKB 1552/11/3,50-F GN
Art:
30091.1
Copied
|
3.5 mm
|
11
|
10.4 mm
|
48.5 mm
|
19.1 mm
|
6.75 mm
|
6.75 mm
|
Steel
|
85369010
|
8.99 g
|
90° (vertically upwards)
|
|
||
|
PKB 1550/3.5/12 12P PLUG TERMINAL
Art:
11387.1
Copied
|
3.5 mm
|
12
|
11.1 mm
|
42 mm
|
15.5 mm
|
1.75 mm
|
1.75 mm
|
|
85366990
|
8.1 g
|
0°/180° (horizontal)
|
|
||
|
PKB 1550/3.81/12 12P PLUG TERM
Art:
11406.1
Copied
|
3.81 mm
|
12
|
11.1 mm
|
45.72 mm
|
15.5 mm
|
1.905 mm
|
1.905 mm
|
|
85366990
|
8.4 g
|
0°/180° (horizontal)
|
|
||
|
PKB 1550/12/3,50-F GN
Art:
13727.1
Copied
|
3.5 mm
|
12
|
11.1 mm
|
52.4 mm
|
15.5 mm
|
6.95 mm
|
6.95 mm
|
Steel
|
85366990
|
8.4 g
|
0°/180° (horizontal)
|
|
||
|
PKB 1550/12/3,81-F GN
Art:
13744.1
Copied
|
3.81 mm
|
12
|
11.1 mm
|
55.32 mm
|
15.5 mm
|
6.705 mm
|
6.705 mm
|
Steel
|
85366990
|
9.2 g
|
0°/180° (horizontal)
|
|
||
|
PKB 1551/12/3,50 GN
Art:
30012.1
Copied
|
3.5 mm
|
12
|
10.4 mm
|
42 mm
|
19.1 mm
|
1.75 mm
|
1.75 mm
|
|
85369010
|
9.05 g
|
90° (vertically upwards)
|
|
||
|
PKB 1551/12/3,50-F GN
Art:
30032.1
Copied
|
3.5 mm
|
12
|
10.4 mm
|
52 mm
|
19.1 mm
|
6.75 mm
|
6.75 mm
|
Steel
|
85369010
|
9.78 g
|
90° (vertically upwards)
|
|
||
|
PKB 1552/12/3,50 GN
Art:
30072.1
Copied
|
3.5 mm
|
12
|
10.4 mm
|
42 mm
|
19.1 mm
|
1.75 mm
|
1.75 mm
|
|
85369010
|
9.04 g
|
90° (vertically upwards)
|
|
||
|
PKB 1552/12/3,50-F GN
Art:
30092.1
Copied
|
3.5 mm
|
12
|
10.4 mm
|
52 mm
|
19.1 mm
|
6.75 mm
|
6.75 mm
|
Steel
|
85369010
|
9.78 g
|
90° (vertically upwards)
|
|
||
|
PKB 1550/13/3,50 GN
Art:
11388.1
Copied
|
3.5 mm
|
13
|
11.1 mm
|
45.5 mm
|
15.5 mm
|
1.75 mm
|
1.75 mm
|
|
85366990
|
8.79 g
|
0°/180° (horizontal)
|
|
||
|
PKB 1550/13/3,81 GN
Art:
11407.1
Copied
|
3.81 mm
|
13
|
11.1 mm
|
49.53 mm
|
15.5 mm
|
1.905 mm
|
1.905 mm
|
|
85366990
|
9.4 g
|
0°/180° (horizontal)
|
|
||
|
PKB 1550/13/3,50-F GN
Art:
13728.1
Copied
|
3.5 mm
|
13
|
11.1 mm
|
55.9 mm
|
15.5 mm
|
6.95 mm
|
6.95 mm
|
Steel
|
85366990
|
9.1 g
|
0°/180° (horizontal)
|
|
||
|
PKB 1550/13/3,81-F GN
Art:
13745.1
Copied
|
3.81 mm
|
13
|
11.1 mm
|
59.13 mm
|
15.5 mm
|
6.705 mm
|
6.705 mm
|
Steel
|
85366990
|
9.1 g
|
0°/180° (horizontal)
|
|
||
|
PKB 1551/13/3,50 GN
Art:
30013.1
Copied
|
3.5 mm
|
13
|
10.4 mm
|
45.5 mm
|
19.1 mm
|
1.75 mm
|
1.75 mm
|
|
85369010
|
9.8 g
|
90° (vertically upwards)
|
|
||
|
PKB 1551/13/3,50-F GN
Art:
30033.1
Copied
|
3.5 mm
|
13
|
10.4 mm
|
55.5 mm
|
19.1 mm
|
6.75 mm
|
6.75 mm
|
Steel
|
85369010
|
10.47 g
|
90° (vertically upwards)
|
|
||
|
PKB 1552/13/3,50 GN
Art:
30073.1
Copied
|
3.5 mm
|
13
|
10.4 mm
|
45.5 mm
|
19.1 mm
|
1.75 mm
|
1.75 mm
|
|
85369010
|
9.8 g
|
90° (vertically upwards)
|
|
||
|
PKB 1552/13/3,50-F GN
Art:
30093.1
Copied
|
3.5 mm
|
13
|
10.4 mm
|
55.5 mm
|
19.1 mm
|
6.75 mm
|
6.75 mm
|
Steel
|
85369010
|
10.47 g
|
90° (vertically upwards)
|
|
||
|
PKB 1550/14/3,50 GN
Art:
11389.1
Copied
|
3.5 mm
|
14
|
11.1 mm
|
49 mm
|
15.5 mm
|
1.75 mm
|
1.75 mm
|
|
85366990
|
9.46 g
|
0°/180° (horizontal)
|
|
||
|
PKB 1550/14/3,81 GN
Art:
11408.1
Copied
|
3.81 mm
|
14
|
11.1 mm
|
53.34 mm
|
15.5 mm
|
1.905 mm
|
1.905 mm
|
|
85366990
|
10 g
|
0°/180° (horizontal)
|
|
||
|
PKB 1550/14/3,50-F GN
Art:
13729.1
Copied
|
3.5 mm
|
14
|
11.1 mm
|
59.4 mm
|
15.5 mm
|
6.95 mm
|
6.95 mm
|
Steel
|
85366990
|
9.8 g
|
0°/180° (horizontal)
|
|
||
|
PKB 1550/14/3,81-F GN
Art:
13746.1
Copied
|
3.81 mm
|
14
|
11.1 mm
|
62.94 mm
|
15.5 mm
|
6.705 mm
|
6.705 mm
|
Steel
|
85366990
|
9.8 g
|
0°/180° (horizontal)
|
|
||
|
PKB 1551/14/3,50 GN
Art:
30014.1
Copied
|
3.5 mm
|
14
|
10.4 mm
|
49 mm
|
19.1 mm
|
1.75 mm
|
1.75 mm
|
|
85369010
|
10.55 g
|
90° (vertically upwards)
|
|
||
|
PKB 1551/14/3,50-F GN
Art:
30034.1
Copied
|
3.5 mm
|
14
|
10.4 mm
|
59 mm
|
19.1 mm
|
6.75 mm
|
6.75 mm
|
Steel
|
85369010
|
11.2 g
|
90° (vertically upwards)
|
|
||
|
PKB 1552/14/3,50 GN
Art:
30074.1
Copied
|
3.5 mm
|
14
|
10.4 mm
|
49 mm
|
19.1 mm
|
1.75 mm
|
1.75 mm
|
|
85369010
|
10.55 g
|
90° (vertically upwards)
|
|
||
|
PKB 1552/14/3,50-F GN
Art:
30094.1
Copied
|
3.5 mm
|
14
|
10.4 mm
|
59 mm
|
19.1 mm
|
6.75 mm
|
6.75 mm
|
Steel
|
85369010
|
11.2 g
|
90° (vertically upwards)
|
|
||
|
PKB 1550/15/3,50 GN
Art:
11390.1
Copied
|
3.5 mm
|
15
|
11.1 mm
|
52.5 mm
|
15.5 mm
|
1.75 mm
|
1.75 mm
|
|
85366990
|
10.8 g
|
0°/180° (horizontal)
|
|
||
|
PKB 1550/3.81/15 15P PLUG TERM
Art:
11409.1
Copied
|
3.81 mm
|
15
|
11.1 mm
|
57.15 mm
|
15.5 mm
|
1.905 mm
|
1.905 mm
|
|
85366990
|
10.6 g
|
0°/180° (horizontal)
|
|
||
|
PKB 1550/15/3,50-F GN
Art:
13730.1
Copied
|
3.5 mm
|
15
|
11.1 mm
|
62.9 mm
|
15.5 mm
|
6.95 mm
|
6.95 mm
|
Steel
|
85366990
|
10.5 g
|
0°/180° (horizontal)
|
|
||
|
PKB 1550/15/3,81-F GN
Art:
13747.1
Copied
|
3.81 mm
|
15
|
11.1 mm
|
66.75 mm
|
15.5 mm
|
6.705 mm
|
6.705 mm
|
Steel
|
85366990
|
10.5 g
|
0°/180° (horizontal)
|
|
||
|
PKB 1551/15/3,50 GN
Art:
30015.1
Copied
|
3.5 mm
|
15
|
10.4 mm
|
52.5 mm
|
19.1 mm
|
1.75 mm
|
1.75 mm
|
|
85369010
|
11.3 g
|
90° (vertically upwards)
|
|
||
|
PKB 1551/15/3,50-F GN
Art:
30035.1
Copied
|
3.5 mm
|
15
|
10.4 mm
|
62.5 mm
|
19.1 mm
|
6.75 mm
|
6.75 mm
|
Steel
|
85369010
|
11.94 g
|
90° (vertically upwards)
|
|
||
|
PKB 1552/15/3,50 GN
Art:
30075.1
Copied
|
3.5 mm
|
15
|
10.4 mm
|
52.5 mm
|
19.1 mm
|
1.75 mm
|
1.75 mm
|
|
85369010
|
11.3 g
|
90° (vertically upwards)
|
|
||
|
PKB 1552/15/3,50-F GN
Art:
30095.1
Copied
|
3.5 mm
|
15
|
10.4 mm
|
62.5 mm
|
19.1 mm
|
6.75 mm
|
6.75 mm
|
Steel
|
85369010
|
11.94 g
|
90° (vertically upwards)
|
|
||
|
PKB 1550/3.5/16 16P PLUG TERM
Art:
11391.1
Copied
|
3.5 mm
|
16
|
11.1 mm
|
56 mm
|
15.5 mm
|
1.75 mm
|
1.75 mm
|
|
85366990
|
10.81 g
|
0°/180° (horizontal)
|
|
||
|
PKB 1550/3.81/16 16P PLUG TERM
Art:
11410.1
Copied
|
3.81 mm
|
16
|
11.1 mm
|
60.96 mm
|
15.5 mm
|
1.905 mm
|
1.905 mm
|
|
85366990
|
11.3 g
|
0°/180° (horizontal)
|
|
||
|
PKB 1550/16/3,50-F GN
Art:
13731.1
Copied
|
3.5 mm
|
16
|
11.1 mm
|
66.4 mm
|
15.5 mm
|
6.95 mm
|
6.95 mm
|
Steel
|
85366990
|
11.2 g
|
0°/180° (horizontal)
|
|
||
|
PKB 1550/16/3,81-F GN
Art:
13748.1
Copied
|
3.81 mm
|
16
|
11.1 mm
|
70.56 mm
|
15.5 mm
|
6.705 mm
|
6.705 mm
|
Steel
|
85366990
|
11.2 g
|
0°/180° (horizontal)
|
|
||
|
PKB 1551/16/3,50 GN
Art:
30016.1
Copied
|
3.5 mm
|
16
|
10.4 mm
|
56 mm
|
19.1 mm
|
1.75 mm
|
1.75 mm
|
|
85369010
|
12.04 g
|
90° (vertically upwards)
|
|
||
|
PKB 1551/16/3,50-F GN
Art:
30036.1
Copied
|
3.5 mm
|
16
|
10.4 mm
|
66 mm
|
19.1 mm
|
6.75 mm
|
6.75 mm
|
Steel
|
85369010
|
12.67 g
|
90° (vertically upwards)
|
|
||
|
PKB 1552/16/3,50 GN
Art:
30076.1
Copied
|
3.5 mm
|
16
|
10.4 mm
|
56 mm
|
19.1 mm
|
1.75 mm
|
1.75 mm
|
|
85369010
|
12.06 g
|
90° (vertically upwards)
|
|
||
|
PKB 1552/16/3,50-F GN
Art:
30096.1
Copied
|
3.5 mm
|
16
|
10.4 mm
|
66 mm
|
19.1 mm
|
6.75 mm
|
6.75 mm
|
Steel
|
85369010
|
12.67 g
|
90° (vertically upwards)
|
|
||
|
PKB 1550/17/3,50 GN
Art:
11392.1
Copied
|
3.5 mm
|
17
|
11.1 mm
|
59.5 mm
|
15.5 mm
|
1.75 mm
|
1.75 mm
|
|
85366990
|
11.48 g
|
0°/180° (horizontal)
|
|
||
|
PKB 1550/17/3,50-F GN
Art:
13732.1
Copied
|
3.5 mm
|
17
|
11.1 mm
|
69.9 mm
|
15.5 mm
|
6.95 mm
|
6.95 mm
|
Steel
|
85366990
|
11.9 g
|
0°/180° (horizontal)
|
|
||
|
PKB 1551/17/3,50 GN
Art:
30017.1
Copied
|
3.5 mm
|
17
|
10.4 mm
|
59.5 mm
|
19.1 mm
|
1.75 mm
|
1.75 mm
|
|
85369010
|
12.79 g
|
90° (vertically upwards)
|
|
||
|
PKB 1551/17/3,50-F GN
Art:
30037.1
Copied
|
3.5 mm
|
17
|
10.4 mm
|
69.5 mm
|
19.1 mm
|
6.75 mm
|
6.75 mm
|
Steel
|
85369010
|
13.41 g
|
90° (vertically upwards)
|
|
||
|
PKB 1552/17/3,50 GN
Art:
30077.1
Copied
|
3.5 mm
|
17
|
10.4 mm
|
59.5 mm
|
19.1 mm
|
1.75 mm
|
1.75 mm
|
|
85369010
|
12.81 g
|
90° (vertically upwards)
|
|
||
|
PKB 1552/17/3,50-F GN
Art:
30097.1
Copied
|
3.5 mm
|
17
|
10.4 mm
|
69.5 mm
|
19.1 mm
|
6.75 mm
|
6.75 mm
|
Steel
|
85369010
|
13.41 g
|
90° (vertically upwards)
|
|
||
|
PKB 1550/3.5/18 18P PLUG TERM
Art:
11393.1
Copied
|
3.5 mm
|
18
|
11.1 mm
|
63 mm
|
15.5 mm
|
1.75 mm
|
1.75 mm
|
|
85366990
|
12.4 g
|
0°/180° (horizontal)
|
|
||
|
PKB 1550/18/3,50-F GN
Art:
13733.1
Copied
|
3.5 mm
|
18
|
11.1 mm
|
73.4 mm
|
15.5 mm
|
6.95 mm
|
6.95 mm
|
Steel
|
85366990
|
12.6 g
|
0°/180° (horizontal)
|
|
||
|
PKB 1551/18/3,50 GN
Art:
30018.1
Copied
|
3.5 mm
|
18
|
10.4 mm
|
63 mm
|
19.1 mm
|
1.75 mm
|
1.75 mm
|
|
85369010
|
13.54 g
|
90° (vertically upwards)
|
|
||
|
PKB 1551/18/3,50-F GN
Art:
30038.1
Copied
|
3.5 mm
|
18
|
10.4 mm
|
73 mm
|
19.1 mm
|
6.75 mm
|
6.75 mm
|
Steel
|
85369010
|
14.15 g
|
90° (vertically upwards)
|
|
||
|
PKB 1552/18/3,50 GN
Art:
30078.1
Copied
|
3.5 mm
|
18
|
10.4 mm
|
63 mm
|
19.1 mm
|
1.75 mm
|
1.75 mm
|
|
85369010
|
13.56 g
|
90° (vertically upwards)
|
|
||
|
PKB 1552/18/3,50-F GN
Art:
30098.1
Copied
|
3.5 mm
|
18
|
10.4 mm
|
73 mm
|
19.1 mm
|
6.75 mm
|
6.75 mm
|
Steel
|
85369010
|
14.15 g
|
90° (vertically upwards)
|
|
||
|
PKB 1550/19/3,50 GN
Art:
11394.1
Copied
|
3.5 mm
|
19
|
11.1 mm
|
66.5 mm
|
15.5 mm
|
1.75 mm
|
1.75 mm
|
|
85366990
|
12.83 g
|
0°/180° (horizontal)
|
|
||
|
PKB 1550/19/3,50-F GN
Art:
13979.1
Copied
|
3.5 mm
|
19
|
11.1 mm
|
76.9 mm
|
15.5 mm
|
6.95 mm
|
6.95 mm
|
Steel
|
85366990
|
13.3 g
|
0°/180° (horizontal)
|
|
||
|
PKB 1551/19/3,50 GN
Art:
30019.1
Copied
|
3.5 mm
|
19
|
10.4 mm
|
66.5 mm
|
19.1 mm
|
1.75 mm
|
1.75 mm
|
|
85369010
|
14.28 g
|
90° (vertically upwards)
|
|
||
|
PKB 1551/19/3,50-F GN
Art:
30039.1
Copied
|
3.5 mm
|
19
|
10.4 mm
|
76.5 mm
|
19.1 mm
|
6.75 mm
|
6.75 mm
|
Steel
|
85369010
|
14.88 g
|
90° (vertically upwards)
|
|
||
|
PKB 1552/19/3,50 GN
Art:
30079.1
Copied
|
3.5 mm
|
19
|
10.4 mm
|
66.5 mm
|
19.1 mm
|
1.75 mm
|
1.75 mm
|
|
85369010
|
14.32 g
|
90° (vertically upwards)
|
|
||
|
PKB 1552/19/3,50-F GN
Art:
30099.1
Copied
|
3.5 mm
|
19
|
10.4 mm
|
76.5 mm
|
19.1 mm
|
6.75 mm
|
6.75 mm
|
Steel
|
85369010
|
14.88 g
|
90° (vertically upwards)
|
|
||
|
PKB 1550/20/3,50 GN
Art:
11395.1
Copied
|
3.5 mm
|
20
|
11.1 mm
|
70 mm
|
15.5 mm
|
1.75 mm
|
1.75 mm
|
|
85366990
|
13.5 g
|
0°/180° (horizontal)
|
|
||
|
PKB 1550/20/3,50-F GN
Art:
13980.1
Copied
|
3.5 mm
|
20
|
11.1 mm
|
80.4 mm
|
15.5 mm
|
6.95 mm
|
6.95 mm
|
Steel
|
85366990
|
14 g
|
0°/180° (horizontal)
|
|
||
|
PKB 1551/20/3,50 GN
Art:
30020.1
Copied
|
3.5 mm
|
20
|
10.4 mm
|
70 mm
|
19.1 mm
|
1.75 mm
|
1.75 mm
|
|
85369010
|
15.03 g
|
90° (vertically upwards)
|
|
||
|
PKB 1551/20/3,50-F GN
Art:
30040.1
Copied
|
3.5 mm
|
20
|
10.4 mm
|
80 mm
|
19.1 mm
|
6.75 mm
|
6.75 mm
|
Steel
|
85369010
|
15.62 g
|
90° (vertically upwards)
|
|
||
|
PKB 1552/20/3,50 GN
Art:
30080.1
Copied
|
3.5 mm
|
20
|
10.4 mm
|
70 mm
|
19.1 mm
|
1.75 mm
|
1.75 mm
|
|
85369010
|
15.07 g
|
90° (vertically upwards)
|
|
||
|
PKB 1552/20/3,50-F GN
Art:
30100.1
Copied
|
3.5 mm
|
20
|
10.4 mm
|
80 mm
|
19.1 mm
|
6.75 mm
|
6.75 mm
|
Steel
|
85369010
|
15.62 g
|
90° (vertically upwards)
|
|
Select a variant in the list