CONTA-CLIP
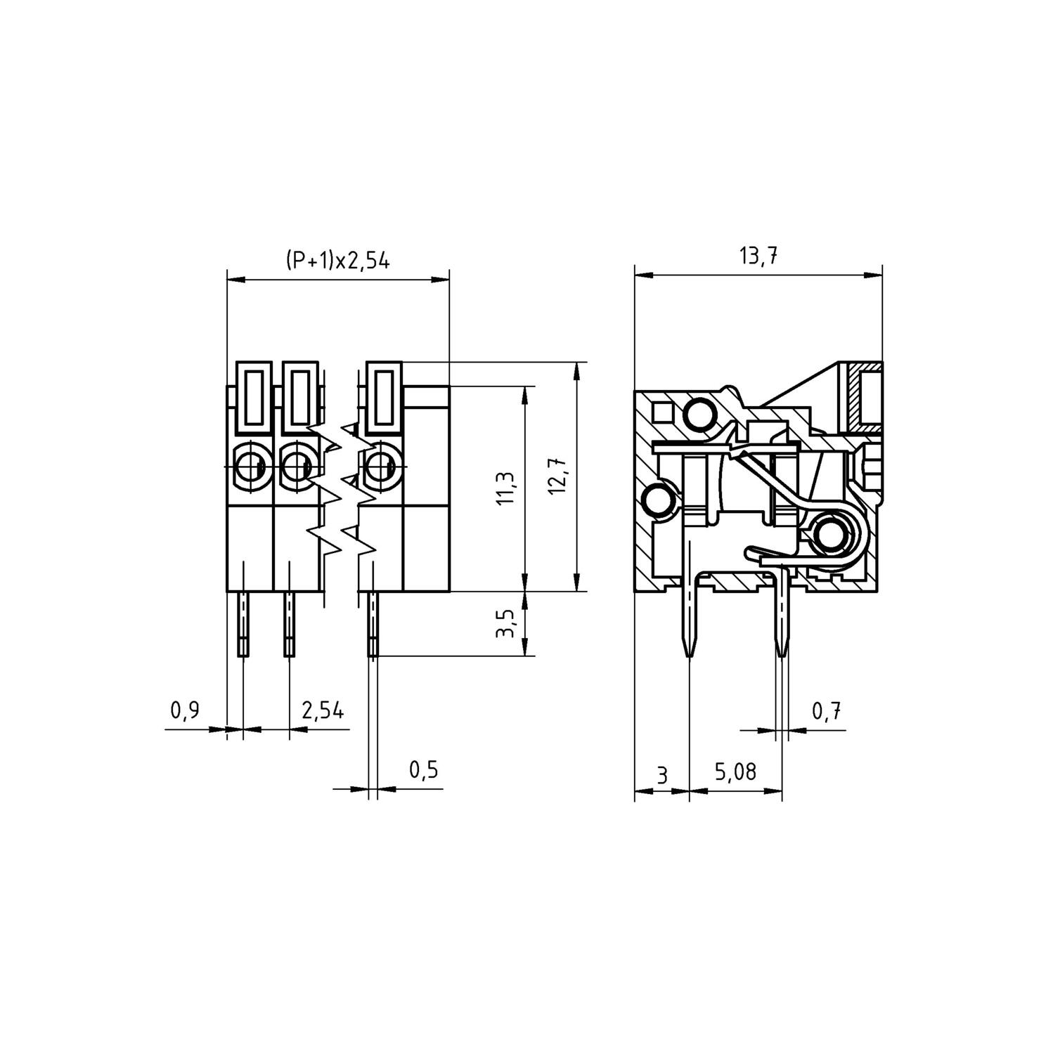
The PBKZ 4791 family comprises single‑level PCB terminal blocks with push‑in (pressure‑spring) connection technology, available in various pole configurations with a 2.54 mm pitch and compact footprint. The contact pins have a diameter of 0.7 mm, require a 1.2 mm drill hole and extend ~3.5 mm for solder connection. Rated for a maximum conductor cross-section of 0.75 mm² (strip length ~10 mm), AWG 26–18 solid or stranded (with ferrules limited to 0.14 mm²). Electrical specifications include 9 A at up to 130 V, impulse voltage resistance of 1.25 kV, contamination class 3, and overvoltage category III. The housing is flame‑retardant PBT (UL 94 V‑0), with CTI rating 600, insulation resistance ≥ 1×10¹³ Ω·cm, glow‑wire ignition rating GWIT 775 °C / GWFI 850 °C, and wave‑soldering capability at 265 °C for 3–4 sec. It supports around 10 connection cycles and operates between –40 °C and +105 °C. Approvals include UL 1059, CSA 22.2 No. 158, and VDE EN 60998 compliance.
The PBKZ 4791 terminal blocks are ideal for space‑constrained PCB assemblies that require fast and reliable wire connections, especially in compact control electronics, signal interfaces, and small‑scale distribution boards. The push‑in design enables tool‑free conductor insertion, simplifying wiring during assembly and reducing potential operator error. They're particularly useful for connecting low‑current signal lines, sensor wiring, or discrete I/O lines in automation, industrial control cabinets, or test equipment, where quick installation and compact layout are priorities. The high flame‑resistance, insulation durability, and global safety approvals also make the PBKZ 4791 suitable for certified electronic modules, embedded controllers, or PCB-mounted relays in machinery and building‑automation systems.
General Data |
|
|---|---|
| Type | PCB terminal |
| Pitch | 2.54 mm |
| Colour | Green |
| Number of poles | 2 |
| Approvals | UL, cUL, VDE |
Ratings |
|
| Rated current | 9 A |
| Rated voltage | 130 V |
| Rated cross section | 0.75 mm² |
| Rated impulse voltage | 1.25 kV |
| Overvoltage category | III |
| Contamination degree | 3 |
Dimensions |
|
| Length | 12.6 mm |
| Width | 7.62 mm |
| Height | 13.6 mm |
| Width left | 0.9 mm |
| Width right | 4.18 mm |
| Drillhole diameter | 1.2 mm |
| Diameter of the connection pin | 0.7 mm |
| Length of pin | 3.5 mm |
Connection Data |
|
| Connector type/principle | Push-in |
| Number of levels | 1 |
| Angle of PCB/wire connection | 0°/180° (horizontal) |
| Type of attachment to PCB | Solder |
| Electrical connection type to PCB | Connecting contact |
| Cross section single wire from | 0.14 mm² |
| Cross section single wire to | 0.75 mm² |
| Cross section stranded wire from | 0.14 mm² |
| Cross section stranded with ferrule to | 0.14 mm² |
| Cross section stranded wire to | 0.75 mm² |
| Cross section stranded with ferrule from | 0.14 mm² |
| Rated wire cross section to (AWG) | 18 |
| Rated wire cross section from (AWG) | 26 |
*Invisible Heading* |
|
|---|---|
| Stripping length | 10 mm |
Materials |
|
| Housing material | Polybutylene terephthalate |
| Flammability class | UL94-V0 |
| Operating temperature from | -30 °C |
| Operating temperature to | 105 °C |
| Terminal spring | Stainless steel |
| Solder lug | Brass |
Approvals |
|
| UL test standard | UL 1059 |
| Rated voltage UL | 150 V |
| Rated current UL | 6 A |
| cUL test standard | CSA 22.2 No.158 |
| Rated voltage cUL | 150 V |
| Rated current cUL | 6 A |
| VDE test standard | DIN EN 60998 |
| Rated voltage VDE | 130 V |
| Rated current VDE | 9 A |
| Recommended wave solder duration max | 4 s |
| Recommended wave solder duration min | 3 s |
| Recommended wave soldering temperature | 265 °C |
| Tariff code | 85369010 |
| Pack size | 50 |
| Weight | 1.35 g |
| Connection cycles acc. to standard | 10 |
| Country of origin | QU |
| Current creepage resistance | CTI 600 |
| Glow wire flammability index (GWFI) | GWFI 850 |
| Glow wire ignition temperature (GWIT) | GWIT 775 |
| GWFI after-glow time | 30 s |
| GWIT exposure time | 5 s |
| Insulation resistance | 1*10^13 Ω x cm |
The PBKZ 4791 family comprises single‑level PCB terminal blocks with push‑in (pressure‑spring) connection technology, available in various pole configurations with a 2.54 mm pitch and compact footprint. The contact pins have a diameter of 0.7 mm, require a 1.2 mm drill hole and extend ~3.5 mm for solder connection. Rated for a maximum conductor cross-section of 0.75 mm² (strip length ~10 mm), AWG 26–18 solid or stranded (with ferrules limited to 0.14 mm²). Electrical specifications include 9 A at up to 130 V, impulse voltage resistance of 1.25 kV, contamination class 3, and overvoltage category III. The housing is flame‑retardant PBT (UL 94 V‑0), with CTI rating 600, insulation resistance ≥ 1×10¹³ Ω·cm, glow‑wire ignition rating GWIT 775 °C / GWFI 850 °C, and wave‑soldering capability at 265 °C for 3–4 sec. It supports around 10 connection cycles and operates between –40 °C and +105 °C. Approvals include UL 1059, CSA 22.2 No. 158, and VDE EN 60998 compliance.
The PBKZ 4791 terminal blocks are ideal for space‑constrained PCB assemblies that require fast and reliable wire connections, especially in compact control electronics, signal interfaces, and small‑scale distribution boards. The push‑in design enables tool‑free conductor insertion, simplifying wiring during assembly and reducing potential operator error. They're particularly useful for connecting low‑current signal lines, sensor wiring, or discrete I/O lines in automation, industrial control cabinets, or test equipment, where quick installation and compact layout are priorities. The high flame‑resistance, insulation durability, and global safety approvals also make the PBKZ 4791 suitable for certified electronic modules, embedded controllers, or PCB-mounted relays in machinery and building‑automation systems.
Have you ever wondered if there's any difference between cable coils and cable reels?
Our cable experts take you through the advantages of using cable coils.
What tri-rated cable are you currently using? Does the product or service you receive leave you wanting more? It’s time to ask the question. Because now, you’ve got options.
This innovative push-in connection system enables time savings of up to 50%, whether you're wiring control panels or managing complex installations
Solar energy has become a pillar of the global energy transition. The experts at OEM Automatic have broken down the role of photovoltaic fuses and their contribution to solar systems, as well as, how to choose the right solution for you.
Ultra fast-acting fuse links engineered specifically to shield delicate semiconductor devices.
Do you need reliable protection for measuring and control equipment? DEHN YellowLine delivers voltage surge protection tailored for building, measuring, and control systems
|
|
|
|
|
|
||
|---|---|---|---|---|---|---|
|
|
|
|
|
|
||
|
|
|
|
|
|
||
|
|
|
|
|
|
||
|
|
|
|
|
|
||
|
|
|
|
|
|
||
|
|
|
|
|
|
| Parts | Number of poles | Width | Angle of PCB/wire connection | Weight | Price | ||
|---|---|---|---|---|---|---|---|
|
PBKZ 4791/2/2,54-H-KD GN
Art:
14612.1
Copied
|
2
|
7.62 mm
|
0°/180° (horizontal)
|
1.35 g
|
|
||
|
PBKZ 4791/2/2,54-V-KD GN
Art:
14592.1
Copied
|
2
|
7.62 mm
|
90° (vertically upwards)
|
1.35 g
|
|
||
|
PBKZ 4791/3/2,54-H-KD GN
Art:
14613.1
Copied
|
3
|
10.16 mm
|
0°/180° (horizontal)
|
1.88 g
|
|
||
|
PBKZ 4791/3/2,54-V-KD GN
Art:
14593.1
Copied
|
3
|
10.16 mm
|
90° (vertically upwards)
|
1.88 g
|
|
||
|
PBKZ 4791/4/2,54-H-KD GN
Art:
14614.1
Copied
|
4
|
12.7 mm
|
0°/180° (horizontal)
|
2.39 g
|
|
||
|
PBKZ 4791/4/2,54-V-KD GN
Art:
14594.1
Copied
|
4
|
12.7 mm
|
90° (vertically upwards)
|
2.39 g
|
|
||
|
PBKZ 4791/5/2,54-H-KD GN
Art:
14615.1
Copied
|
5
|
15.24 mm
|
0°/180° (horizontal)
|
2.92 g
|
|
||
|
PBKZ 4791/5/2,54-V-KD GN
Art:
14595.1
Copied
|
5
|
15.24 mm
|
90° (vertically upwards)
|
2.92 g
|
|
||
|
PBKZ 4791/6/2,54-H-KD GN
Art:
14616.1
Copied
|
6
|
17.78 mm
|
0°/180° (horizontal)
|
3.47 g
|
|
||
|
PBKZ 4791/6/2,54-V-KD GN
Art:
14596.1
Copied
|
6
|
17.78 mm
|
90° (vertically upwards)
|
3.47 g
|
|
||
|
PBKZ 4791/7/2,54-H-KD GN
Art:
14617.1
Copied
|
7
|
20.32 mm
|
0°/180° (horizontal)
|
3.96 g
|
|
||
|
PBKZ 4791/7/2,54-V-KD GN
Art:
14597.1
Copied
|
7
|
20.32 mm
|
90° (vertically upwards)
|
3.96 g
|
|
||
|
PBKZ 4791/8/2,54-H-KD GN
Art:
14618.1
Copied
|
8
|
22.86 mm
|
0°/180° (horizontal)
|
4.48 g
|
|
||
|
PBKZ 4791/8/2,54-V-KD GN
Art:
14598.1
Copied
|
8
|
22.86 mm
|
90° (vertically upwards)
|
4.48 g
|
|
||
|
PBKZ 4791/9/2,54-H-KD GN
Art:
14619.1
Copied
|
9
|
25.4 mm
|
0°/180° (horizontal)
|
5.03 g
|
|
||
|
PBKZ 4791/9/2,54-V-KD GN
Art:
14599.1
Copied
|
9
|
25.4 mm
|
90° (vertically upwards)
|
5.03 g
|
|
||
|
PBKZ 4791/10/2,54-H-KD GN
Art:
14620.1
Copied
|
10
|
27.94 mm
|
0°/180° (horizontal)
|
5.55 g
|
|
||
|
PBKZ 4791/10/2,54-V-KD GN
Art:
14600.1
Copied
|
10
|
27.94 mm
|
90° (vertically upwards)
|
5.55 g
|
|
||
|
PBKZ 4791/11/2,54-H-KD GN
Art:
14621.1
Copied
|
11
|
30.48 mm
|
0°/180° (horizontal)
|
6.13 g
|
|
||
|
PBKZ 4791/11/2,54-V-KD GN
Art:
14601.1
Copied
|
11
|
30.48 mm
|
90° (vertically upwards)
|
6.13 g
|
|
||
|
PBKZ 4791/12/2,54-H-KD GN
Art:
14622.1
Copied
|
12
|
33.02 mm
|
0°/180° (horizontal)
|
6.68 g
|
|
||
|
PBKZ 4791/12/2,54-V-KD GN
Art:
14602.1
Copied
|
12
|
33.02 mm
|
90° (vertically upwards)
|
6.68 g
|
|
Select a variant in the list