ELECTROMEN

Electromen - EM-206 BLDC motor 4Q drive 12-36 V dc, 10 A

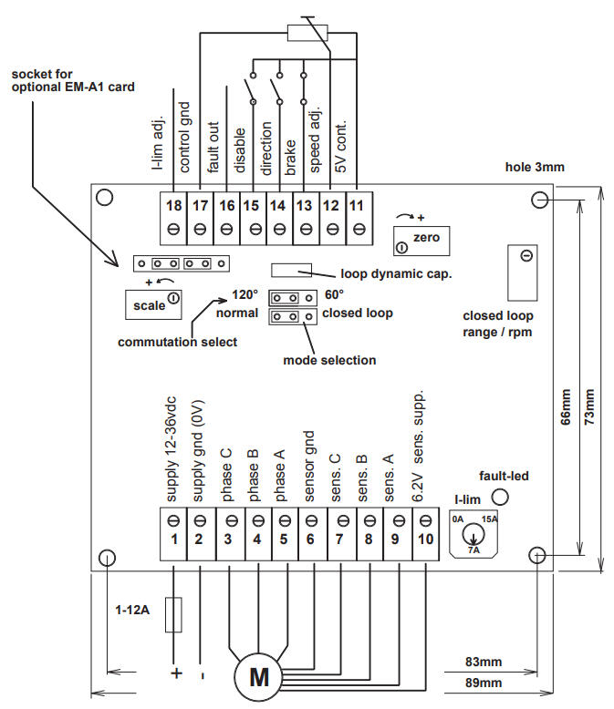
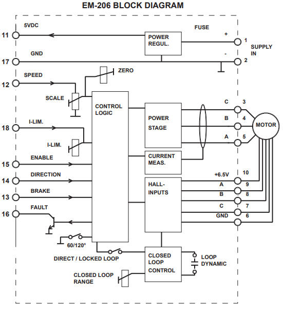
EM-206 is a DC-motor controller that is designed for brushless motors with hall sensor feedback. The unit has a mosfet-type high efficiency power stage. EM-206 can be connected to motors using 60º or 120º commutation. The unit is equipped with standard controls, such as speed, stop, reversing and braking. Mechanical installation can be done with screws or by using a rail mounting base.

There are two control options. Direct control (open loop) sets motor voltage in proportion to control voltage, as with a standard DC-motor. Frequency locked control (closed loop) uses hall sensor feedback for speed set besides commutation set. This way a precise speed control is attained. Closed loop response can be altered so that the adjustment remains stabile in given application. Speed control signal can be scaled with trimmers.

Current limit restricts motor torque when motor current exceeds set value. Current limit can be set with a trimmer or with external signal. Fault output indicates the operation of the current limit. EM-206 is protected against surge voltage and overheating (excess load). The unit requires an external fuse.

As an option, EM-A1 expansion card can be installed, this makes it possible to control EM-206 with ±10V signal.

 

FEATURES:

• Three phase output

• Continuous speed adjustment

• Reversing

• Braking

• ±10V control option

• Hall sensor supply and input

• 60º or 120º commutation

• Settable / controllable current limit

• Fault output

• Open or closed loop activity

• High efficiency

• Rail base mountable

Read more
  • 12-36 V dc, 10 A continuous, 15 A peak
  • Open & closed loop (hall sensor feedback) control operation
  • Speed, direction, current limiting, soft start/stop and braking control
  • Compact, din rail mountable
  • EM-A1 card slot option for symmetrical control ±10V (rev-stop-fwd)

Selected variant

Available in several variants

Selected variant

Technical data

Analogue input 0-5V or 0-10V or +/-0-10V
Control type Braking, Direction, Speed, Torque
Current setting range 0-15 A
Dimensions length x width x height 89x73x25mm
Logic input high >3V = ON
Logic input low <1V = OFF
Max continuous current 10 A
Mounting DIN rail
Peak current 15
Suitable engine BLDC
Supplier Electromen
Supply voltage 12 V DC, 24 V DC, 36 V DC
Weight 130 g

Downloads

Measurements and connections

Product description

EM-206 is a DC-motor controller that is designed for brushless motors with hall sensor feedback. The unit has a mosfet-type high efficiency power stage. EM-206 can be connected to motors using 60º or 120º commutation. The unit is equipped with standard controls, such as speed, stop, reversing and braking. Mechanical installation can be done with screws or by using a rail mounting base.

There are two control options. Direct control (open loop) sets motor voltage in proportion to control voltage, as with a standard DC-motor. Frequency locked control (closed loop) uses hall sensor feedback for speed set besides commutation set. This way a precise speed control is attained. Closed loop response can be altered so that the adjustment remains stabile in given application. Speed control signal can be scaled with trimmers.

Current limit restricts motor torque when motor current exceeds set value. Current limit can be set with a trimmer or with external signal. Fault output indicates the operation of the current limit. EM-206 is protected against surge voltage and overheating (excess load). The unit requires an external fuse.

As an option, EM-A1 expansion card can be installed, this makes it possible to control EM-206 with ±10V signal.

 

FEATURES:

• Three phase output

• Continuous speed adjustment

• Reversing

• Braking

• ±10V control option

• Hall sensor supply and input

• 60º or 120º commutation

• Settable / controllable current limit

• Fault output

• Open or closed loop activity

• High efficiency

• Rail base mountable

Accessories

Related

synchronous motors
Product news Blog

Synchronous Motors

Do you have a light duty motor requirement requiring a very stable output rpm ? If so, Crouzet synchronous motors are could well provide you ideal solution…

IATECH, the industrial automation technology exhibition OEM automatic
Company news

Recap of IATECH

Did you get a chance to visit IATECH at The Leicester Marriott Hotel? We had over 33 exhibitors and 8 fantastic Tech Talks throughout the day, Read all about the day, here.

IATECH industrial automation components exhibition in at leicester marriott hotel by OEM Automatic
Company news

OEM introduces IATECH - The Industrial Automation Technology Expo

We are thrilled to announce the launch of IATECH, THe Industrial Automation Technology expo at Leicester Marriott Hotel on 23rd October. The ultimate platform for showcasing our extensive product range and broad business areas, featuring over 50 leading suppliers under one roof!

automation components for specialist vehicles
Blog

Automation Components for Specialist Vehicles

The specialist vehicle industry can include automotive and EV, heavy vehicles such as agriculture and rail, and marine.  This email takes you through some of the various products we offer for specialist vehicle applications.

Drive wheels AGV's AMR'S
Product news Blog

Wheel motor drives for AGVs

AGV drive wheel motors cover a wide range of options – from a miniature unit on a small 20kg robot, tasked to move on a perfectly level and smooth indoor surface, up to passenger vehicle-sized robots working outside over fields and varying terrain.

electro pneumatic control box customised bespoke solutions
Case studies

Case Study - Electro Pneumatic Control Box

At OEM Automatic, we can supply a series of components for your one project. All under one roof. This case study discusses how we supplied several components for our customer's new electro-pneumatic control box. 

Parts Current setting range Max continuous current Peak current Supply voltage Price
0-15 A
10 A
15
12 V DC, 24 V DC, 36 V DC
0-8 A
5 A
7
24 V DC, 36 V DC, 48 V DC, 56 V DC

Selected variant

Select a variant in the list

Contact us
If you need any help, you can contact us in one of the following ways:
0116 284 9900
Send e-mail
Use live chat
Do you need help?
Logo

Cookie settings for OEM.CO.UK

Cookies help us improve your experience with us, so in order to be able to handle login information, offer you personalised content and for basic functionality of this website, we use some cookies.

We will never sell on any information about you. 

You can accept all cookies or personalise your cookies preferences, you can also change your cookie preferences at any time by visiting our contact page.

Necessary Cookies

These cookies are necessary for the website to work and can not be turned off in our systems. They are usually used only in response to actions you have taken in connection with a service request, for example when setting personal preferences, logging in or filling out a form.

Analysis and measurement cookies

These cookies allow us to count the number of visits and traffic sources so that we can measure and improve our website performance. They help us know which pages are more or less popular and how visitors navigate around the site. The information that these cookies collect is aggregated and therefore completely anonymous. If you do not allow these cookies, we do not know when you have visited our website.

Marketing cookies

These cookies can be added by our partners. They can use them to create a profile of you, based on your interests, to show you more relevant information. They do not store any personal information - only information about your browser and device. If you do not accept these cookies, you will have a more general and less customized user experience.