IDEM

IDEM - Non-contact RFID switches LPF

Non-contact switch LPF with RFID made of plastic (polyester) with high tolerance, which is suitable for all industrial applications. The switch is resistant to pressure washing. LPF with RFID has IP69K protection.

The LPF switch with RFID has 2NC 1NO semiconductor outputs.

Read more
  • Switching range - 14 mm
  • RFID - coding
  • No dedicated controller
  • LED indicator
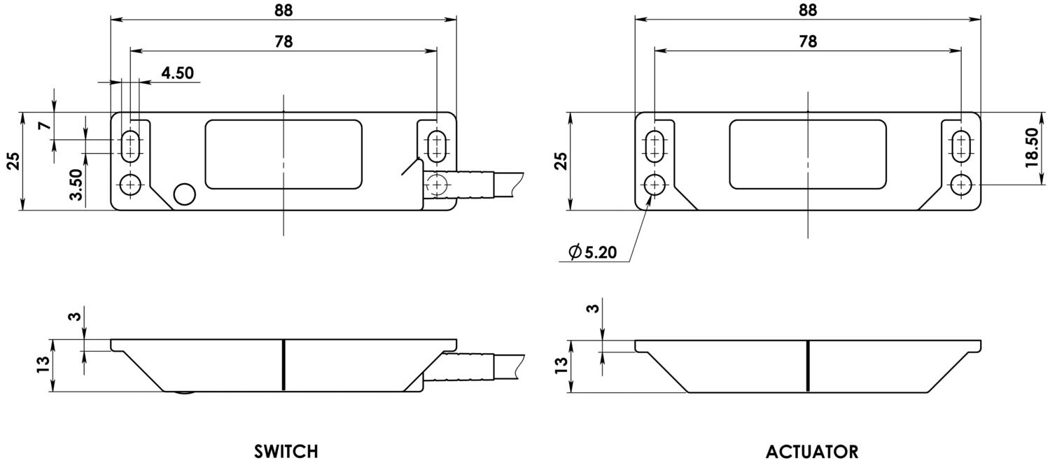
  • Dimensions 88 mm x 25 mm

Selected variant

Available in several variants

Selected variant

Technical data

Approvals ISO 13849-1, ISO 14119, EN60204-1, EN62061, EN60947-5-3, UL 508
Cable length 2 m
Cable type PVC 6 or 8 core 6mm OD conductorsa 0.25²
Coding Uniquely coded
Conductor size 0.25 mm²
Contact rating max 24Vdc 0.2A
Contact type 2NC safety outputs shorts circuit protected, 1NO auxiliary output for indication of door open
Contacts 2NC 1NO
Housing material Polyester
Integrated LED indication Yes
IP class IP67
Mechanical reliability B10d No mechanical parts implemented
Mounting 2 x M4
MTTFd 1100a
Operating temperature -25°C ... +80°C
PL e acc. ISO13849-1
Recommended mounting gap 5 mm
Safety category 4
SIL 3 acc. IEC62061
Switching current min 10Vdc 1mA
Switching distance Sao 10mm close, Sar 20mm open
Switching frequency max 1.0Hz maximum

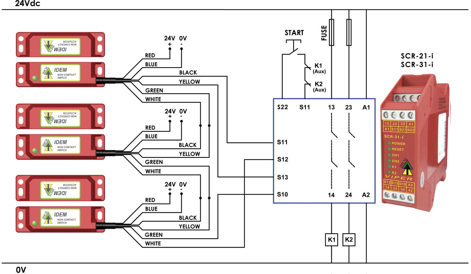
Measurements and connections

Technical illustrations

Product description

Non-contact switch LPF with RFID made of plastic (polyester) with high tolerance, which is suitable for all industrial applications. The switch is resistant to pressure washing. LPF with RFID has IP69K protection.

The LPF switch with RFID has 2NC 1NO semiconductor outputs.

Accessories

Related

Parts Cable length Coding Price
2 m
Uniquely coded
5 m
Uniquely coded
10 m
Uniquely coded
0.25 m
Uniquely coded
2 m
Master coded
5 m
Master coded
10 m
Master coded
0.25 m
Master coded

Selected variant

Select a variant in the list

Contact us
If you need any help, you can contact us in one of the following ways:
0116 284 9900
Send e-mail
Use live chat
Do you need help?
Logo

Cookie settings for OEM.CO.UK

Cookies help us improve your experience with us, so in order to be able to handle login information, offer you personalised content and for basic functionality of this website, we use some cookies.

We will never sell on any information about you. 

You can accept all cookies or personalise your cookies preferences, you can also change your cookie preferences at any time by visiting our contact page.

Necessary Cookies

These cookies are necessary for the website to work and can not be turned off in our systems. They are usually used only in response to actions you have taken in connection with a service request, for example when setting personal preferences, logging in or filling out a form.

Analysis and measurement cookies

These cookies allow us to count the number of visits and traffic sources so that we can measure and improve our website performance. They help us know which pages are more or less popular and how visitors navigate around the site. The information that these cookies collect is aggregated and therefore completely anonymous. If you do not allow these cookies, we do not know when you have visited our website.

Marketing cookies

These cookies can be added by our partners. They can use them to create a profile of you, based on your interests, to show you more relevant information. They do not store any personal information - only information about your browser and device. If you do not accept these cookies, you will have a more general and less customized user experience.