CROUZET SWITCHES

Crouzet Switches - Series 83589 for tough environments

This switch has been specially developed to operate in tough and dirty environments. An O-ring placed around the button prevents dirt from penetrating and the button sticking down.

Read more
  • Embedded cable for IP67
  • Broad temperature range -40 °C to + 80 °C
  • Protective O-ring round the button to prevent dirt
  • Gold-plated contacts for low voltages/currents

Selected variant

Crouzet limit switch 83589

LIMIT SWITCH 0.5M LEAD

Art:

Selected variant

Technical data

Actuation force min 10 N
Cable length 500 mm
Contact type Changeover (SPDT)
IP class IP66
Operating power total min 15 N
Rated current at 250 V ac 8 A
Switching point 2 mm
Temperature operational max 85 °C
Temperature operational min -40 °C

Measurements and connections

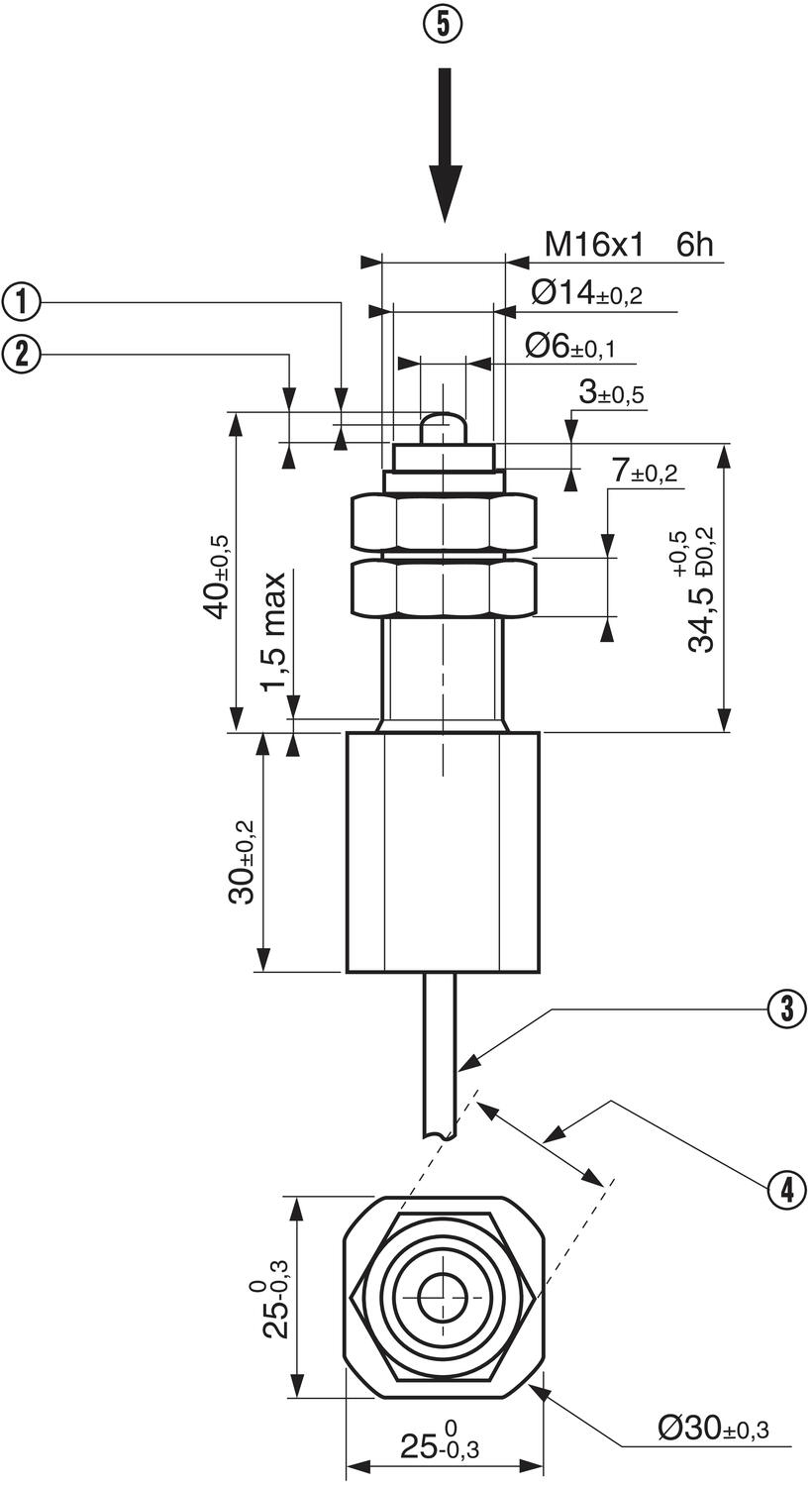
Dimensions 83 589.

1 Operating point 2 mm from standby
2 Total movement 4.5 mm
3 Cable Ø5 - 3x0.75 mm2
4 Width 21 mm
5 Angle of impact

Connection series 83 589.

Product description

This switch has been specially developed to operate in tough and dirty environments. An O-ring placed around the button prevents dirt from penetrating and the button sticking down.

Accessories

Related

Learn more about radar systems - discover inxpects certified safety radar system
Learning hub

Discover safety radar sensors

Learn more about Inxpect radar systems. The worlds first SIL 2/PL d certified, radar-based safety system for use around hazardous machinery.

Signal lights auer
Product news

Signal Lights For You

New signal lights from Auer Signal are now available! The first products to be launched in this series are the Smart Dot 50 in the Basic and Standard versions, as well as the Smart Indicator 50 in the Basic version. 

Kubler slip rings encoders
Blog Product news

Optimise your production line with sensors

Optimise your production line with encoders, inclinometers, displays and slip rings

hokuyu
Product news

The Smallest Safety Laser Scanner on the market by Hokuyo

Designed for high-performance safety applications such as material handling, conveyors, robotics, and system integration. OEM Automatic is excited to announce its latest supplier partnership with Hokuyo

contaclip kds sr90
Product news

Every angle covered with 90 degree cable entry system

Engineers and technicians are seeking solutions that streamline assembly whilst maintaining high levels of protection and flexibility. KDS-SR90 angled screw frames and inlays bring a new level of efficiency to cable routing with a unique 90° entry design.

bespoke solutions electricity meter control boxes
Case studies

Control Box Assembly for Industrial Electricity Metering - A case study

Here, our customer requires control boxes for electricity metering systems. We leveraged our expertise to deliver easy-to-install, ready-to-use assemblies. We look forward to creating more of these bespoke control boxes for our customer.

Contact us
If you need any help, you can contact us in one of the following ways:
0116 284 9900
Send e-mail
Use live chat
Do you need help?
Logo

Cookie settings for OEM.CO.UK

Cookies help us improve your experience with us, so in order to be able to handle login information, offer you personalised content and for basic functionality of this website, we use some cookies.

We will never sell on any information about you. 

You can accept all cookies or personalise your cookies preferences, you can also change your cookie preferences at any time by visiting our contact page.

Necessary Cookies

These cookies are necessary for the website to work and can not be turned off in our systems. They are usually used only in response to actions you have taken in connection with a service request, for example when setting personal preferences, logging in or filling out a form.

Analysis and measurement cookies

These cookies allow us to count the number of visits and traffic sources so that we can measure and improve our website performance. They help us know which pages are more or less popular and how visitors navigate around the site. The information that these cookies collect is aggregated and therefore completely anonymous. If you do not allow these cookies, we do not know when you have visited our website.

Marketing cookies

These cookies can be added by our partners. They can use them to create a profile of you, based on your interests, to show you more relevant information. They do not store any personal information - only information about your browser and device. If you do not accept these cookies, you will have a more general and less customized user experience.