IDEM
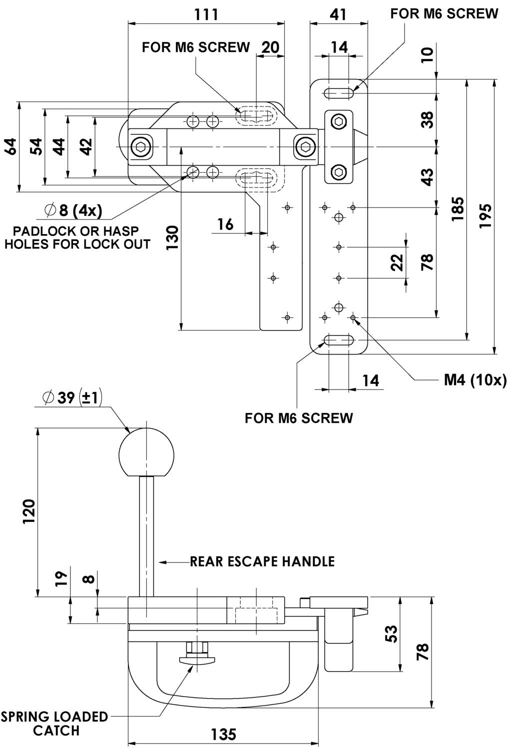
The interlock for GBN-1 contactless switches can be installed, for example, in gates to prevent the machine from starting when the operator is in the middle. Operation can use up to 4 padlocks and prevent activation of the switch by moving the handle. Non-contact switches are mounted on an aluminum plate to ensure maximum range.
The lock is intended for use with coded switches: SPC, SMC, SMC-H, LPC, LMC; magnetic SPR, SMR, SMR-H, LPR, LMR as well as RFID: SPF-RFID, LPF-RFID, LPZ-RFID.
| Mounting | 4 x M6 | 
|---|
The interlock for GBN-1 contactless switches can be installed, for example, in gates to prevent the machine from starting when the operator is in the middle. Operation can use up to 4 padlocks and prevent activation of the switch by moving the handle. Non-contact switches are mounted on an aluminum plate to ensure maximum range.
The lock is intended for use with coded switches: SPC, SMC, SMC-H, LPC, LMC; magnetic SPR, SMR, SMR-H, LPR, LMR as well as RFID: SPF-RFID, LPF-RFID, LPZ-RFID.
 
              Discover how fault masking is compromising the safety of your workplace and find out how OEM Automatic can help you to prevent it completely. Creating a safe and secure work environment.
 
              Learn more about Inxpect radar systems. The worlds first SIL 2/PL d certified, radar-based safety system for use around hazardous machinery.
 
              Whether you're working with opaque materials or transparent items like glass or plastic, these sensors deliver reliable performance across a wide range of applications.
 
              OEM Automatics Safety Experts guide you through the process of setting up your light curtains & barriers, to protect your people and equipment.
 
              Ultra fast-acting fuse links engineered specifically to shield delicate semiconductor devices.
 
              New signal lights from Auer Signal are now available! The first products to be launched in this series are the Smart Dot 50 in the Basic and Standard versions, as well as the Smart Indicator 50 in the Basic version.
|  |  |  |  |  | ||
|---|---|---|---|---|---|---|
|  |  |  |  |  | ||
|  |  |  |  |  | ||
|  |  |  |  |  | ||
|  |  |  |  |  | ||
|  |  |  |  |  | ||
|  |  |  |  |  | 
| Parts | Price | ||
|---|---|---|---|
|   
      
        GBN-1 (gate bolt, non-contact) Left
      
      
       
        Art:
         
          
            210007
          
          Copied
         |  | ||
|   
      
        GBN-1 (gate bolt, non-contact) Right
      
      
       
        Art:
         
          
            210008
          
          Copied
         |  | 
Select a variant in the list