IDEM
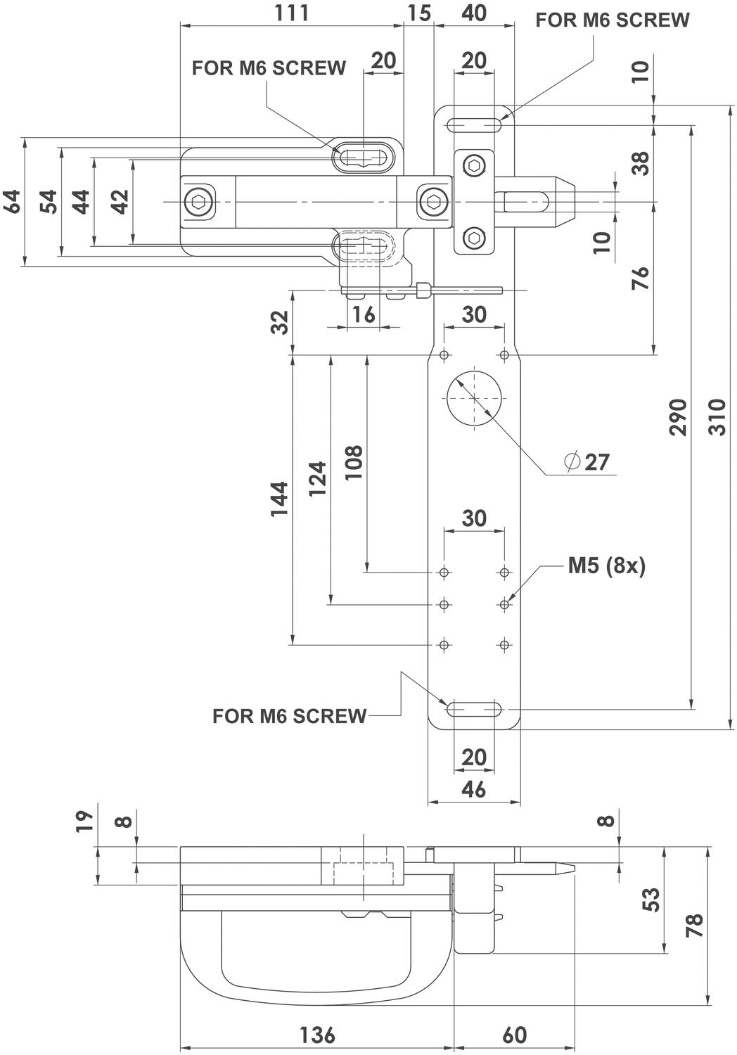
The interlock for key switches GBL-1 or GBA-1 can be mounted on hinged or sliding gates to prevent the machine from starting when the operator is in the middle. It is available in two sizes for smaller and larger circuit breakers and with a handle mounted on the left or right side. Optionally, an escape release lever can be used for key or locking switches. If an escape release lever is used, the locking switches must have a mechanical release (RR) function.
The lock is designed for use with KM key switches and with interlock switches: KLP, KLM, KLM-RR, KL4-SS.
| Mounting | 4 x M6 | 
|---|---|
| Weight | 1870 g | 
The interlock for key switches GBL-1 or GBA-1 can be mounted on hinged or sliding gates to prevent the machine from starting when the operator is in the middle. It is available in two sizes for smaller and larger circuit breakers and with a handle mounted on the left or right side. Optionally, an escape release lever can be used for key or locking switches. If an escape release lever is used, the locking switches must have a mechanical release (RR) function.
The lock is designed for use with KM key switches and with interlock switches: KLP, KLM, KLM-RR, KL4-SS.
 
              Discover how fault masking is compromising the safety of your workplace and find out how OEM Automatic can help you to prevent it completely. Creating a safe and secure work environment.
 
              Learn more about Inxpect radar systems. The worlds first SIL 2/PL d certified, radar-based safety system for use around hazardous machinery.
 
              Whether you're working with opaque materials or transparent items like glass or plastic, these sensors deliver reliable performance across a wide range of applications.
 
              OEM Automatics Safety Experts guide you through the process of setting up your light curtains & barriers, to protect your people and equipment.
 
              Ultra fast-acting fuse links engineered specifically to shield delicate semiconductor devices.
 
              New signal lights from Auer Signal are now available! The first products to be launched in this series are the Smart Dot 50 in the Basic and Standard versions, as well as the Smart Indicator 50 in the Basic version.Â
|  |  |  |  |  | ||
|---|---|---|---|---|---|---|
|  |  |  |  |  | ||
|  |  |  |  |  | ||
|  |  |  |  |  | ||
|  |  |  |  |  | ||
|  |  |  |  |  | ||
|  |  |  |  |  | 
| Parts | Weight | Price | ||
|---|---|---|---|---|
|   
      
        GBL-1 Gate Bolt Lock Left Hand (KLP KLM KL4-SS)
      
      
       
        Art:
         
          
            210001
          
          Copied
         | 
            1870 g
            
            
           |  | ||
|   
      
        GBL-1 Gate Bolt Lock Right Hand (KLP KLM KL4-SS)
      
      
       
        Art:
         
          
            210002
          
          Copied
         | 
            1870 g
            
            
           |  | ||
|   
      
        GBA-1 Gate Bolt Tongue Left Hand (KM)
      
      
       
        Art:
         
          
            210003
          
          Copied
         | 
            1705 g
            
            
           |  | ||
|   
      
        GBA-1 Gate Bolt Tongue Right Hand (KM)
      
      
       
        Art:
         
          
            210004
          
          Copied
         | 
            1705 g
            
            
           |  | 
Select a variant in the list