KÜBLER
Thanks to its robust design, wide temperature range, and IP67 rating, the C100 series fits well in demanding applications. The C100 can be equipped with analog, incremental, relay and switched outputs, and even with built-in inclinometers together with CANopen communication.
It is also possible to order the C100 series with redundancy.
The measuring range may range from 1m up to 5m.
Thanks to its robust design, wide temperature range, and IP67 rating, the C100 series fits well in demanding applications. The C100 can be equipped with analog, incremental, relay and switched outputs, and even with built-in inclinometers together with CANopen communication.
It is also possible to order the C100 series with redundancy.
The measuring range may range from 1m up to 5m.
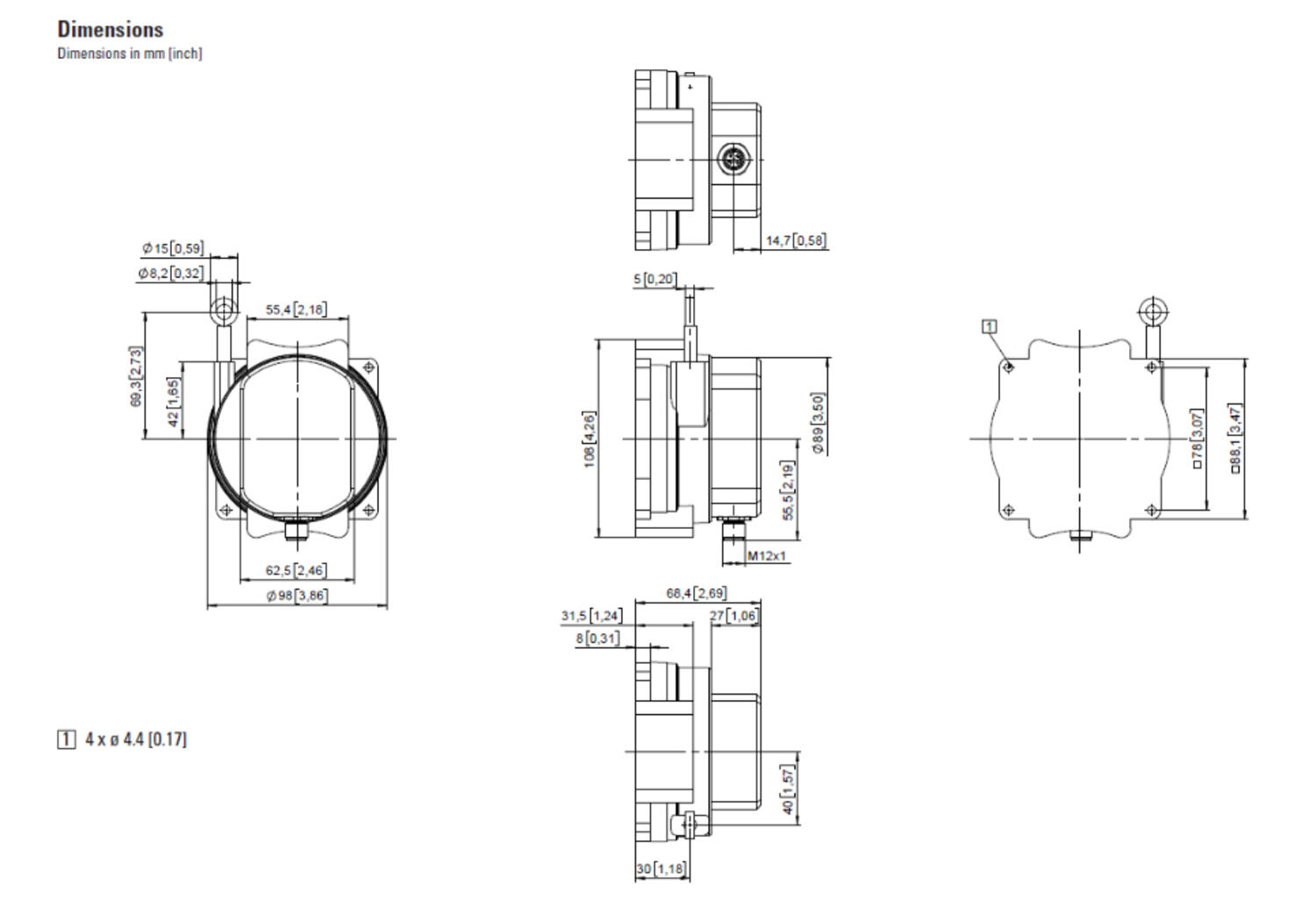
Please refer to the images below for ordering information.





Learn more about Inxpect radar systems. The worlds first SIL 2/PL d certified, radar-based safety system for use around hazardous machinery.
New signal lights from Auer Signal are now available! The first products to be launched in this series are the Smart Dot 50 in the Basic and Standard versions, as well as the Smart Indicator 50 in the Basic version.
Optimise your production line with encoders, inclinometers, displays and slip rings
Designed for high-performance safety applications such as material handling, conveyors, robotics, and system integration. OEM Automatic is excited to announce its latest supplier partnership with Hokuyo
Engineers and technicians are seeking solutions that streamline assembly whilst maintaining high levels of protection and flexibility. KDS-SR90 angled screw frames and inlays bring a new level of efficiency to cable routing with a unique 90° entry design.
Here, our customer requires control boxes for electricity metering systems. We leveraged our expertise to deliver easy-to-install, ready-to-use assemblies. We look forward to creating more of these bespoke control boxes for our customer.