LUMEL

Lumel RP1 single phase power controller

The RP1 power controller is ideal for automatic temperature control systems in electro thermal devices.

It can be used in with resistance or inductive loads and resistance loads with a high temperature resistance coefficient.

The RP1 power controller is a contactless power energy electronic device which includes a thyristor connector and electronic gate trigger system (GTS).

This power controller allows to change the power delivered from the a.c. voltage source to the electric energy load in the function of the analog or pulse driving signal value.

The system of two or three power controllers can be applied in three-phase actuators.

Kind of control:
• On/Off control
• pulse control: fast cycle, slow cycle
• phase control

Maximal current output:
• 25A, 40A, 70A, 125A

Additional functions:
• load current limitation
• trigger deceleration of soft start type
• control of the initial trigger angle value
• control of the input line amplification
• trigger stoppage by an external signal
• supervising and signalling of current in the load circuit
• output U = f(Io)
• supervising of the radiator temperature
• overload signalling
• signalling of the fuse damage
• Output of "Master/Slave” type
• relay outputs

External dimensions:
135 x 231 x 199mm

 

Read more
  • Contactless power switching on
  • Output current up to 125 A
  • Alarming relay outputs
  • Control by an impulse, analogue or potentiometer signal
Lumel RP1 single phase power controller

316169_877.jpg

Ordering Code

Selected variant

Available in several variants

Selected variant

Technical data

Dimensions 135 x 201 x 199 mm
IP class IP20
Output maximal output current 25 A
Supply voltage 85 .. 115 .. 135 V a.c.
Temperature operational max 40 °C
Temperature operational min 0 °C
Weight 4.5 kg

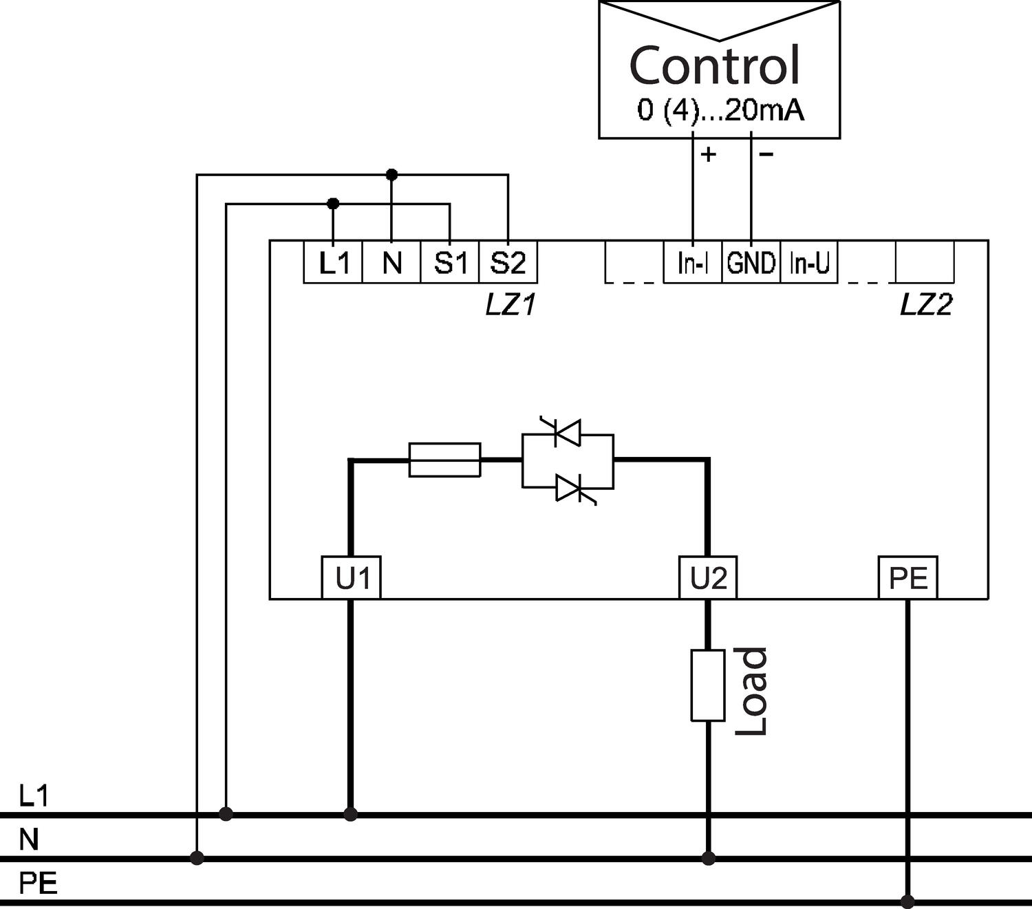
Measurements and connections

316154_877.eps

a) load supply Uload= 230 V, supply UGTS= 230 V

316155_877.eps

b) load supply Uload= 400 V, supply UGTS= 230 V

Technical illustrations

316166_877.jpg

316169_877.jpg

Ordering Code

Product description

The RP1 power controller is ideal for automatic temperature control systems in electro thermal devices.

It can be used in with resistance or inductive loads and resistance loads with a high temperature resistance coefficient.

The RP1 power controller is a contactless power energy electronic device which includes a thyristor connector and electronic gate trigger system (GTS).

This power controller allows to change the power delivered from the a.c. voltage source to the electric energy load in the function of the analog or pulse driving signal value.

The system of two or three power controllers can be applied in three-phase actuators.

Kind of control:
• On/Off control
• pulse control: fast cycle, slow cycle
• phase control

Maximal current output:
• 25A, 40A, 70A, 125A

Additional functions:
• load current limitation
• trigger deceleration of soft start type
• control of the initial trigger angle value
• control of the input line amplification
• trigger stoppage by an external signal
• supervising and signalling of current in the load circuit
• output U = f(Io)
• supervising of the radiator temperature
• overload signalling
• signalling of the fuse damage
• Output of "Master/Slave” type
• relay outputs

External dimensions:
135 x 231 x 199mm

 

Accessories

Related

Parts Dimensions Output Supply voltage Weight Price
135 x 201 x 199 mm
maximal output current 25 A
85 .. 115 .. 135 V a.c.
4.5 kg
135 x 201 x 199 mm
maximal output current 25 A
195 .. 230 .. 253 V a.c.
4.5 kg
135 x 201 x 199 mm
maximal output current 40 A
4.5 kg
135 x 201 x 199 mm
maximal output current 40 A
4.5 kg
135 x 201 x 199 mm
maximal output current 70 A
4.5 kg
135 x 201 x 199 mm
maximal output current 70 A
4.5 kg
135 x 231 x 199 mm
maximal output current 125 A
5 kg
135 x 231 x 199 mm
maximal output current 125 A
5 kg

Selected variant

Select a variant in the list

Contact us
If you need any help, you can contact us in one of the following ways:
0116 284 9900
Send e-mail
Use live chat
Do you need help?
Logo

Cookie settings for OEM.CO.UK

Cookies help us improve your experience with us, so in order to be able to handle login information, offer you personalised content and for basic functionality of this website, we use some cookies.

We will never sell on any information about you. 

You can accept all cookies or personalise your cookies preferences, you can also change your cookie preferences at any time by visiting our contact page.

Necessary Cookies

These cookies are necessary for the website to work and can not be turned off in our systems. They are usually used only in response to actions you have taken in connection with a service request, for example when setting personal preferences, logging in or filling out a form.

Analysis and measurement cookies

These cookies allow us to count the number of visits and traffic sources so that we can measure and improve our website performance. They help us know which pages are more or less popular and how visitors navigate around the site. The information that these cookies collect is aggregated and therefore completely anonymous. If you do not allow these cookies, we do not know when you have visited our website.

Marketing cookies

These cookies can be added by our partners. They can use them to create a profile of you, based on your interests, to show you more relevant information. They do not store any personal information - only information about your browser and device. If you do not accept these cookies, you will have a more general and less customized user experience.