DELCON

SLI input relays for mA loads AC control

The relays are used as an interface between AC sensors and control systems. The integrated interference protection provides reliable operation even in very demanding electrical environments. Thanks to interference protection, signal cables can be run alongside power cables on, for example, cable racks for more than 1.5 km without capacitive cross-talk affecting relays. The relays have no mechanical parts, which provides very reliable application. The CRP models are especially designed for connecting to 2-wire sensors that generate leakage current. The CRP relays are blind to leakage currents up to 3.5 mA. 

Read more
  • AC control / DC load
  • Galvanic isloation 4kV, 8mm creep distance
  • Effective interference elimination
  • Compatible with both NPN and PNP logic
  • LED indication

Selected variant

Available in several variants

Selected variant

Technical data

Input data

Input current max 15 mA
Response time 20 ms
Release time 60 ms
Switching voltage 16 V
Turn-off voltage 14 V
Input impedance, typ 4 kΩ
Input voltage nom 24

Output data

Number of poles 1
Load current 50 mA
Load voltage dc max 60 V

*Invisible Heading*

Voltage drop over semiconductor at max 0.4 V
Voltage drop 0.2 V

General data

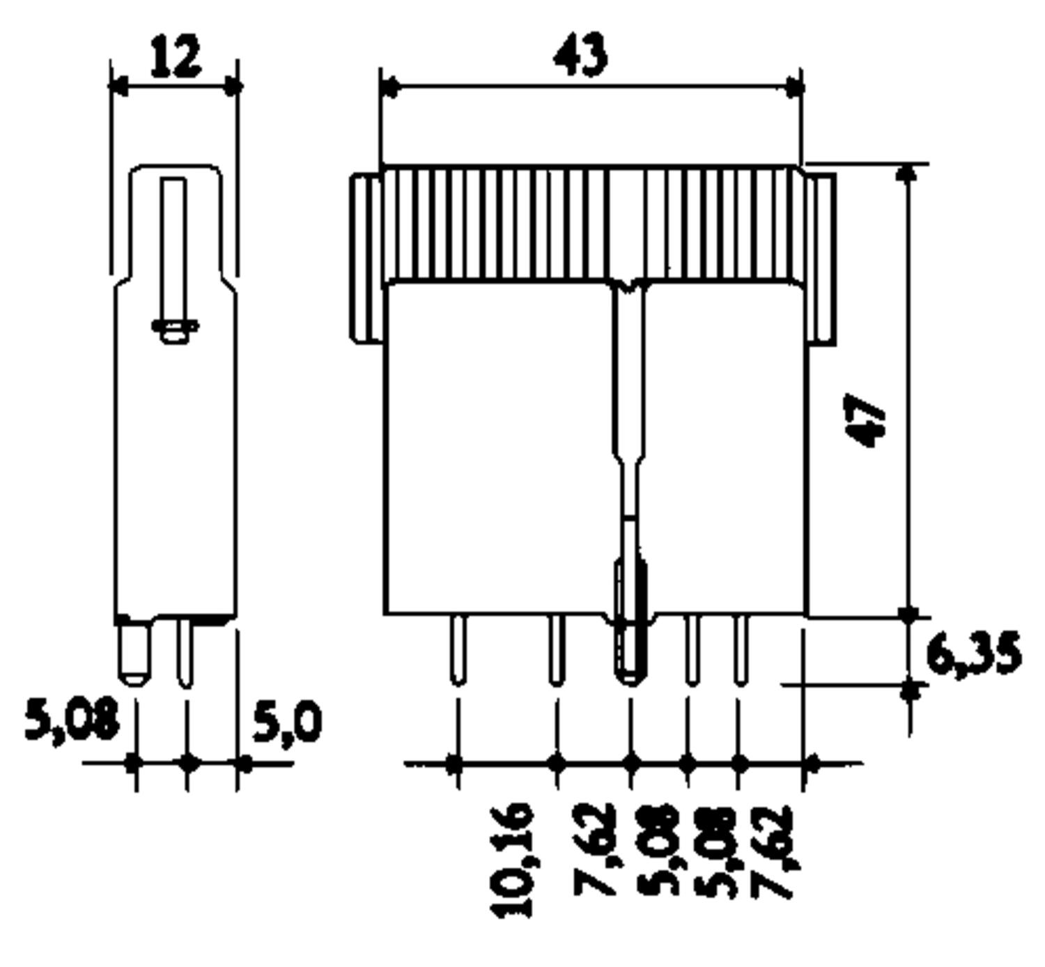
Width 12.5 mm
Temperature operational min -40 °C
Temperature operational max 70 °C
Storage temperature min -40 °C
Storage temperature max 70 °C
Weight 40 g
Approvals CE, UL

Measurements and connections

Product description

The relays are used as an interface between AC sensors and control systems. The integrated interference protection provides reliable operation even in very demanding electrical environments. Thanks to interference protection, signal cables can be run alongside power cables on, for example, cable racks for more than 1.5 km without capacitive cross-talk affecting relays. The relays have no mechanical parts, which provides very reliable application. The CRP models are especially designed for connecting to 2-wire sensors that generate leakage current. The CRP relays are blind to leakage currents up to 3.5 mA. 

Accessories

Related

Parts Input current at nominal voltage, typ Input current max Input current at nominal voltage, max Power consumption Response time Release time Input voltage ac min Input voltage ac max Input voltage max Switching voltage Turn-off voltage Input impedance, typ Input voltage nom Leakage current Temperature operational min Material Price
15 mA
20 ms
60 ms
16 V
14 V
4 kΩ
24
-40 °C
6 mA
50 ms
50 ms
80 V
60 V
21 kΩ
120
1 µA
-40 °C
5 mA
50 ms
50 ms
160 V
120 V
50 kΩ
230
1 µA
-40 °C
8 mA
7 mA
20 ms
40 ms
140
80 V
60 V
17 kΩ
120
1 µA
-25 °C
PBT
6.5 mA
7.5 mA
40 ms
40 ms
190 V AC
265 V AC
140 V
120 V
35 kΩ
230
1 µA
-40 °C

Selected variant

Select a variant in the list

Contact us
If you need any help, you can contact us in one of the following ways:
0116 284 9900
Send e-mail
Use live chat
Do you need help?
Logo

Cookie settings for OEM.CO.UK

Cookies help us improve your experience with us, so in order to be able to handle login information, offer you personalised content and for basic functionality of this website, we use some cookies.

We will never sell on any information about you. 

You can accept all cookies or personalise your cookies preferences, you can also change your cookie preferences at any time by visiting our contact page.

Necessary Cookies

These cookies are necessary for the website to work and can not be turned off in our systems. They are usually used only in response to actions you have taken in connection with a service request, for example when setting personal preferences, logging in or filling out a form.

Analysis and measurement cookies

These cookies allow us to count the number of visits and traffic sources so that we can measure and improve our website performance. They help us know which pages are more or less popular and how visitors navigate around the site. The information that these cookies collect is aggregated and therefore completely anonymous. If you do not allow these cookies, we do not know when you have visited our website.

Marketing cookies

These cookies can be added by our partners. They can use them to create a profile of you, based on your interests, to show you more relevant information. They do not store any personal information - only information about your browser and device. If you do not accept these cookies, you will have a more general and less customized user experience.