KÜBLER

Kuebler - Codix 531/532, 24x48mm

Codix 531: Temperature instrument for PT100 (2-, 3- and 4-wire connection) and Ni100.
Codix 532: Temperature instrument for thermocouples (type J, K and N, external or internal compensation for cold junction). Display and sensor type programmed with buttons in an easy-to-understand menu system. Compensation for cable resistance can be programmed (max. 20 ohm). The settings are saved in EEPROM (10 years), i.e. there is no battery in the instrument that needs to be changed.
The display can show the actual value, lowest value and highest value (selected with the right-hand button, can be reset). The instrument features a latch function; if input 4 is connected to a high control signal the display value freezes on the actual value. The display also shows sensor failure (Err 4).
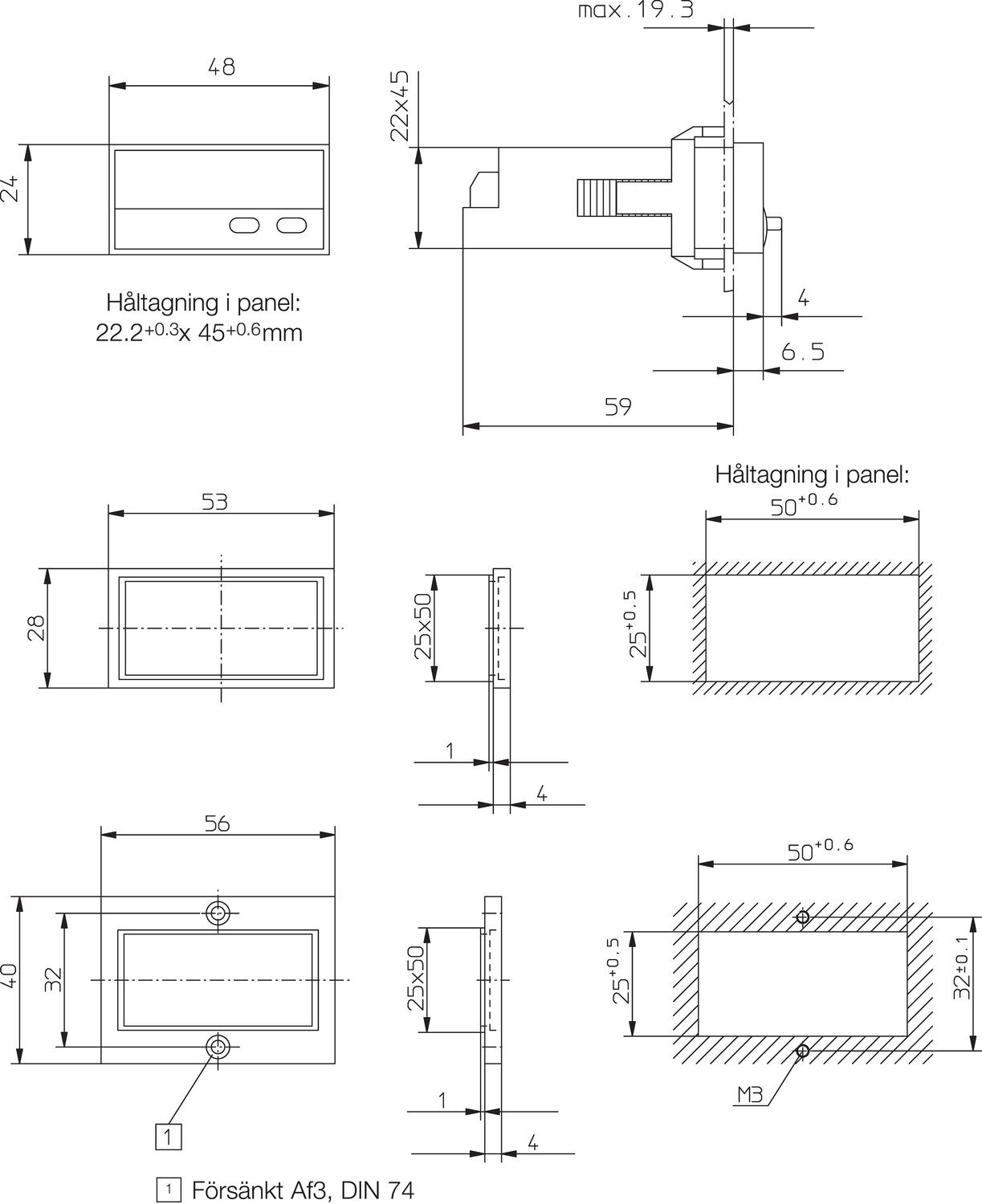
An assembly bracket, bezel for the panel cut-out 25x50 mm, bezel for the panel cut-out 25x50 mm with screw holes, seal, self-adhesive labels for different units and a manual (English, German, French) are supplied with the instrument.

 

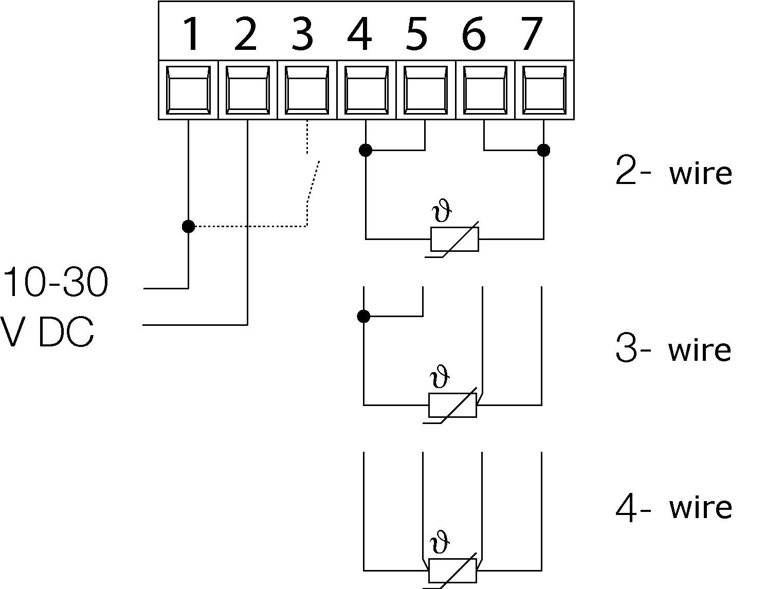
Connection

PT100/Ni100

Thermocouple

1. 10-30 V DC

1. 10-30 V DC

2. 0 V DC

2. 0 V DC

3. Latch

3. Latch

317148_877.jpg

Connection. Image 2.

 

Read more
  • Measures and displays temperature in °C or °F
  • Five digits, 8 mm high
  • Min./max. values can be shown
  • Galvanic isolation

Selected variant

Available in several variants

Selected variant

Technical data

Approvals CE, EMC, UL
Digit height 8 mm
Digital signal in No
IP class IP65
Linearity < 0,2 % full scale
Material Polycarbonate
Number colour Red
Number of digits 5
Operating voltage dc max 30 V
Operating voltage dc min 10 V
Panel size 24x48 mm
Polarity Yes
Storage temperature max 70 °C
Storage temperature min -25 °C
Temperature operational max 65 °C
Temperature operational min -20 °C
Temperature range PT100: -199 - 850°C, Ni100: -60 - 250°C
Weight 50 g

Product description

Codix 531: Temperature instrument for PT100 (2-, 3- and 4-wire connection) and Ni100.
Codix 532: Temperature instrument for thermocouples (type J, K and N, external or internal compensation for cold junction). Display and sensor type programmed with buttons in an easy-to-understand menu system. Compensation for cable resistance can be programmed (max. 20 ohm). The settings are saved in EEPROM (10 years), i.e. there is no battery in the instrument that needs to be changed.
The display can show the actual value, lowest value and highest value (selected with the right-hand button, can be reset). The instrument features a latch function; if input 4 is connected to a high control signal the display value freezes on the actual value. The display also shows sensor failure (Err 4).
An assembly bracket, bezel for the panel cut-out 25x50 mm, bezel for the panel cut-out 25x50 mm with screw holes, seal, self-adhesive labels for different units and a manual (English, German, French) are supplied with the instrument.

 

Connection

PT100/Ni100

Thermocouple

1. 10-30 V DC

1. 10-30 V DC

2. 0 V DC

2. 0 V DC

3. Latch

3. Latch

317148_877.jpg

Connection. Image 2.

 

Accessories

Related

Parts Linearity Temperature range Price
< 0,2 % full scale
PT100: -199 - 850°C, Ni100: -60 - 250°C
< 0.4 % full scale
Typ J: 0 - 1200°C, K/N: -200 - 1300°C

Selected variant

Select a variant in the list

Contact us
If you need any help, you can contact us in one of the following ways:
0116 284 9900
Send e-mail
Use live chat
Do you need help?
Logo

Cookie settings for OEM.CO.UK

Cookies help us improve your experience with us, so in order to be able to handle login information, offer you personalised content and for basic functionality of this website, we use some cookies.

We will never sell on any information about you. 

You can accept all cookies or personalise your cookies preferences, you can also change your cookie preferences at any time by visiting our contact page.

Necessary Cookies

These cookies are necessary for the website to work and can not be turned off in our systems. They are usually used only in response to actions you have taken in connection with a service request, for example when setting personal preferences, logging in or filling out a form.

Analysis and measurement cookies

These cookies allow us to count the number of visits and traffic sources so that we can measure and improve our website performance. They help us know which pages are more or less popular and how visitors navigate around the site. The information that these cookies collect is aggregated and therefore completely anonymous. If you do not allow these cookies, we do not know when you have visited our website.

Marketing cookies

These cookies can be added by our partners. They can use them to create a profile of you, based on your interests, to show you more relevant information. They do not store any personal information - only information about your browser and device. If you do not accept these cookies, you will have a more general and less customized user experience.