PULS

Redundant modules 40 and 80 A Dimension Series

Redundant modules have MOSFET transistors instead of diodes, resulting in lower heat dissipation and voltage drop. Thanks to the MOSFET technology, the modules can be made very compact.
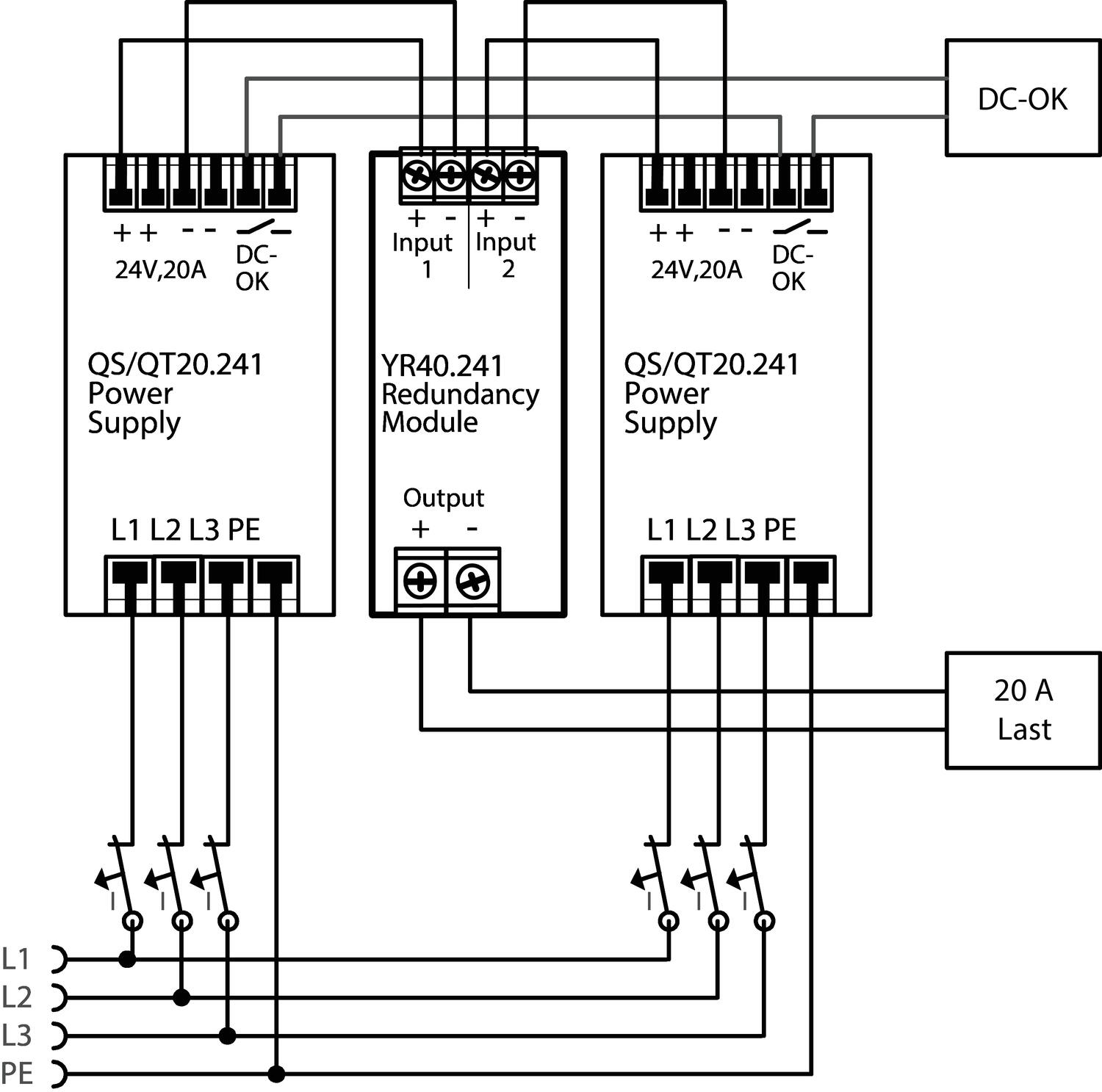
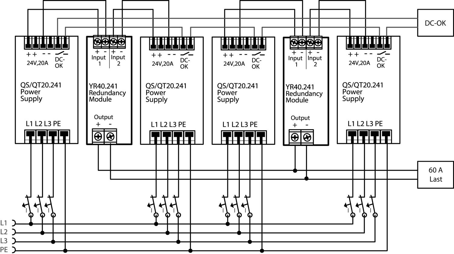
Redundant modules have two separate entrances, each of which can be loaded with half the output current instance. 40 A module can handle up to 20 A per input.
With redundant modules from Pulse, you get a secure system against internal power supply faults which are particularly suitable in processes where downtime is costly.
Redundant module can also be used in systems where you want to ensure the operation of sensitive loads. Input 1 is connected to the main power supply that normally supplies loads directly and eg PLC via redundant module output. Input 2 is connected to a smaller unit that is only connected to the sensitive load via the output, in this case the PLC. In case of failure of the main unit or short circuit at the loads going PLC supplied by the smaller unit and avoids incorrect processavslut. Redundant module is also suitable when you want to separate the power supply units from the loads to avoid returned voltage, for example, from motors and batteries.

 

Read more
  • 40 and 80 A
  • MOSFET transistors
  • Minimum power loss
  • Compact dimensions

Selected variant

Available in several variants

Selected variant

Technical data

Input data

Input voltage dc 12-28 V
Input voltage dc min 8.4 V DC
Input voltage dc max 36.4 V DC
Input current per channel max 20 A
Input current at continuous overload or short circuit max 2x32,5 A

Output data

Output voltage 24 V DC
Output current 40 A
Output current max 65 A

Efficiency / Lifetime / MTBF

Life span 246000 h @ 2x 20 A, 24 V DC, 40 °C
MTBF (IEC 61709) 2706000 h @ 2x 20 A, 24 V DC, 40 °C

Dimensions

Width 36 mm
Height 124 mm

*Invisible Heading*

Depth 127 mm
Weight 0.34 kg

Other

Input / Output Separation Mosfet
Approvals ABS, ATEX, CB, CE, CSA, CSA US, GL, IECEx, UL
IP class IP20
Material protection Aluminium
Series Dimension Y
Voltage drop over semiconductor 140 mV
Temperature min without derating -40 °C
Temperature max without derating 70 °C
Type Power Supply Redundancy modules

Product description

Redundant modules have MOSFET transistors instead of diodes, resulting in lower heat dissipation and voltage drop. Thanks to the MOSFET technology, the modules can be made very compact.
Redundant modules have two separate entrances, each of which can be loaded with half the output current instance. 40 A module can handle up to 20 A per input.
With redundant modules from Pulse, you get a secure system against internal power supply faults which are particularly suitable in processes where downtime is costly.
Redundant module can also be used in systems where you want to ensure the operation of sensitive loads. Input 1 is connected to the main power supply that normally supplies loads directly and eg PLC via redundant module output. Input 2 is connected to a smaller unit that is only connected to the sensitive load via the output, in this case the PLC. In case of failure of the main unit or short circuit at the loads going PLC supplied by the smaller unit and avoids incorrect processavslut. Redundant module is also suitable when you want to separate the power supply units from the loads to avoid returned voltage, for example, from motors and batteries.

 

Accessories

Related products

Related

Parts Input current per channel max Input current at continuous overload or short circuit max Output current Output current max Life span MTBF (IEC 61709) Width Weight Voltage drop over semiconductor Price
20 A
2x32,5 A
40 A
65 A
246000 h @ 2x 20 A, 24 V DC, 40 °C
2706000 h @ 2x 20 A, 24 V DC, 40 °C
36 mm
0.34 kg
140 mV
20 A
2x32,5 A
40 A
65 A
255000 h @ 2x 20 A, 24 V DC, 40 °C
4533000 h @ 2x 20 A, 24 V DC, 40 °C
36 mm
0.28 kg
140 mV
40 A
2x65 A
80 A
130 A
143000 h @ 2x 40 A, 24 V DC, 40 °C
2088000 h @ 2x 40 A, 24 V DC, 40 °C
46 mm
0.44 kg
95 mV
40 A
2x65 A
80 A
130 A
85000 h @ 2x 40 A, 24 V DC, 40 °C
2482000 h @ 2x 40 A, 24 V DC, 40 °C
46 mm
0.37 kg
145 mV

Selected variant

Select a variant in the list

Contact us
If you need any help, you can contact us in one of the following ways:
0116 284 9900
Send e-mail
Use live chat
Do you need help?
Logo

Cookie settings for OEM.CO.UK

Cookies help us improve your experience with us, so in order to be able to handle login information, offer you personalised content and for basic functionality of this website, we use some cookies.

We will never sell on any information about you. 

You can accept all cookies or personalise your cookies preferences, you can also change your cookie preferences at any time by visiting our contact page.

Necessary Cookies

These cookies are necessary for the website to work and can not be turned off in our systems. They are usually used only in response to actions you have taken in connection with a service request, for example when setting personal preferences, logging in or filling out a form.

Analysis and measurement cookies

These cookies allow us to count the number of visits and traffic sources so that we can measure and improve our website performance. They help us know which pages are more or less popular and how visitors navigate around the site. The information that these cookies collect is aggregated and therefore completely anonymous. If you do not allow these cookies, we do not know when you have visited our website.

Marketing cookies

These cookies can be added by our partners. They can use them to create a profile of you, based on your interests, to show you more relevant information. They do not store any personal information - only information about your browser and device. If you do not accept these cookies, you will have a more general and less customized user experience.