PULS

Redundant module 20 A Dimension Series, 12-28VDC

12-28 V DC, 2x10 A

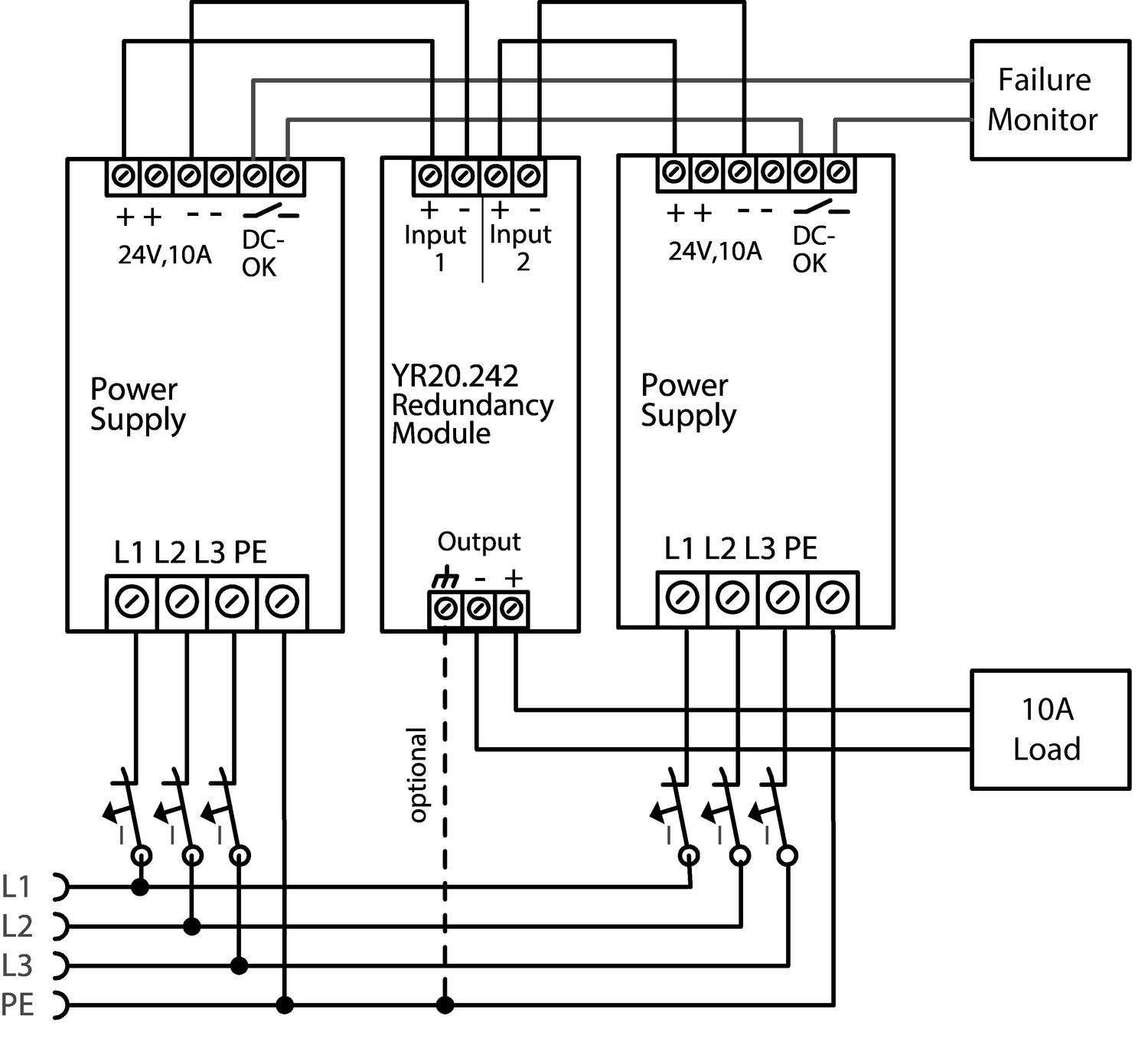
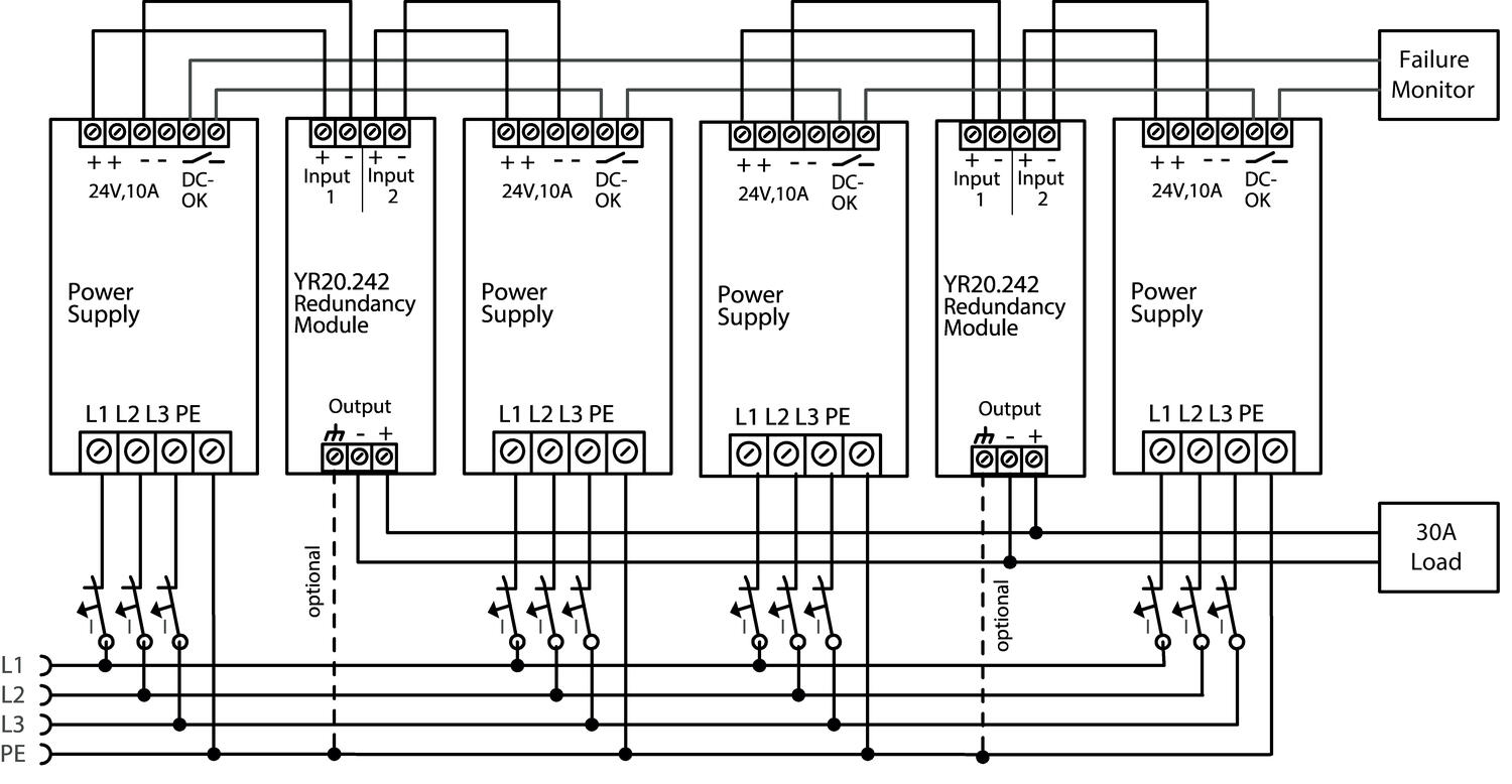
The YR20.242 is a redundancy module for building redundant power supply systems. It is equipped with

two input channels and one output. The two inputs are decoupled by MOSFET technology.

 

In addition to the YR20.242, the YR20.246 is available which is featured with an automated load sharing

between the connected power supplies and functions which monitor defects in the redundancy circuit or too

high output currents, which could prevent redundancy, if one power supply fails.

 

The YR20.242 utilizes MOSFETs instead of diodes for the decoupling of the two input channels. This reduces the heat generation and the voltage drop between input and output. The redundancy module does not require an additional auxiliary voltage.

 

Due to the low power losses, the unit is very slender and only requires 32mm width on the DIN-rail. Large

connection terminals allow for a safe and fast installation. The large international approval package makes this unit suitable for nearly every application.

Read more
  • For N+1 and 1+1 Redundant Systems
  • MOSFET transistors
  • Minimum power loss

Selected variant

Puls Redundant module 20 A Dimension Series 12-28 V DC, 2x10 A

Redundancy Module 2 x 12-28V dc 10A I/P 12-28V dc 20A O/P

Art:

Selected variant

Technical data

Input data

Input voltage dc 12-28 V
Input voltage dc min 8.4 V DC
Input voltage dc max 36.4 V DC
Input current per channel max 20 A
Input current at continuous overload or short circuit max 2x24 A

Output data

Output voltage 24 V DC
Output current 20 A
Output current max 26 A

Efficiency / Lifetime / MTBF

Life span 355000 h @ 2x 20 A, 24 V DC, 40 °C
MTBF (IEC 61709) 7895000 h @ 2x 20 A, 24 V DC, 40 °C

Dimensions

Width 32 mm
Height 124 mm

*Invisible Heading*

Depth 127 mm
Weight 0.25 kg

Other

Input / Output Separation Mosfet
Approvals ATEX, CB, CE, CSA, CSA US, UL
IP class IP20
Material protection Aluminium
Series Dimension Y
Voltage drop over semiconductor 110 mV
Temperature min without derating -40 °C
Temperature max without derating 70 °C
Type Power Supply Redundancy modules

Product description

The YR20.242 is a redundancy module for building redundant power supply systems. It is equipped with

two input channels and one output. The two inputs are decoupled by MOSFET technology.

 

In addition to the YR20.242, the YR20.246 is available which is featured with an automated load sharing

between the connected power supplies and functions which monitor defects in the redundancy circuit or too

high output currents, which could prevent redundancy, if one power supply fails.

 

The YR20.242 utilizes MOSFETs instead of diodes for the decoupling of the two input channels. This reduces the heat generation and the voltage drop between input and output. The redundancy module does not require an additional auxiliary voltage.

 

Due to the low power losses, the unit is very slender and only requires 32mm width on the DIN-rail. Large

connection terminals allow for a safe and fast installation. The large international approval package makes this unit suitable for nearly every application.

Accessories

Related products

Related

Contact us
If you need any help, you can contact us in one of the following ways:
0116 284 9900
Send e-mail
Use live chat
Do you need help?
Logo

Cookie settings for OEM.CO.UK

Cookies help us improve your experience with us, so in order to be able to handle login information, offer you personalised content and for basic functionality of this website, we use some cookies.

We will never sell on any information about you. 

You can accept all cookies or personalise your cookies preferences, you can also change your cookie preferences at any time by visiting our contact page.

Necessary Cookies

These cookies are necessary for the website to work and can not be turned off in our systems. They are usually used only in response to actions you have taken in connection with a service request, for example when setting personal preferences, logging in or filling out a form.

Analysis and measurement cookies

These cookies allow us to count the number of visits and traffic sources so that we can measure and improve our website performance. They help us know which pages are more or less popular and how visitors navigate around the site. The information that these cookies collect is aggregated and therefore completely anonymous. If you do not allow these cookies, we do not know when you have visited our website.

Marketing cookies

These cookies can be added by our partners. They can use them to create a profile of you, based on your interests, to show you more relevant information. They do not store any personal information - only information about your browser and device. If you do not accept these cookies, you will have a more general and less customized user experience.