CONTA-CLIP
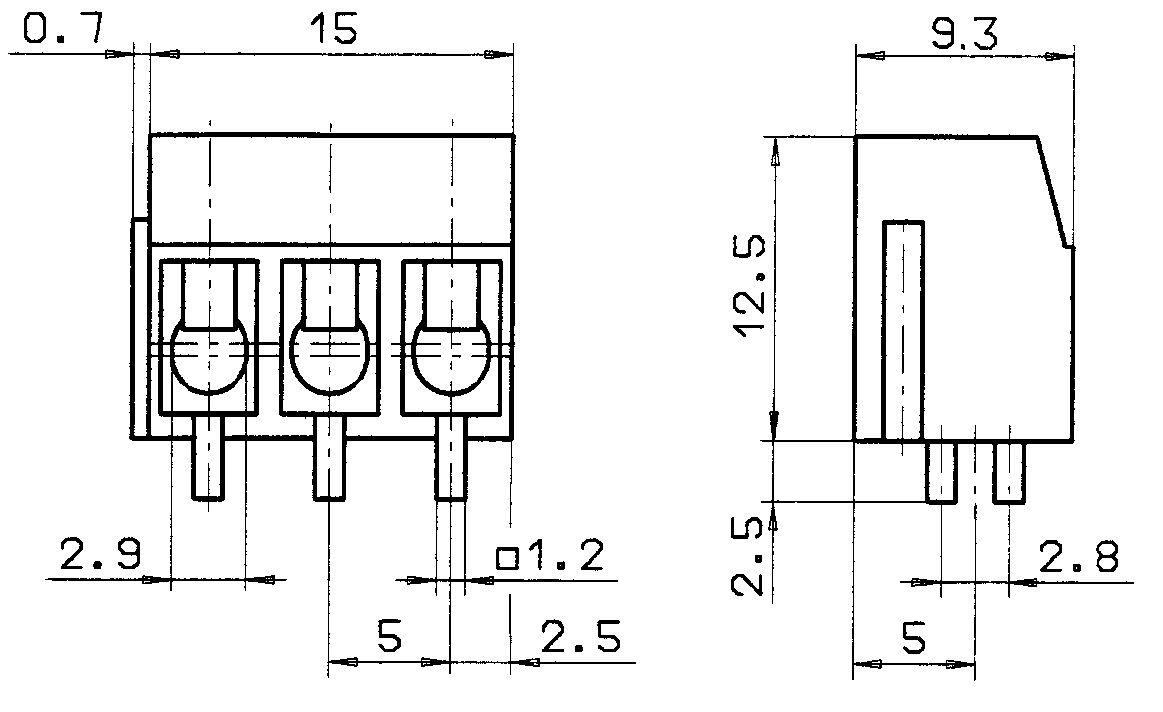
The PK 104 series comprises fixed PCB terminal blocks with a wire-protection connection design, offering a 5 mm pitch and available in pole counts ranging from 2 up to 24, and in both green and dark grey variants. Each terminal is rated for 32 A at 250 V, with 2 kV impulse voltage support, conforming to Overvoltage Category III and Pollution Degree 3. The connector housing is moulded from flame-retardant polyamide 6.6 (UL94-V0), featuring a horizontal (0°/180°) wire-to-PCB configuration and securing wires via robust wire-protection clamping. Mechanical precision is evident in its compact dimensions, 9.3 mm length, 10.7 mm width, and 12.5 mm height, with a 2 mm drill hole, 1.2 mm pin diameter, and 2.5 mm pin protrusion. It accommodates a wide range of conductor types: solid wires from 0.2 to 4 mm², stranded wires up to 4 mm² (with ferrules up to 2.5 mm²), and even supports AWG 22 to 12, secured by M3 screws torqued to 0.5 Nm. Additional robust features include a CTI of 600, glow-wire resistance (GWFI 850 °C / GWIT 775 °C with 30 s after-glow), insulation resistance of 1 × 10¹³ Ω·cm, and support for wave-soldering at 265 °C for 3–4 s.
The PK 104 series is ideal for high-current PCB wiring in control panels, automation systems, and industrial equipment where compact, reliable, and safe wire-to-board terminations are required. Its wire-protection clamp design enhances conductor security by reducing stress and preventing strand damage, thereby improving longevity and assembly quality. The high current and voltage capability makes it suitable for power distribution, motor control, and heavy-duty sensor or actuator interfaces. The broad conductor size compatibility, including ferrule support, ensures clean and dependable terminations in field assembly or maintenance work. Safety and quality are further assured by UL, cUL, and VDE approvals, making the PK 104 suitable for compliance-focused markets and demanding industrial environments.
General Data |
|
|---|---|
| Type | PCB terminal |
| Pitch | 5 mm |
| Colour | Green |
| Number of poles | 2 |
| Approvals | UL, cUL, VDE |
Ratings |
|
| Rated current | 32 A |
| Rated voltage | 250 V |
| Rated cross section | 4 mm² |
| Rated impulse voltage | 2 kV |
| Overvoltage category | III |
| Contamination degree | 3 |
Dimensions |
|
| Length | 9.3 mm |
| Width | 10.7 mm |
| Height | 12.5 mm |
| Width left | 3.2 mm |
| Width right | 2.5 mm |
| Drillhole diameter | 2 mm |
| Diameter of the connection pin | 1.2 mm |
| Length of pin | 2.5 mm |
Connection Data |
|
| Connector type/principle | Wire protection |
| Number of levels | 1 Â |
| Angle of PCB/wire connection | 0°/180° (horizontal) |
| Type of attachment to PCB | Connecting contact |
| Electrical connection type to PCB | Solder |
| Cross section single wire from | 0.2 mm² |
| Cross section single wire to | 4 mm² |
| Cross section stranded wire from | 0.2 mm² |
| Cross section stranded with ferrule to | 2.5 mm² |
| Cross section stranded wire to | 4 mm² |
| Cross section stranded with ferrule from | 0.2 mm² |
| Rated wire cross section to (AWG) | 12 |
| Rated wire cross section from (AWG) | 22 |
| Stripping length | 7 mm |
*Invisible Heading* |
|
|---|---|
| Screw size | M 3 |
| Torque | 0.5 |
Materials |
|
| Housing material | Polyamide 6.6 |
| Flammability class | UL94-V0 |
| Operating temperature from | -30 °C |
| Operating temperature to | 105 °C |
| Screw material | Steel |
| Clamp material | Brass |
| Wire protection | Stainless steel |
Approvals |
|
| UL test standard | UL 1059 |
| Rated voltage UL | 300 V |
| Rated current UL | 20 A |
| cUL test standard | CSA 22.2 No.158 |
| Rated voltage cUL | 300 V |
| Rated current cUL | 20 A |
| VDE test standard | DIN EN 60998 |
| Rated voltage VDE | 250 V |
| Rated current VDE | 32 A |
| Recommended wave solder duration max | 4 s |
| Recommended wave solder duration min | 3 s |
| Recommended wave soldering temperature | 265 °C |
| Tariff code | 85369010 |
| Pack size | 50 Â |
| Weight | 2.4 g |
| Connection cycles acc. to standard | 5 |
| Country of origin | QU |
| Current creepage resistance | CTI 600 |
| Glow wire flammability index (GWFI) | GWFI 850 |
| Glow wire ignition temperature (GWIT) | GWIT 775 |
| GWFI after-glow time | 30 s |
| GWIT exposure time | 5 s |
| Insulation resistance | 1*10^13 Ω x cm |
The PK 104 series comprises fixed PCB terminal blocks with a wire-protection connection design, offering a 5 mm pitch and available in pole counts ranging from 2 up to 24, and in both green and dark grey variants. Each terminal is rated for 32 A at 250 V, with 2 kV impulse voltage support, conforming to Overvoltage Category III and Pollution Degree 3. The connector housing is moulded from flame-retardant polyamide 6.6 (UL94-V0), featuring a horizontal (0°/180°) wire-to-PCB configuration and securing wires via robust wire-protection clamping. Mechanical precision is evident in its compact dimensions, 9.3 mm length, 10.7 mm width, and 12.5 mm height, with a 2 mm drill hole, 1.2 mm pin diameter, and 2.5 mm pin protrusion. It accommodates a wide range of conductor types: solid wires from 0.2 to 4 mm², stranded wires up to 4 mm² (with ferrules up to 2.5 mm²), and even supports AWG 22 to 12, secured by M3 screws torqued to 0.5 Nm. Additional robust features include a CTI of 600, glow-wire resistance (GWFI 850 °C / GWIT 775 °C with 30 s after-glow), insulation resistance of 1 × 10¹³ Ω·cm, and support for wave-soldering at 265 °C for 3–4 s.
The PK 104 series is ideal for high-current PCB wiring in control panels, automation systems, and industrial equipment where compact, reliable, and safe wire-to-board terminations are required. Its wire-protection clamp design enhances conductor security by reducing stress and preventing strand damage, thereby improving longevity and assembly quality. The high current and voltage capability makes it suitable for power distribution, motor control, and heavy-duty sensor or actuator interfaces. The broad conductor size compatibility, including ferrule support, ensures clean and dependable terminations in field assembly or maintenance work. Safety and quality are further assured by UL, cUL, and VDE approvals, making the PK 104 suitable for compliance-focused markets and demanding industrial environments.
Do you need reliable protection for measuring and control equipment? DEHN YellowLine delivers voltage surge protection tailored for building, measuring, and control systems
New signal lights from Auer Signal are now available! The first products to be launched in this series are the Smart Dot 50 in the Basic and Standard versions, as well as the Smart Indicator 50 in the Basic version.Â
Optimise your production line with encoders, inclinometers, displays and slip rings
Engineers and technicians are seeking solutions that streamline assembly whilst maintaining high levels of protection and flexibility. KDS-SR90 angled screw frames and inlays bring a new level of efficiency to cable routing with a unique 90° entry design.
The smallest logic controller by Crouzet is now 20% off for a limited time only! A powerhouse packed into just 17.5mm! Efficiency, adaptability, and seamless integration with free software.
Do you require signalling devices and beacons in your production process? Download our latest whitepaper!
|
|
|
|
|
|
||
|---|---|---|---|---|---|---|
|
|
|
|
|
|
||
|
|
|
|
|
|
||
|
|
|
|
|
|
||
|
|
|
|
|
|
||
|
|
|
|
|
|
||
|
|
|
|
|
|
| Parts | Colour | Number of poles | Width | Weight | Price | ||
|---|---|---|---|---|---|---|---|
|
PK 104/2/5,00-V GN
Art:
10077.1
Copied
|
Green
|
2
|
10.7 mm
|
2.4 g
|
| ||
|
PK 104/5/2 2P PCB DUAL PIN GREY
Art:
10077.4
Copied
|
Dark grey
|
2
|
10.7 mm
|
2.4 g
|
| ||
|
PK 104/3/5,00-V GN
Art:
10078.1
Copied
|
Green
|
3
|
15.7 mm
|
3.4 g
|
| ||
|
PK 104/5/3 3P PCB DUAL PIN GREY
Art:
10078.4
Copied
|
Dark grey
|
3
|
15.7 mm
|
3.4 g
|
| ||
|
PK 104/4/5,00-V GN
Art:
10079.1
Copied
|
Green
|
4
|
20.7 mm
|
4.6 g
|
| ||
|
PK 104/4/5,00-V DG
Art:
10079.4
Copied
|
Dark grey
|
4
|
20.7 mm
|
4.6 g
|
| ||
|
PK 104/5/5,00-V GN
Art:
10080.1
Copied
|
Green
|
5
|
25.7 mm
|
5.79 g
|
| ||
|
PK 104/5/5,00-V DG
Art:
10080.4
Copied
|
Dark grey
|
5
|
25.7 mm
|
5.79 g
|
| ||
|
PK 104/6/5,00-V GN
Art:
10081.1
Copied
|
Green
|
6
|
30.7 mm
|
6.96 g
|
| ||
|
PK 104/6/5,00-V DG
Art:
10081.4
Copied
|
Dark grey
|
6
|
30.7 mm
|
6.96 g
|
| ||
|
PK 104/7/5,00-V GN
Art:
10082.1
Copied
|
Green
|
7
|
35.7 mm
|
8.11 g
|
| ||
|
PK 104/7/5,00-V DG
Art:
10082.4
Copied
|
Dark grey
|
7
|
35.7 mm
|
8.11 g
|
| ||
|
PK 104/8/5,00-V GN
Art:
10083.1
Copied
|
Green
|
8
|
40.7 mm
|
9.28 g
|
| ||
|
PK 104/8/5,00-V DG
Art:
10083.4
Copied
|
Dark grey
|
8
|
40.7 mm
|
9.28 g
|
| ||
|
PK 104/9/5,00-V GN
Art:
10084.1
Copied
|
Green
|
9
|
45.7 mm
|
10.44 g
|
| ||
|
PK 104/9/5,00-V DG
Art:
10084.4
Copied
|
Dark grey
|
9
|
45.7 mm
|
10.44 g
|
| ||
|
PK 104/10/5,00-V GN
Art:
10085.1
Copied
|
Green
|
10
|
50.7 mm
|
11.59 g
|
| ||
|
PK 104/10/5,00-V DG
Art:
10085.4
Copied
|
Dark grey
|
10
|
50.7 mm
|
11.59 g
|
| ||
|
PK 104/11/5,00-V GN
Art:
10086.1
Copied
|
Green
|
11
|
55.7 mm
|
12.76 g
|
| ||
|
PK 104/11/5,00-V DG
Art:
10086.4
Copied
|
Dark grey
|
11
|
55.7 mm
|
12.76 g
|
| ||
|
PK 104/12/5,00-V GN
Art:
10087.1
Copied
|
Green
|
12
|
60.7 mm
|
13.93 g
|
| ||
|
PK 104/12/5,00-V DG
Art:
10087.4
Copied
|
Dark grey
|
12
|
60.7 mm
|
13.93 g
|
| ||
|
PK 104/13/5,00-V GN
Art:
12397.1
Copied
|
Green
|
13
|
65.7 mm
|
15.2 g
|
| ||
|
PK 104/13/5,00-V DG
Art:
12397.4
Copied
|
Dark grey
|
13
|
65.7 mm
|
15.2 g
|
| ||
|
PK 104/14/5,00-V GN
Art:
12398.1
Copied
|
Green
|
14
|
70.7 mm
|
16.2 g
|
| ||
|
PK 104/14/5,00-V DG
Art:
12398.4
Copied
|
Dark grey
|
14
|
70.7 mm
|
16.2 g
|
| ||
|
PK 104/15/5,00-V GN
Art:
12399.1
Copied
|
Green
|
15
|
75.7 mm
|
17.2 g
|
| ||
|
PK 104/15/5,00-V DG
Art:
12399.4
Copied
|
Dark grey
|
15
|
75.7 mm
|
17.2 g
|
| ||
|
PK 104/16/5,00-V GN
Art:
12400.1
Copied
|
Green
|
16
|
80.7 mm
|
18.2 g
|
| ||
|
PK 104/16/5,00-V DG
Art:
12400.4
Copied
|
Dark grey
|
16
|
80.7 mm
|
18.2 g
|
| ||
|
PK 104/17/5,00-V GN
Art:
12401.1
Copied
|
Green
|
17
|
85.7 mm
|
19.2 g
|
| ||
|
PK 104/17/5,00-V DG
Art:
12401.4
Copied
|
Dark grey
|
17
|
85.7 mm
|
19.2 g
|
| ||
|
PK 104/18/5,00-V GN
Art:
12402.1
Copied
|
Green
|
18
|
90.7 mm
|
20.2 g
|
| ||
|
PK 104/18/5,00-V DG
Art:
12402.4
Copied
|
Dark grey
|
18
|
90.7 mm
|
20.2 g
|
| ||
|
PK 104/19/5,00-V GN
Art:
12403.1
Copied
|
Green
|
19
|
95.7 mm
|
21.2 g
|
| ||
|
PK 104/19/5,00-V DG
Art:
12403.4
Copied
|
Dark grey
|
19
|
95.7 mm
|
21.2 g
|
| ||
|
PK 104/20/5,00-V GN
Art:
12404.1
Copied
|
Green
|
20
|
100.7 mm
|
22.2 g
|
| ||
|
PK 104/20/5,00-V DG
Art:
12404.4
Copied
|
Dark grey
|
20
|
100.7 mm
|
22.2 g
|
| ||
|
PK 104/21/5,00-V GN
Art:
12405.1
Copied
|
Green
|
21
|
105.7 mm
|
23.2 g
|
| ||
|
PK 104/21/5,00-V DG
Art:
12405.4
Copied
|
Dark grey
|
21
|
105.7 mm
|
23.2 g
|
| ||
|
PK 104/22/5,00-V GN
Art:
12406.1
Copied
|
Green
|
22
|
110.7 mm
|
24.8 g
|
| ||
|
PK 104/22/5,00-V DG
Art:
12406.4
Copied
|
Dark grey
|
22
|
110.7 mm
|
24.8 g
|
| ||
|
PK 104/23/5,00-V GN
Art:
12407.1
Copied
|
Green
|
23
|
115.7 mm
|
25.8 g
|
| ||
|
PK 104/23/5,00-V DG
Art:
12407.4
Copied
|
Dark grey
|
23
|
115.7 mm
|
25.8 g
|
| ||
|
PK 104/24/5,00-V GN
Art:
12408.1
Copied
|
Green
|
24
|
120.7 mm
|
26.8 g
|
| ||
|
PK 104/24/5,00-V DG
Art:
12408.4
Copied
|
Dark grey
|
24
|
120.7 mm
|
26.8 g
|
|
Select a variant in the list