CROUZET CONTROL

1 phase over/under current relay HIL, HIH

HIL and HIH control relays are used for monitoring 1-phase AC/DC currents. The relay automatically detects the form of current that is to be measured. The relay requires a supply voltage. Using a rotary switch, selection can be made between over- or under-current, with or without memory.If “with memory” is selected, the supply voltage to the relay must be switched off to restart. The switch position and consequently the control relay's function mode is detected when the operating voltage is switched on. If the switch is in the wrong position, the relay will remain deactivated and the LEDs will flash to indicate incorrect setting. If the switch position is changed during operation, all LEDs begin to flash but the unit will continue to function normally with the function that was set at the most recent power connection. The LEDs return to normal function when the switch has been returned to its original position, which was set before the first power connection. The limit value for over- and under-current is set with a potentiometer that is scaled in the percentage of the current range that is to be monitored. The hysteresis value is similarly set with a scale from 5-50 % of the set limit value. The hysteresis value cannot exceed the measurement range's limit value. Both relays are equipped with a time delay (Tt) to ignore temporary current deviations. HIL and HIH also have a time delay upon start-up (Tt), adjustable between 1-20 s to avoid current peaks or current dips upon start-up. If the current should exceed 10 A, a current transformer can be used. Green LED (Un) indicates supply voltage OK. Yellow LED (R) indicates active relay output.

 

Read more
  • Two models: HIL 2 mA-500 mA, HIH 0.1 A-10 A
  • Galvanic isolation control/measurement
  • Automatic detection of ac or dc
  • 35 mm cabinet with DIN rail

Selected variant

Available in several variants

Selected variant

Technical data

Adjustable limit value from 10 %
Adjustable limit value to 100 %
Approvals CE, CSA, RoHS, UL
Breaking capacity 5A, 250V AC/DC
E1-M max. continuous current in 25°C 2 A
E1-M max. current <1s at 25°C 17 A
E2-M max. continuous current in 25°C 11 A
E2-M max. current <1s at 25°C 20 A
E3-M max. continuous current in 25°C 11 A
E3-M max. current <1s at 25°C 50 A
Function Over/Undercurrent
IP class connection IP20
IP class housing IP30
Measurement range E1-M 0,1-1A
Measurement range E2-M 0,5-5A
Measurement range E3-M 1-10A
Mounting DIN rail
Output Relay 2 pole C/O
Storage temperature max 70 °C
Storage temperature min -30 °C
Supply voltage 24-240V ac/dc
Temperature operational max 50 °C
Temperature operational min -20 °C
Time delay startup 1-20s
Time delay when exceeding the limit value 0,1-3s
Weight 130 g

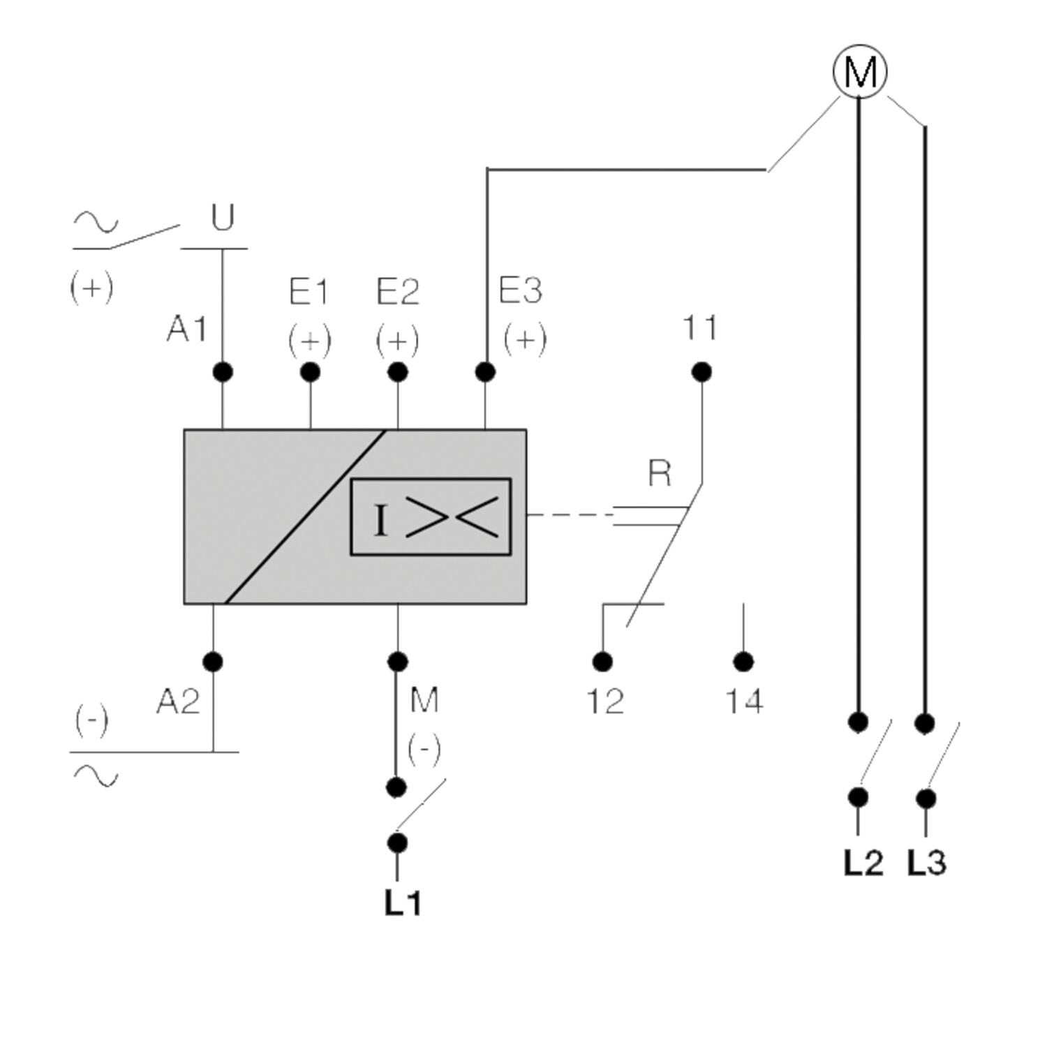
Measurements and connections

Control relay dimensions

Connection

F1: Fast-blow fuse 1 A (recommendation)
NB: When monitoring dc from the same power supply that is connected at
A1 or A2, the connection point M must be connected directly to minus (-) in this power supply.

Connection example

Strömrelä, enfaslast.PNG

Kontrollrelä_strömtrafo_ritning.eps

Technical illustrations

Control relay with memory

With memory
1: Limit value
2: Hysteresis
3: Over-current
4: Under-current
5: Activation of operating voltage
6: Monitored current
7: Time delay, start-up (Ti)
8: Time delay upon exceeding limit value (Tt)

Control relay without memory

Without memory
1: Limit value
2: Hysteresis
3: Over-current
4: Under-current
5: Activation of operating voltage
6: Monitored current
7: Time delay, start-up (Ti)
8: Time delay upon exceeding limit value (Tt)

Product description

HIL and HIH control relays are used for monitoring 1-phase AC/DC currents. The relay automatically detects the form of current that is to be measured. The relay requires a supply voltage. Using a rotary switch, selection can be made between over- or under-current, with or without memory.If “with memory” is selected, the supply voltage to the relay must be switched off to restart. The switch position and consequently the control relay's function mode is detected when the operating voltage is switched on. If the switch is in the wrong position, the relay will remain deactivated and the LEDs will flash to indicate incorrect setting. If the switch position is changed during operation, all LEDs begin to flash but the unit will continue to function normally with the function that was set at the most recent power connection. The LEDs return to normal function when the switch has been returned to its original position, which was set before the first power connection. The limit value for over- and under-current is set with a potentiometer that is scaled in the percentage of the current range that is to be monitored. The hysteresis value is similarly set with a scale from 5-50 % of the set limit value. The hysteresis value cannot exceed the measurement range's limit value. Both relays are equipped with a time delay (Tt) to ignore temporary current deviations. HIL and HIH also have a time delay upon start-up (Tt), adjustable between 1-20 s to avoid current peaks or current dips upon start-up. If the current should exceed 10 A, a current transformer can be used. Green LED (Un) indicates supply voltage OK. Yellow LED (R) indicates active relay output.

 

Accessories

Related

Parts E1-M max. continuous current in 25°C E1-M max. current <1s at 25°C E2-M max. continuous current in 25°C E2-M max. current <1s at 25°C E3-M max. continuous current in 25°C E3-M max. current <1s at 25°C Measurement range E1-M Measurement range E2-M Measurement range E3-M Price
2 A
17 A
11 A
20 A
11 A
50 A
0,1-1A
0,5-5A
1-10A
0,4 A
1 A
1 A
5 A
2 A
8 A
2-20mA
10-100mA
50-500mA

Selected variant

Select a variant in the list

Contact us
If you need any help, you can contact us in one of the following ways:
0116 284 9900
Send e-mail
Use live chat
Do you need help?
Logo

Cookie settings for OEM.CO.UK

Cookies help us improve your experience with us, so in order to be able to handle login information, offer you personalised content and for basic functionality of this website, we use some cookies.

We will never sell on any information about you. 

You can accept all cookies or personalise your cookies preferences, you can also change your cookie preferences at any time by visiting our contact page.

Necessary Cookies

These cookies are necessary for the website to work and can not be turned off in our systems. They are usually used only in response to actions you have taken in connection with a service request, for example when setting personal preferences, logging in or filling out a form.

Analysis and measurement cookies

These cookies allow us to count the number of visits and traffic sources so that we can measure and improve our website performance. They help us know which pages are more or less popular and how visitors navigate around the site. The information that these cookies collect is aggregated and therefore completely anonymous. If you do not allow these cookies, we do not know when you have visited our website.

Marketing cookies

These cookies can be added by our partners. They can use them to create a profile of you, based on your interests, to show you more relevant information. They do not store any personal information - only information about your browser and device. If you do not accept these cookies, you will have a more general and less customized user experience.