CROUZET CONTROL

Phase and temperature monitoring relays for motors HWTM, HWTM2

Relays HWTM and HWTM2 monitor production disturbances on 3-phase networks and temperatures in motors with integrated PTC sensors. The control functions
“phase and temperature” are independent of one another.

Control of 3-phase networks (208-480 V) concerns phase sequence L1, L2, L3 and phase interruptions. Complete phase interruptions are detected, even during regeneration
(returned voltage U is measured at <0.7 x Un).

The temperature control can encompass up to 6 PTC sensors (resistance with positive temperature coefficient) that are connected in series between T1 and T2.

A fault is detected when the resistance in the temperature sensor circuit exceeds 3100 Ω. Returns to normal mode when the resistance falls below 1650 Ω.
The result of the control is specified by the “temperature relay's” position – contact NO 11-14 drops out in the event of a fault. A break in the temperature sensor circuit has the same effect
as for high temperature (the resistance exceeds 3100 Ω) and is thus interpreted as a fault). A complete short circuit in the temperature sensor(s) is detected
when the resistance falls below 15 Ω ± 5 %, which is considered as a fault.

HWTM2 has a rotary switch that is used to set the function position for the temperature control, with or without memory. In the “with memory” position,
the temperature relay is blocked in the open position when a fault is detected. As soon as the temperature is correct again, the relay can be reset, either by pressing the “Test/Reset” button
at the front (at least 50 ms) or by closing the floating contact between Y1 and T1 (without a load connected in parallel). Can also be easily
reset by switching off the supply voltage to the relay.

With HWTM2, a test for overheating can be easily made by pressing the test button at the front marked “Test/Reset”. The yellow LED turns off and the relay drops out.
This test is made when the temperatures is normal. Green LED (Un) indicates supply voltage OK. Yellow LED (R) indicates active relay output.

Read more
  • OBSOLETE WITH NO REPLACEMENT
  • Control of 3-phase networks: phase sequence, phase interruption
  • Motor temperature monitoring with PTC sensors
  • Wide range input voltage

Selected variant

Available in several variants

Selected variant

Technical data

Approvals CSA, GL, RoHS, UL
Boundary limit 3 100 Ω ±10 %
Breaking capacity 5A, 250V AC/DC
External reset Fault Latching and reset/test
Function Phase Sequence, Phase Failure, Motor Temperature
IP class connection IP20
IP class housing IP30
Measurement range 3x208 - 3x480V AC
Output 2x Relay
Resistance of temperature sensor at 20 ° C max 1500 Ω
Restriction limit 1 650 Ω ±10 %
Storage temperature max 70 °C
Storage temperature min -40 °C
Supply voltage 24-240V ac/dc
Temperature operational max 50 °C
Temperature operational min -20 °C
Time delay startup 0.5 s
Time delay when exceeding the limit value 0.3 s
Weight 107 g

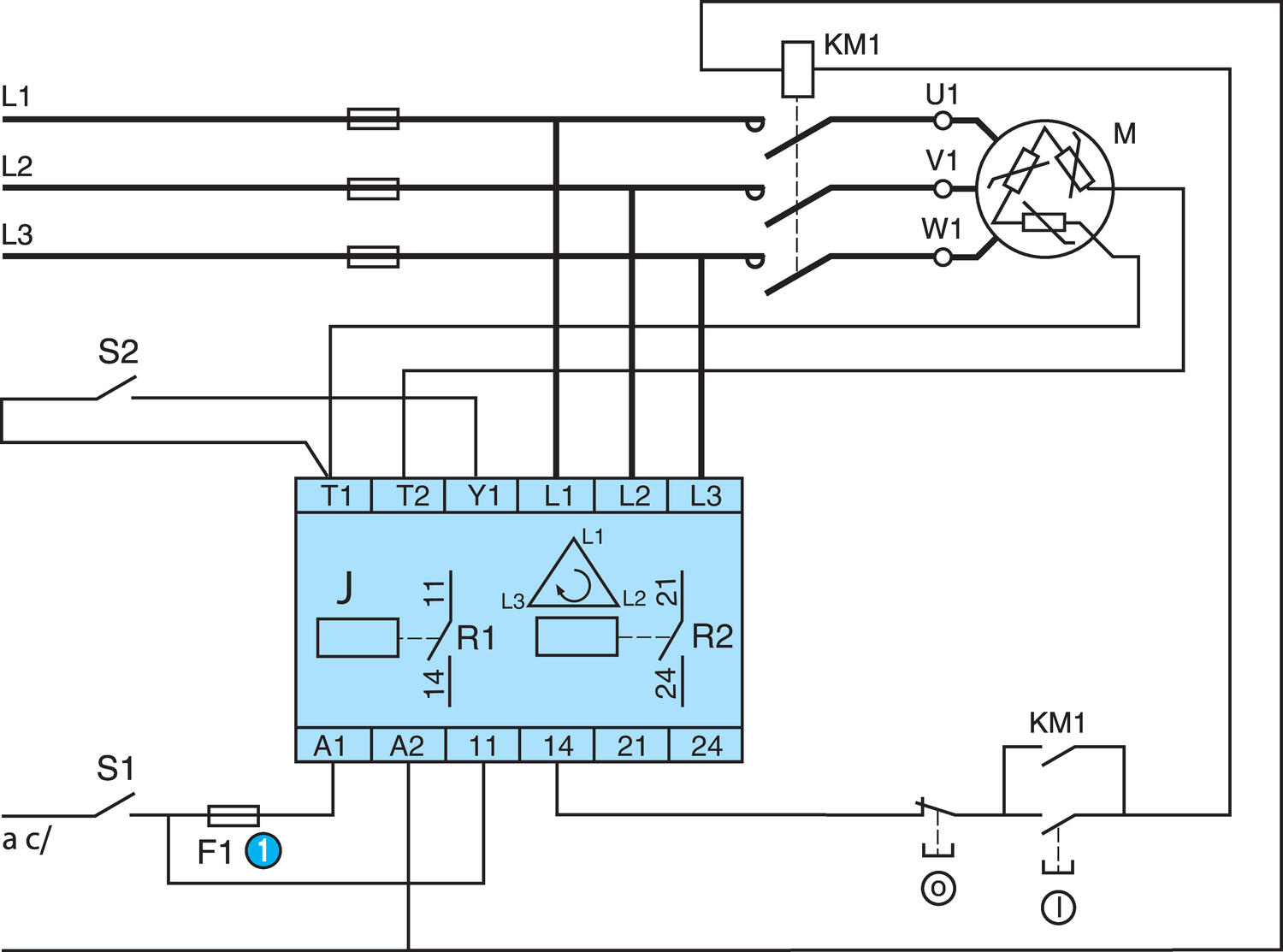
Measurements and connections

Control relay dimensions

Control relay HWTM2

HWTM2
1: F1: Fast-blow fuse 1 A (recommended)

Technical illustrations

Control relay HWTM2 phase interruption and phase sequence

HWTM2 phase interruption and phase sequence
1: L1
2: L2
3: L3
4: Relay
5: 30 % Un

Control relay HWTM2 with memory

HWTM2 with memory
1: Test/reset
2: Resistance between T1 and T2 (connected sensor)
3: Relay R1

Control relay HWTM2 without memory

HWTM2 without memory
1: Test/reset
2: Resistance between T1 and T2 (connected sensor)
3: Relay R1

Product description

Relays HWTM and HWTM2 monitor production disturbances on 3-phase networks and temperatures in motors with integrated PTC sensors. The control functions
“phase and temperature” are independent of one another.

Control of 3-phase networks (208-480 V) concerns phase sequence L1, L2, L3 and phase interruptions. Complete phase interruptions are detected, even during regeneration
(returned voltage U is measured at <0.7 x Un).

The temperature control can encompass up to 6 PTC sensors (resistance with positive temperature coefficient) that are connected in series between T1 and T2.

A fault is detected when the resistance in the temperature sensor circuit exceeds 3100 Ω. Returns to normal mode when the resistance falls below 1650 Ω.
The result of the control is specified by the “temperature relay's” position – contact NO 11-14 drops out in the event of a fault. A break in the temperature sensor circuit has the same effect
as for high temperature (the resistance exceeds 3100 Ω) and is thus interpreted as a fault). A complete short circuit in the temperature sensor(s) is detected
when the resistance falls below 15 Ω ± 5 %, which is considered as a fault.

HWTM2 has a rotary switch that is used to set the function position for the temperature control, with or without memory. In the “with memory” position,
the temperature relay is blocked in the open position when a fault is detected. As soon as the temperature is correct again, the relay can be reset, either by pressing the “Test/Reset” button
at the front (at least 50 ms) or by closing the floating contact between Y1 and T1 (without a load connected in parallel). Can also be easily
reset by switching off the supply voltage to the relay.

With HWTM2, a test for overheating can be easily made by pressing the test button at the front marked “Test/Reset”. The yellow LED turns off and the relay drops out.
This test is made when the temperatures is normal. Green LED (Un) indicates supply voltage OK. Yellow LED (R) indicates active relay output.

Accessories

Related

Parts External reset Price
Fault Latching and reset/test
N/A

Selected variant

Select a variant in the list

Contact us
If you need any help, you can contact us in one of the following ways:
0116 284 9900
Send e-mail
Use live chat
Do you need help?
Logo

Cookie settings for OEM.CO.UK

Cookies help us improve your experience with us, so in order to be able to handle login information, offer you personalised content and for basic functionality of this website, we use some cookies.

We will never sell on any information about you. 

You can accept all cookies or personalise your cookies preferences, you can also change your cookie preferences at any time by visiting our contact page.

Necessary Cookies

These cookies are necessary for the website to work and can not be turned off in our systems. They are usually used only in response to actions you have taken in connection with a service request, for example when setting personal preferences, logging in or filling out a form.

Analysis and measurement cookies

These cookies allow us to count the number of visits and traffic sources so that we can measure and improve our website performance. They help us know which pages are more or less popular and how visitors navigate around the site. The information that these cookies collect is aggregated and therefore completely anonymous. If you do not allow these cookies, we do not know when you have visited our website.

Marketing cookies

These cookies can be added by our partners. They can use them to create a profile of you, based on your interests, to show you more relevant information. They do not store any personal information - only information about your browser and device. If you do not accept these cookies, you will have a more general and less customized user experience.