PULS
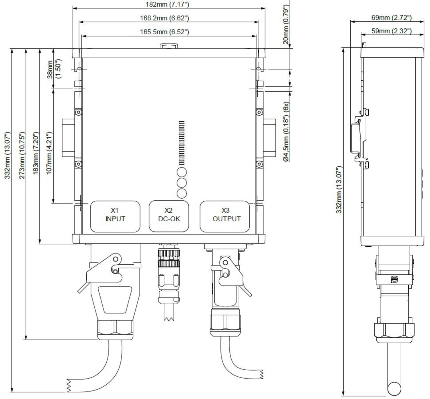
The FPT300 is an industrial grade power supply for 3-phase networks and is incorporated in to a rugged wall-mount housing with IP65/67 protection.
It provides one floating, stabilized SELV/PELV output, which is galvanically separated from the input.
In case of an overload or load failure, the output offers hiccup-mode.
The most outstanding features of the FPS series are the compact size, the wide operational temperature range, the low input inrush current and the extremely high efficiencies, which are achieved by various technological design technologies.
| Input data | |
|---|---|
| Input voltage ac | 380-480 | 
| Input voltage ac min | 323 V AC | 
| Input voltage ac max | 552 V AC | 
| Inrush current at 400 V ac typical | 2 A | 
| Power factor at 400 V ac, full load. Typical | 0.9 | 
| Number of phases | 3 | 
| Output data | |
| Output voltage | 24 V DC | 
| Output voltage min | 24 V DC | 
| Output voltage max | 24 V DC | 
| Output current | 12.5 A | 
| Output current max | 25 A | 
| Power | 300 W | 
| Efficiency / Lifetime / MTBF | |
| Efficiency at 400 V ac, typical | 93.6 % | 
| Efficiency at 400 V ac, full load, typical | 95 % | 
| Lifetime at 400 V ac, full load and +40 ° C | 235000 h | 
| MTBF (IEC 61709) 400 V ac, max loan, +40 °C | 838000 h | 
| Dimensions | |
| Width | 182 mm | 
| Height | 183 mm | 
| Depth | 59 mm | 
| Weight | 1.2 kg | 
| Other | |
|---|---|
| Approvals | CB, CE, cULus | 
| Hold time at 400 V ac, typical full load | 25 ms | 
| IP class | IP65, IP67 | 
| Material protection | Aluminium | 
| Supply frequency | 50-60 Hz ±6 % | 
| Ripple max | 100 mV pp | 
| Series | FIEPOS Basic | 
| Power consumption at 400 V ac | 0.5 A | 
| Temperature min without derating | -25 °C | 
| Temperature max without derating | 55 °C | 
| Output connectors | 1x HAN Q4/0 | 
| Total output power <+45°C | 360 W | 
| Total output power <+55°C | 300 W | 
| Total output power <+70°C | 150 W | 
| Total output power <1 s | 640 W | 
| Total output power <1 min | 484 W | 
| Total output power <5 s, <+55°C | 600 W | 
| Power drop from +55 °C to + 70 °C | 10 W/°C | 
| Active Transient | Yes | 
| Back-feeding loads | 35V / 4,3 J | 
| DC relay output | Yes | 
| DC-OK/IO-link connector | M12-A | 
| Input connector | HAN Q4/2 | 
| IO-LINK | No | 
The FPT300 is an industrial grade power supply for 3-phase networks and is incorporated in to a rugged wall-mount housing with IP65/67 protection.
It provides one floating, stabilized SELV/PELV output, which is galvanically separated from the input.
In case of an overload or load failure, the output offers hiccup-mode.
The most outstanding features of the FPS series are the compact size, the wide operational temperature range, the low input inrush current and the extremely high efficiencies, which are achieved by various technological design technologies.
 
              What tri-rated cable are you currently using? Does the product or service you receive leave you wanting more? It’s time to ask the question. Because now, you’ve got options.
 
              This innovative push-in connection system enables time savings of up to 50%, whether you're wiring control panels or managing complex installations
 
              Solar energy has become a pillar of the global energy transition. The experts at OEM Automatic have broken down the role of photovoltaic fuses and their contribution to solar systems, as well as, how to choose the right solution for you.
 
              Ultra fast-acting fuse links engineered specifically to shield delicate semiconductor devices.
 
              Do you need reliable protection for measuring and control equipment? DEHN YellowLine delivers voltage surge protection tailored for building, measuring, and control systems
 
              Choosing the right circuit breaker is important for protecting DC circuits. Two primary forms of protection are MCBs and ECBs. The experts at OEM Automatic breakdown the two circuit breakers for you!
|  |  |  |  |  | ||
|---|---|---|---|---|---|---|
|  |  |  |  |  | ||
|  |  |  |  |  | ||
|  |  |  |  |  | ||
|  |  |  |  |  | ||
|  |  |  |  |  | ||
|  |  |  |  |  | 
| Parts | Power factor at 400 V ac, full load. Typical | Output voltage max | Output current | Output current max | Power | Efficiency at 400 V ac, typical | Efficiency at 400 V ac, full load, typical | Lifetime at 400 V ac, full load and +40 ° C | MTBF (IEC 61709) 400 V ac, max loan, +40 °C | Approvals | Hold time at 400 V ac, typical full load | Power consumption at 400 V ac | Output connectors | Total output power <+45°C | Total output power <+55°C | Total output power <+70°C | Total output power <1 s | Total output power <1 min | Total output power <5 s, <+55°C | Back-feeding loads | Total output power <5 s, <+70°C | Price | ||
|---|---|---|---|---|---|---|---|---|---|---|---|---|---|---|---|---|---|---|---|---|---|---|---|---|
|   
      
        IP65/IP67 Power supply 3x380-480 V AC/24 V DC, 300 W
      
      
       
        Art:
         
          
            FPT300.242-002-101
          
          Copied
         | 
            0.9 
            
            
           | 
            24 V DC
            
            
           | 
            12.5 A
            
            
           | 
            25 A
            
            
           | 
            300 W
            
            
           | 
            93.6 %
            
            
           | 
            95 %
            
            
           | 
            235000 h
            
            
           | 
            838000 h
            
            
           | 
            CB, CE, cULus 
            
            
           | 
            25 ms
            
            
           | 
            0.5 A
            
            
           | 
            1x HAN Q4/0 
            
            
           | 
            360 W
            
            
           | 
            300 W
            
            
           | 
            150 W
            
            
           | 
            640 W
            
            
           | 
            484 W
            
            
           | 
            600 W
            
            
           | 
            35V / 4,3 J 
            
            
           |  |  | ||
|   
      
        IP65/IP67 Power supply 3x380-480 V AC/24 V DC, 500 W
      
      
       
        Art:
         
          
            FPT500.241-002-101
          
          Copied
         | 
            0.94 
            
            
           | 
            28 V DC
            
            
           | 
            20.8 A
            
            
           | 
            41.7 A
            
            
           | 
            500 W
            
            
           | 
            94.2 %
            
            
           | 
            95.8 %
            
            
           | 
            78000 h
            
            
           | 
            315000 h
            
            
           | 
            CB, CE, cULus 
            
            
           | 
            24 ms
            
            
           | 
            1.1 A
            
            
           | 
            1x HAN Q4/0 
            
            
           | 
            600 W
            
            
           | 
            500 W
            
            
           | 
            350 W
            
            
           |  |  | 
            1000 W
            
            
           | 
            35V / 4 J 
            
            
           | 
            700 W
            
            
           |  | ||
|   
      
        IP65/IP67 Power supply 3x380-480 V AC/24 V DC, 500 W
      
      
       
        Art:
         
          
            FPT500.241-006-104
          
          Copied
         | 
            0.94 
            
            
           | 
            28 V DC
            
            
           | 
            20.8 A
            
            
           | 
            41.7 A
            
            
           | 
            500 W
            
            
           | 
            94.2 %
            
            
           | 
            95.8 %
            
            
           | 
            78000 h
            
            
           | 
            315000 h
            
            
           | 
            CB, CE, cULus 
            
            
           | 
            24 ms
            
            
           | 
            1.1 A
            
            
           | 
            ASi Cable 1m, 2.5mm2 
            
            
           | 
            600 W
            
            
           | 
            500 W
            
            
           | 
            350 W
            
            
           |  |  | 
            1000 W
            
            
           | 
            35V / 4 J 
            
            
           | 
            700 W
            
            
           |  | ||
|   
      
        IP65/IP67 Power supply 3x380-480 V AC/24 V DC, 500 W
      
      
       
        Art:
         
          
            FPT500.241-010-108
          
          Copied
         | 
            0.94 
            
            
           | 
            28 V DC
            
            
           | 
            20.8 A
            
            
           | 
            41.7 A
            
            
           | 
            500 W
            
            
           | 
            94.2 %
            
            
           | 
            95.8 %
            
            
           | 
            78000 h
            
            
           | 
            315000 h
            
            
           | 
            CE, cULus 
            
            
           | 
            24 ms
            
            
           | 
            1.1 A
            
            
           | 
            1x HAN Q2/0 
            
            
           | 
            600 W
            
            
           | 
            500 W
            
            
           | 
            350 W
            
            
           |  |  | 
            1000 W
            
            
           | 
            35V / 4 J 
            
            
           | 
            700 W
            
            
           |  | 
Select a variant in the list