STEGO

Electronic thermostat ETL 011

ETL

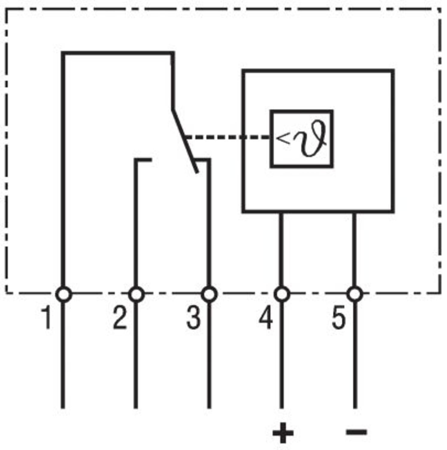
The electronic thermostat registers the surrounding air temperature and can switch a signal current via its internal relay with a potential-free change-over contact.

 

Signal-processing devices can be controlled directly with the ETL 011. In order to control heating and cooling equipment, filter fans and signal devices the switch module SM 010 or a similar device is needed.

 

The LED integrated in the adjustment knob shows the closed status of the contact 1-2.

 

When temperature is rising contact 1-2 opens and the LED turns off. In currentless state (no supply voltage) contact 1-2 opens.

Read more
  • Large setting range
  • Small hysteresis
  • Optical operating display (LED)
  • Change-over contact
  • Signal application

Selected variant

Available in several variants

Selected variant

Technical data

General data

Control range temperature from -20 °C
Control range temperature to 60 °C
Tolerance switch off ±1,5K
Tolerance for switch on ±1,5K
Hysteresis temperature 4K (±1,5K ) @ +20°C (+68°F)
Detection NTC
Contact type Changeover (SPDT)
Colour Light grey

Rated operating conditions

Voltage max 60 V dc
Voltage min 10 V dc
Breaking capacity DC 0,5 A @ 48 V DC
Operational temperature -40°C ... +85°C
Storage temperature -40°C ... +85°C
Breaking capacity min DC 10 mW

*Invisible Heading*

Life span > 100,000 cycles
Operating humidity < 90% RH
Humidity storage <90% RH

Dimensions

Height 64.5 mm
Width 42 mm
Depth 38 mm
Weight 0.07 kg
Material plastic housing Plastic
Material of body Plastic
Tightening torque max 0.5

Safety & approvals

IP class IP20
Approvals CE, cULus, EAC, RoHS, UL, UL E164102, VDE
Flammability class UL94-V0

Product description

The electronic thermostat registers the surrounding air temperature and can switch a signal current via its internal relay with a potential-free change-over contact.

 

Signal-processing devices can be controlled directly with the ETL 011. In order to control heating and cooling equipment, filter fans and signal devices the switch module SM 010 or a similar device is needed.

 

The LED integrated in the adjustment knob shows the closed status of the contact 1-2.

 

When temperature is rising contact 1-2 opens and the LED turns off. In currentless state (no supply voltage) contact 1-2 opens.

Accessories

Related

Parts Control range temperature from Control range temperature to Control range temperature from Control range temperature to Price
-20 °C
60 °C
-4 °F
140 °F

Selected variant

Select a variant in the list

Contact us
If you need any help, you can contact us in one of the following ways:
0116 284 9900
Send e-mail
Use live chat
Do you need help?
Logo

Cookie settings for OEM.CO.UK

Cookies help us improve your experience with us, so in order to be able to handle login information, offer you personalised content and for basic functionality of this website, we use some cookies.

We will never sell on any information about you. 

You can accept all cookies or personalise your cookies preferences, you can also change your cookie preferences at any time by visiting our contact page.

Necessary Cookies

These cookies are necessary for the website to work and can not be turned off in our systems. They are usually used only in response to actions you have taken in connection with a service request, for example when setting personal preferences, logging in or filling out a form.

Analysis and measurement cookies

These cookies allow us to count the number of visits and traffic sources so that we can measure and improve our website performance. They help us know which pages are more or less popular and how visitors navigate around the site. The information that these cookies collect is aggregated and therefore completely anonymous. If you do not allow these cookies, we do not know when you have visited our website.

Marketing cookies

These cookies can be added by our partners. They can use them to create a profile of you, based on your interests, to show you more relevant information. They do not store any personal information - only information about your browser and device. If you do not accept these cookies, you will have a more general and less customized user experience.