STEGO

Electronic hygrotherm with External Sensor - ETF 012

ETF

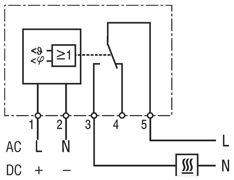
This electronic hygrotherm measures both humidity and temperature and switches a relay contact to control a heater or fan when one of the set values is reached.

The is model has the option of either a 1 or 2 m long external sensor, so it can be mounted in the best position within larger enclosures.

 

LED's indication is clearly visible behind each setting knob, indicate whent he ouput is active.

 

Read more
  • Temperature and humidity regulation
  • LED indication of active values
  • External sensor
  • 1 or 2 m cable
  • Wide voltage range

Selected variant

Available in several variants

Selected variant

Technical data

General data

Control range temperature from 0 °C
Control range temperature to 60 °C
Hysteresis temperature 2K @ +25°C, 50% RH
Control range humidity from 50 % RF
Control range humidity to 90 % RF
Hysteresis humidity 4% RH @ +25°C, 50% RH
Mounting Clip on, DIN rail
Contact type Changeover (SPDT)
Colour Light grey

Rated operating conditions

Voltage max 60 V dc
Voltage min 20 V dc
Inrush max 30 A
Breaking capacity Resistive load: 240 V AC 10 (1,6) A, inductive load, cosφ=0,6: 240 V AC 3 A, 120 V AC 3 A. 24 V DC 4 A
Contact resistance <10 mΩ
Connection type 5-pole terminal
Operational temperature -40°C ... +60°C

*Invisible Heading*

Storage temperature -40°C ... +60°C
Life span VDE: NO/NC > 15,000 cycles, UL: NO/NC > 30,000 cycles
Operating humidity < 90% RH
Humidity storage <90% RH

Dimensions

Height 77 mm
Width 60 mm
Depth 43 mm
Weight 0.2 kg
Material of body Plastic
Cable length 1000 mm

Safety & approvals

IP class IP20
Approvals CE, cULus, EAC, RoHS, UL, UL E164102, VDE
Flammability class UL94-V0
EMC EN 55014-1-2, EN 61000-3-2, EN 61000-3-3

Product description

This electronic hygrotherm measures both humidity and temperature and switches a relay contact to control a heater or fan when one of the set values is reached.

The is model has the option of either a 1 or 2 m long external sensor, so it can be mounted in the best position within larger enclosures.

 

LED's indication is clearly visible behind each setting knob, indicate whent he ouput is active.

 

Accessories

Related

Parts Voltage max Voltage min Cable length Price
60 V dc
20 V dc
1000 mm
60 V dc
20 V dc
2000 mm
265 V ac
90 V ac
1000 mm
265 V ac
90 V ac
2000 mm

Selected variant

Select a variant in the list

Contact us
If you need any help, you can contact us in one of the following ways:
0116 284 9900
Send e-mail
Use live chat
Do you need help?
Logo

Cookie settings for OEM.CO.UK

Cookies help us improve your experience with us, so in order to be able to handle login information, offer you personalised content and for basic functionality of this website, we use some cookies.

We will never sell on any information about you. 

You can accept all cookies or personalise your cookies preferences, you can also change your cookie preferences at any time by visiting our contact page.

Necessary Cookies

These cookies are necessary for the website to work and can not be turned off in our systems. They are usually used only in response to actions you have taken in connection with a service request, for example when setting personal preferences, logging in or filling out a form.

Analysis and measurement cookies

These cookies allow us to count the number of visits and traffic sources so that we can measure and improve our website performance. They help us know which pages are more or less popular and how visitors navigate around the site. The information that these cookies collect is aggregated and therefore completely anonymous. If you do not allow these cookies, we do not know when you have visited our website.

Marketing cookies

These cookies can be added by our partners. They can use them to create a profile of you, based on your interests, to show you more relevant information. They do not store any personal information - only information about your browser and device. If you do not accept these cookies, you will have a more general and less customized user experience.