INDUSTRILÅS
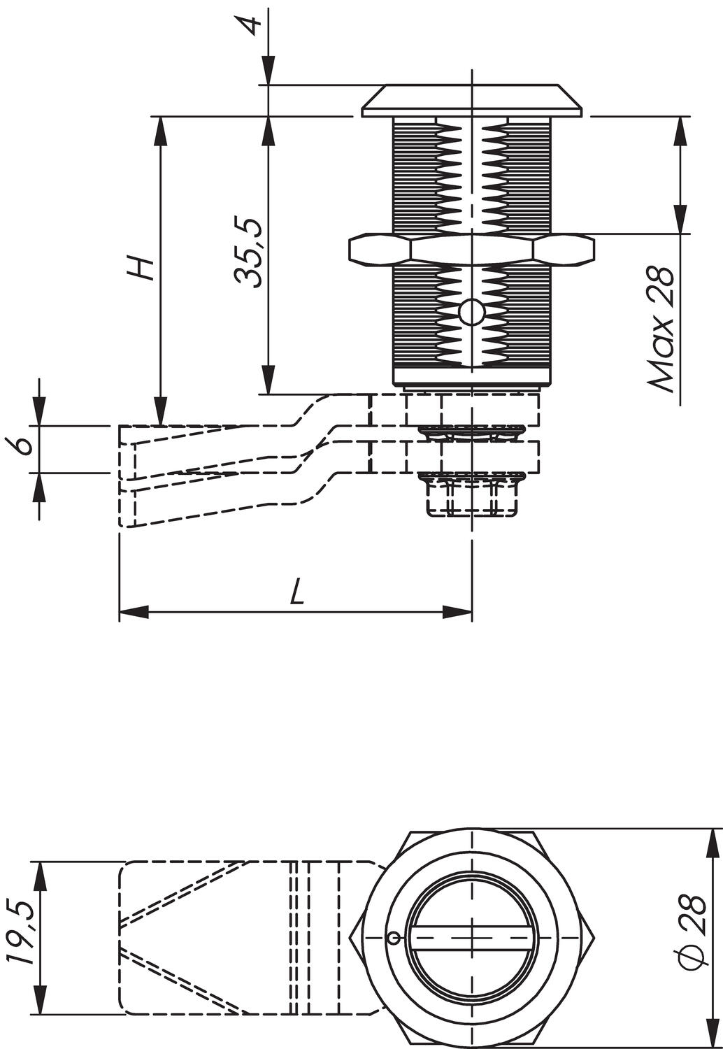
Stainless compression lock 35 mm. Locks and compresses through a 180° rotation. The first 90° rotation locks the rule, the second 90° rotation compresses the rule 6 mm. This is illustrated in the drawing below.
The lock is delivered assembled, IP65.
Â
Please note that rule is ordered separately. Select rule without allocation.
Â
Configurable | No |
---|---|
Material lock housing | Stainless steel AISI 304 |
Material nut | Stainless steel 303 |
Opening angle | 90 ° |
Stainless compression lock 35 mm. Locks and compresses through a 180° rotation. The first 90° rotation locks the rule, the second 90° rotation compresses the rule 6 mm. This is illustrated in the drawing below.
The lock is delivered assembled, IP65.
Â
Please note that rule is ordered separately. Select rule without allocation.
Â
What tri-rated cable are you currently using? Does the product or service you receive leave you wanting more? It’s time to ask the question. Because now, you’ve got options.
This innovative push-in connection system enables time savings of up to 50%, whether you're wiring control panels or managing complex installations
Solar energy has become a pillar of the global energy transition. The experts at OEM Automatic have broken down the role of photovoltaic fuses and their contribution to solar systems, as well as, how to choose the right solution for you.
Ultra fast-acting fuse links engineered specifically to shield delicate semiconductor devices.
Do you need reliable protection for measuring and control equipment? DEHN YellowLine delivers voltage surge protection tailored for building, measuring, and control systems
Choosing the right circuit breaker is important for protecting DC circuits. Two primary forms of protection are MCBs and ECBs. The experts at OEM Automatic breakdown the two circuit breakers for you!
|
|
|
|
|
||
---|---|---|---|---|---|---|
|
|
|
|
|
||
|
|
|
|
|
||
|
|
|
|
|
||
|
|
|
|
|
||
|
|
|
|
|
||
|
|
|
|
|
Parts | Price | ||
---|---|---|---|
![]()
Compression lock 35mm, Hexagon 11, Stainless steel 304
Art:
243087-01
Copied
|
| ||
![]()
Compression lock 35mm, Square 6, Stainless steel 304
Art:
243087-07
Copied
|
| ||
![]()
Compression lock 35mm, Square 7, Stainless steel 304
Art:
243087-08
Copied
|
| ||
![]()
Compression lock 35mm, Sqaure 8 with arrow, Stainless steel 304
Art:
243087-09
Copied
|
| ||
![]()
Compression lock 35mm, Sqaure 10 / M6, Stainless steel 304
Art:
243087-11
Copied
|
| ||
![]()
Compression lock 35mm, Triangle 8, Stainless steel 304
Art:
243087-13
Copied
|
| ||
![]()
Compression lock 35mm, Triangle 7, Stainless steel 304
Art:
243087-12
Copied
|
| ||
![]()
Compression lock 35mm, Triangle 10 / M6, Stainless steel 304
Art:
243087-15
Copied
|
| ||
![]()
Compression lock 35mm, Traingle 10, Stainless steel 304
Art:
243087-14
Copied
|
| ||
![]()
Compression lock 35mm, Double bit 3, Stainless steel 304
Art:
243087-16
Copied
|
| ||
![]()
Compression lock 35mm, DB, Stainless steel 304
Art:
243087-18
Copied
|
| ||
![]()
Compression lock 35mm, Slotted, Stainless steel 304
Art:
243087-20
Copied
|
| ||
![]()
Compression lock 35mm, Recessed square 8, Stainless steel 304
Art:
243087-48
Copied
|
| ||
![]()
Compression lock 35mm, Double bit 5, Stainless steel 304
Art:
243087-17
Copied
|
| ||
![]()
Compression lock 35mm, Triangle 10 / M5, Stainless steel 304
Art:
243087-28
Copied
|
| ||
![]()
Compression lock 35mm, Triangle 6.5, Stainless steel 304
Art:
243087-79
Copied
|
|
Select a variant in the list