ELECTROMEN

Electromen - EM-167 DC motor positioning drive 12-32 V dc, 4 A, analogue FB

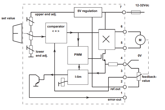
EM-167 is a compact positioning driver. The unit is equipped with its own set value potentiometer. EM-

167 also has an inbuilt servo-amp. and power stage which is capable of driving a DC motor directly. It is

suitable for driving a DC spindle motors equipped with feedback potentiometer. EM-167 is best suited for

slow and medium speed systems with a transitional period of 2...30s (from end to end).

The current limit is adjustable and can be used to limit the torque of the motor. Current trip feature will

shut down the driver in fault situation, if either current is on the limit for over 2s, or if it takes more than

30s to reach the set value. In fault situation the error output will be activated. Reactivation from the trip

situation is done by applying a reverse control command.

Positioning is done by giving a set value using the EM-167 internal potentiometer. The driver compares

the feedback value to the set value and starts to drive the motor towards the set value. When these values

begin to approach each other the driver will slow down, and when the values are identical the motor stops.

The operating range can be adjusted / limited from both ends with min. and max. adjustments. EM-167

is small-sized and easy to install. Due to its wide temperature range, the unit is suitable also for vehicle

use. The power stage is equipped with self recovery overload and over current protection, but the use of

an external fuse is recommended.

 

FEATURES

• small size

• pos. accuracy typ. ±1%

• good efficiency >92%

• for motors 5-200W

• start- and stop-ramp

• overload protected

• adjustable current limit

• adjustable range

Read more
  • 12-32 V dc, 4 A continuous, 15 A peak
  • Set value & feedback input, 0-5V or potentiometer
  • Positioning accuracy. typ. ±1%
  • Current limiting, soft start/stop and range adjustment control
  • Panel mount

Selected variant

EM-167.jpg

DC motor positioning drive 12-32 V dc, 4 A, analogue FB

Art:

Selected variant

Technical data

Analogue input 0-5V
Control type Direction, Torque, Position, Soft start / stop
Current setting range 0-15 A
Dimensions length x width x height 39x39x50mm
Max continuous current 4 A
Mounting Panel mount
Operating temperature -20°C...+60°C
Peak current 15
Suitable engine DC
Supplier Electromen
Supply voltage 12 V DC, 24 V DC
Weight 85 g

Downloads

Measurements and connections

Technical illustrations

Product description

EM-167 is a compact positioning driver. The unit is equipped with its own set value potentiometer. EM-

167 also has an inbuilt servo-amp. and power stage which is capable of driving a DC motor directly. It is

suitable for driving a DC spindle motors equipped with feedback potentiometer. EM-167 is best suited for

slow and medium speed systems with a transitional period of 2...30s (from end to end).

The current limit is adjustable and can be used to limit the torque of the motor. Current trip feature will

shut down the driver in fault situation, if either current is on the limit for over 2s, or if it takes more than

30s to reach the set value. In fault situation the error output will be activated. Reactivation from the trip

situation is done by applying a reverse control command.

Positioning is done by giving a set value using the EM-167 internal potentiometer. The driver compares

the feedback value to the set value and starts to drive the motor towards the set value. When these values

begin to approach each other the driver will slow down, and when the values are identical the motor stops.

The operating range can be adjusted / limited from both ends with min. and max. adjustments. EM-167

is small-sized and easy to install. Due to its wide temperature range, the unit is suitable also for vehicle

use. The power stage is equipped with self recovery overload and over current protection, but the use of

an external fuse is recommended.

 

FEATURES

• small size

• pos. accuracy typ. ±1%

• good efficiency >92%

• for motors 5-200W

• start- and stop-ramp

• overload protected

• adjustable current limit

• adjustable range

Accessories

Related

synchronous motors
Product news Blog

Synchronous Motors

Do you have a light duty motor requirement requiring a very stable output rpm ? If so, Crouzet synchronous motors are could well provide you ideal solution…

IATECH, the industrial automation technology exhibition OEM automatic
Company news

Recap of IATECH

Did you get a chance to visit IATECH at The Leicester Marriott Hotel? We had over 33 exhibitors and 8 fantastic Tech Talks throughout the day, Read all about the day, here.

IATECH industrial automation components exhibition in at leicester marriott hotel by OEM Automatic
Company news

OEM introduces IATECH - The Industrial Automation Technology Expo

We are thrilled to announce the launch of IATECH, THe Industrial Automation Technology expo at Leicester Marriott Hotel on 23rd October. The ultimate platform for showcasing our extensive product range and broad business areas, featuring over 50 leading suppliers under one roof!

automation components for specialist vehicles
Blog

Automation Components for Specialist Vehicles

The specialist vehicle industry can include automotive and EV, heavy vehicles such as agriculture and rail, and marine.  This email takes you through some of the various products we offer for specialist vehicle applications.

Drive wheels AGV's AMR'S
Product news Blog

Wheel motor drives for AGVs

AGV drive wheel motors cover a wide range of options – from a miniature unit on a small 20kg robot, tasked to move on a perfectly level and smooth indoor surface, up to passenger vehicle-sized robots working outside over fields and varying terrain.

electro pneumatic control box customised bespoke solutions
Case studies

Case Study - Electro Pneumatic Control Box

At OEM Automatic, we can supply a series of components for your one project. All under one roof. This case study discusses how we supplied several components for our customer's new electro-pneumatic control box. 

Contact us
If you need any help, you can contact us in one of the following ways:
0116 284 9900
Send e-mail
Use live chat
Do you need help?
Logo

Cookie settings for OEM.CO.UK

Cookies help us improve your experience with us, so in order to be able to handle login information, offer you personalised content and for basic functionality of this website, we use some cookies.

We will never sell on any information about you. 

You can accept all cookies or personalise your cookies preferences, you can also change your cookie preferences at any time by visiting our contact page.

Necessary Cookies

These cookies are necessary for the website to work and can not be turned off in our systems. They are usually used only in response to actions you have taken in connection with a service request, for example when setting personal preferences, logging in or filling out a form.

Analysis and measurement cookies

These cookies allow us to count the number of visits and traffic sources so that we can measure and improve our website performance. They help us know which pages are more or less popular and how visitors navigate around the site. The information that these cookies collect is aggregated and therefore completely anonymous. If you do not allow these cookies, we do not know when you have visited our website.

Marketing cookies

These cookies can be added by our partners. They can use them to create a profile of you, based on your interests, to show you more relevant information. They do not store any personal information - only information about your browser and device. If you do not accept these cookies, you will have a more general and less customized user experience.