ELECTROMEN

Electromen - EM-243C

DC motor 2Q drive 12-48Vdc, 50A

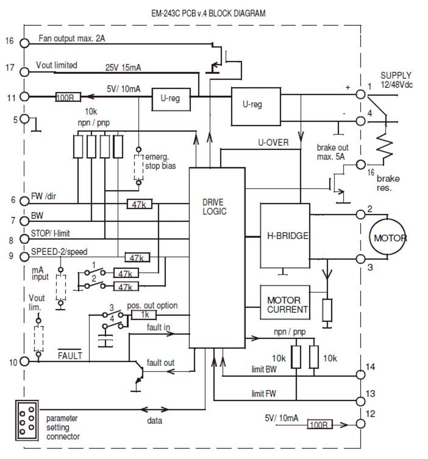
EM-243C is a full bridge DC-motor starter. It is designed to work with DC-motor in applications where some special functions are needed. Starter has adjustable acceleration and deceleration ramps, which make possible the smooth starts and stops. Adjustable current limit protects motor against overcurrent and it can also be used as an end-stop. This device has also two settable speeds, which are usefull in positioning applications. Control inputs FW and BW start the forward and backward run. STOP is for the motor shut-down but there are also available individual limit inputs for FW and BW directions. SPEED-2 input activates preset speed-2, but it can also be used as input for analog speed control signal 0-5V. FAULT terminal has at the same time input and output function, the pin is normally high, but is pulled down in overheat and conditionally also in current trip situation. If FAULT-line is pulled down externally it will cause a stop and prevent the new start. For example, it is possible to link fault pins of several units together and achieve a syncronous stop. There are 2 selectable control modes, contionuous and impulse. In continuous mode the motor runs as long as the control is active.

In impulse mode a short comand starts the motor, and only a new impulse will change the status. The card has selectable input logics.

Inputs are divided in two groups, control and limit -inputs. Groups can be individually set for NPN or PNP logic. The parameters are set with EM-236 interface unit. Operation of the controller and some of its functional values can also be monitored with EM-236 interface unit. In C-version program is possible to select 16kHz pwm frequency ( = silent ) but notice that current output capability is lower with 16kHz.

 

FEATURES ( notice Prog. and PCB versions )

- small size

- high current output

- current limit

- zero current limit

- speed setting

- flexible control inputs

- impulse / continuous mode

- rail base mountable

- digital parameter setting

- C ver. card compatible with A version card

- C firmware can be loaded A-ver. card

- C ver. new features

+ freewheel options parameter (param 19)

+ 2 or 16kHz pwm freq.select (param. 20)

+ current limit analog input ( param 6&7 )

+ speed+dir operating mode (param. 5)

+ Fan and Brake available in board 243C v.2

+ Extend operating voltage in board 243C v.2

 

 

* Motor current max. with 2kHz pwm

100% pwm 50A , 20-99pwm% 35A and peak 100A ( 5s )

Motor current max. with 16kHz pwm

100% pwm 40A , 20-99pwm% 20A and peak 60A ( 5s )

Read more
  • 12-48Vdc, 50A continuous, 100A peak
  • Speed, direction, current limiting, soft start/stop and auto-reverse control
  • Limit switch inputs for end of travel
  • Compact, DIN rail mountable

Selected variant

Available in several variants

Selected variant

Technical data

2053_Current limit (A) 1-100
2421_Peak current (A) (5s) 100
5646_Dimensions length x width x height (mm) 107x72x40mm
Analogue input 0-5V or 0-10V
Control type Speed, Direction, Torque, Soft start / stop
Current setting range 1-100 A
Logic input high >4V = ON
Logic input low <1V = OFF
Max continuous current *50 A
Mounting DIN rail
Operating temperature -40°C...+60°C
PWM frequency 2kHz/16kHz
Suitable engine DC
Supplier Electromen
Supply voltage 12 V DC, 24 V DC, 36 V DC, 48 V DC
Weight 190 g

Product description

EM-243C is a full bridge DC-motor starter. It is designed to work with DC-motor in applications where some special functions are needed. Starter has adjustable acceleration and deceleration ramps, which make possible the smooth starts and stops. Adjustable current limit protects motor against overcurrent and it can also be used as an end-stop. This device has also two settable speeds, which are usefull in positioning applications. Control inputs FW and BW start the forward and backward run. STOP is for the motor shut-down but there are also available individual limit inputs for FW and BW directions. SPEED-2 input activates preset speed-2, but it can also be used as input for analog speed control signal 0-5V. FAULT terminal has at the same time input and output function, the pin is normally high, but is pulled down in overheat and conditionally also in current trip situation. If FAULT-line is pulled down externally it will cause a stop and prevent the new start. For example, it is possible to link fault pins of several units together and achieve a syncronous stop. There are 2 selectable control modes, contionuous and impulse. In continuous mode the motor runs as long as the control is active.

In impulse mode a short comand starts the motor, and only a new impulse will change the status. The card has selectable input logics.

Inputs are divided in two groups, control and limit -inputs. Groups can be individually set for NPN or PNP logic. The parameters are set with EM-236 interface unit. Operation of the controller and some of its functional values can also be monitored with EM-236 interface unit. In C-version program is possible to select 16kHz pwm frequency ( = silent ) but notice that current output capability is lower with 16kHz.

 

FEATURES ( notice Prog. and PCB versions )

- small size

- high current output

- current limit

- zero current limit

- speed setting

- flexible control inputs

- impulse / continuous mode

- rail base mountable

- digital parameter setting

- C ver. card compatible with A version card

- C firmware can be loaded A-ver. card

- C ver. new features

+ freewheel options parameter (param 19)

+ 2 or 16kHz pwm freq.select (param. 20)

+ current limit analog input ( param 6&7 )

+ speed+dir operating mode (param. 5)

+ Fan and Brake available in board 243C v.2

+ Extend operating voltage in board 243C v.2

 

 

* Motor current max. with 2kHz pwm

100% pwm 50A , 20-99pwm% 35A and peak 100A ( 5s )

Motor current max. with 16kHz pwm

100% pwm 40A , 20-99pwm% 20A and peak 60A ( 5s )

Accessories

Related products

Related

Various motor types from Oriental Motor, Minimotor and Doga - How to select the right motor
Learning hub

How to select the right motor

Determining what motor to use is quite a daunting task. Our Motors experts have developed a guide to show the steps to determine a suitable motor.

synchronous motors
Product news Blog

Synchronous Motors

Do you have a light duty motor requirement requiring a very stable output rpm ? If so, Crouzet synchronous motors are could well provide you ideal solution…

IATECH, the industrial automation technology exhibition OEM automatic
Company news

Recap of IATECH

Did you get a chance to visit IATECH at The Leicester Marriott Hotel? We had over 33 exhibitors and 8 fantastic Tech Talks throughout the day, Read all about the day, here.

IATECH industrial automation components exhibition in at leicester marriott hotel by OEM Automatic
Company news

OEM introduces IATECH - The Industrial Automation Technology Expo

We are thrilled to announce the launch of IATECH, THe Industrial Automation Technology expo at Leicester Marriott Hotel on 23rd October. The ultimate platform for showcasing our extensive product range and broad business areas, featuring over 50 leading suppliers under one roof!

automation components for specialist vehicles
Blog

Automation Components for Specialist Vehicles

The specialist vehicle industry can include automotive and EV, heavy vehicles such as agriculture and rail, and marine.  This email takes you through some of the various products we offer for specialist vehicle applications.

Drive wheels AGV's AMR'S
Product news Blog

Wheel motor drives for AGVs

AGV drive wheel motors cover a wide range of options – from a miniature unit on a small 20kg robot, tasked to move on a perfectly level and smooth indoor surface, up to passenger vehicle-sized robots working outside over fields and varying terrain.

Parts 2053_Current limit (A) 2421_Peak current (A) 5646_Dimensions length x width x height (mm) Analogue input Brake output Change direction of rotation (CW/CCW) Control type Current limit adjustable Current setting range Currenttrip autoreveice Forward/Reverse Functions Impulse/continuous mode Joystick analog input Logic input high Logic input low Max continuous current Parallel driver four motors Parallel driver two motors Position with potentiometer Positioning Potentiometer adjustable speed PWM frequency RS232 RS485/Modbus Softstart/stop Speed settings Speedregulator Stop at limit position Suitable engine Supplier Supply voltage Price
1-100
(5s) 100
107x72x40mm
0-5V or 0-10V
Speed, Direction, Torque, Soft start / stop
1-100 A
>4V = ON
<1V = OFF
*50 A
2kHz/16kHz
DC
Electromen
12 V DC, 24 V DC, 36 V DC, 48 V DC
1-100
(5s) *100
107x72x40mm
0-5V or 0-10V
Yes
Yes
Speed, Direction, Torque, Soft start / stop
Yes
1-100 A
Yes
Currenttrip autoreversing, Brake output, Speed settings, Impulse/continuous mode, Joystick analog input, Softstart/stop, Potentiometer adjustable speed, RS485/Modbus, Stop at limit position, Speedregulator, Change direction of rotation (CW/CCW)
Yes
Yes
>4V = ON
<1V = OFF
*50 A
No
No
No
No
Yes
2kHz/16kHz
No
No
Yes
Yes
Yes
Yes
DC
Electromen
12-48 V DC
(1s) 150
Yes
Yes
1-100A
Yes
No
No
Yes
Yes
No
Yes
Yes
Yes
Yes
12-48 V DC

Selected variant

Select a variant in the list

Contact us
If you need any help, you can contact us in one of the following ways:
0116 284 9900
Send e-mail
Use live chat
Do you need help?
Logo

Cookie settings for OEM.CO.UK

Cookies help us improve your experience with us, so in order to be able to handle login information, offer you personalised content and for basic functionality of this website, we use some cookies.

We will never sell on any information about you. 

You can accept all cookies or personalise your cookies preferences, you can also change your cookie preferences at any time by visiting our contact page.

Necessary Cookies

These cookies are necessary for the website to work and can not be turned off in our systems. They are usually used only in response to actions you have taken in connection with a service request, for example when setting personal preferences, logging in or filling out a form.

Analysis and measurement cookies

These cookies allow us to count the number of visits and traffic sources so that we can measure and improve our website performance. They help us know which pages are more or less popular and how visitors navigate around the site. The information that these cookies collect is aggregated and therefore completely anonymous. If you do not allow these cookies, we do not know when you have visited our website.

Marketing cookies

These cookies can be added by our partners. They can use them to create a profile of you, based on your interests, to show you more relevant information. They do not store any personal information - only information about your browser and device. If you do not accept these cookies, you will have a more general and less customized user experience.