ELECTROMEN

Electromen - EM-337-PLI

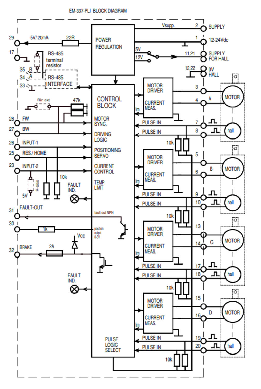
Parallel drive for 4 x DC motors 12-24 V dc, 4x10A

EM-337 is a parallel synchro controller for up to 4 DC-motors. The controller has four H-bridge power stages. The driver works

with actuators that can offer pulse feedback signal. The control is done with FW / BW commands. The synchronization control will keep all motors in the same speed and position. If synchronous error exceedsthe set difference limit, all motors will be stopped. Device includes adjustable acceleration and deceleration ramps, which produce the smooth starts, stops and direction changes.Load compensation also enables good operation with asymmetric loads. Adjustable current limits can be set to protect motor and mechanics against overcurrent (over sized forces).

 

FEATURES

- synchronized 4 parallel driving

- operates with pulse feedback

- pulse counting PNP or NPN logic

- quadrature pulse counting

- current and temperature limit

- settable drive speed

- 2 or 16kHz pwm frequency

- acceleration and deceleration ramps

- stroke length limitation

- setting with serial interface

- brake ( release ) output

- safety switch input

- optional Rs-485 ( Modbus ) control

- safety reverse function

 

APPLICATIONS

- table lifter

- hatch control

- worktop control

Read more
  • 12-24Vdc, 4x8A continuous, 4x10A 25% duty
  • Synchronized parallel driving
  • Operates with pulse feedback from motors
  • Homing cycle & end of travel limits set by pulse counting
  • Programmable with wide range of motor control functions

Selected variant

EM-337.png

Art:

Selected variant

Technical data

Control type Braking, Direction, Soft start / stop, Speed, Torque
Current setting range 1-25 A
Dimensions length x width x height 142x73x28mm
Logic input high >4V = ON
Logic input low <1V = OFF
Max continuous current 4x8 A
Mounting DIN rail
Operating temperature -40°C...+60°C
Peak current 4x25
PWM frequency 2kHz/16kHz
Suitable engine DC
Supplier Electromen
Supply voltage 12 V DC, 24 V DC
Weight 190 g

Measurements and connections

Technical illustrations

Product description

EM-337 is a parallel synchro controller for up to 4 DC-motors. The controller has four H-bridge power stages. The driver works

with actuators that can offer pulse feedback signal. The control is done with FW / BW commands. The synchronization control will keep all motors in the same speed and position. If synchronous error exceedsthe set difference limit, all motors will be stopped. Device includes adjustable acceleration and deceleration ramps, which produce the smooth starts, stops and direction changes.Load compensation also enables good operation with asymmetric loads. Adjustable current limits can be set to protect motor and mechanics against overcurrent (over sized forces).

 

FEATURES

- synchronized 4 parallel driving

- operates with pulse feedback

- pulse counting PNP or NPN logic

- quadrature pulse counting

- current and temperature limit

- settable drive speed

- 2 or 16kHz pwm frequency

- acceleration and deceleration ramps

- stroke length limitation

- setting with serial interface

- brake ( release ) output

- safety switch input

- optional Rs-485 ( Modbus ) control

- safety reverse function

 

APPLICATIONS

- table lifter

- hatch control

- worktop control

Accessories

Related

synchronous motors
Product news Blog

Synchronous Motors

Do you have a light duty motor requirement requiring a very stable output rpm ? If so, Crouzet synchronous motors are could well provide you ideal solution…

IATECH, the industrial automation technology exhibition OEM automatic
Company news

Recap of IATECH

Did you get a chance to visit IATECH at The Leicester Marriott Hotel? We had over 33 exhibitors and 8 fantastic Tech Talks throughout the day, Read all about the day, here.

IATECH industrial automation components exhibition in at leicester marriott hotel by OEM Automatic
Company news

OEM introduces IATECH - The Industrial Automation Technology Expo

We are thrilled to announce the launch of IATECH, THe Industrial Automation Technology expo at Leicester Marriott Hotel on 23rd October. The ultimate platform for showcasing our extensive product range and broad business areas, featuring over 50 leading suppliers under one roof!

automation components for specialist vehicles
Blog

Automation Components for Specialist Vehicles

The specialist vehicle industry can include automotive and EV, heavy vehicles such as agriculture and rail, and marine.  This email takes you through some of the various products we offer for specialist vehicle applications.

Drive wheels AGV's AMR'S
Product news Blog

Wheel motor drives for AGVs

AGV drive wheel motors cover a wide range of options – from a miniature unit on a small 20kg robot, tasked to move on a perfectly level and smooth indoor surface, up to passenger vehicle-sized robots working outside over fields and varying terrain.

electro pneumatic control box customised bespoke solutions
Case studies

Case Study - Electro Pneumatic Control Box

At OEM Automatic, we can supply a series of components for your one project. All under one roof. This case study discusses how we supplied several components for our customer's new electro-pneumatic control box. 

Contact us
If you need any help, you can contact us in one of the following ways:
0116 284 9900
Send e-mail
Use live chat
Do you need help?
Logo

Cookie settings for OEM.CO.UK

Cookies help us improve your experience with us, so in order to be able to handle login information, offer you personalised content and for basic functionality of this website, we use some cookies.

We will never sell on any information about you. 

You can accept all cookies or personalise your cookies preferences, you can also change your cookie preferences at any time by visiting our contact page.

Necessary Cookies

These cookies are necessary for the website to work and can not be turned off in our systems. They are usually used only in response to actions you have taken in connection with a service request, for example when setting personal preferences, logging in or filling out a form.

Analysis and measurement cookies

These cookies allow us to count the number of visits and traffic sources so that we can measure and improve our website performance. They help us know which pages are more or less popular and how visitors navigate around the site. The information that these cookies collect is aggregated and therefore completely anonymous. If you do not allow these cookies, we do not know when you have visited our website.

Marketing cookies

These cookies can be added by our partners. They can use them to create a profile of you, based on your interests, to show you more relevant information. They do not store any personal information - only information about your browser and device. If you do not accept these cookies, you will have a more general and less customized user experience.