ELECTROMEN

Electromen - EM-176

DC motor 4Q drive 12-24Vdc, 10A

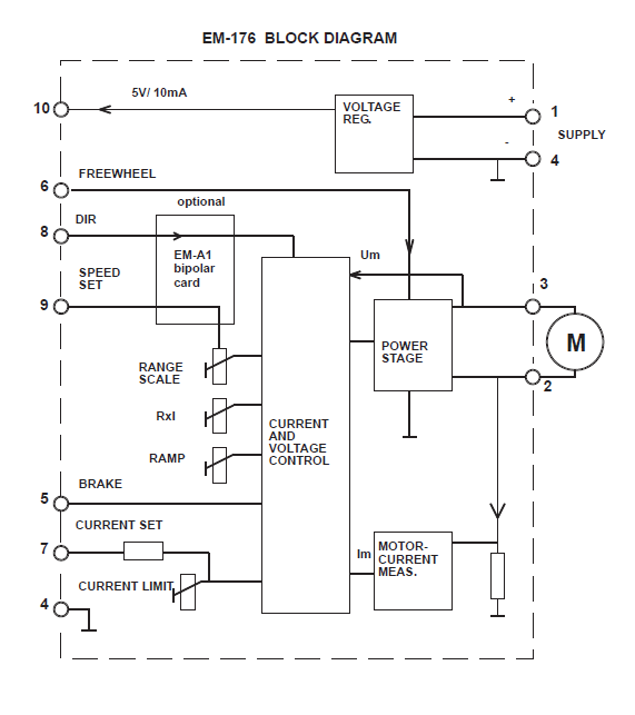
EM-176 is designed for DC-motor speed control. The unit can be used with unregulated DC supply. Motor

loading can be compensated with inbuilt RxI-type adjustment. EM-176 utilizes PWM driven H-bridge, thus

achieves high efficiency and extensive controlling options. Speed control value can be set with voltage signal

or with potentiometer, there is an auxiliary voltage signal output for potentiometer use. The scale trimmer can

be used to scale set value to correspond better the motor rpm. An auxiliary card can be fitted into EM-176 for

bipolar input controlling with voltage signal or potentiometer. The ramp feature is used to limit the motor start

and brake speed, in other words soften the operation and prevent the occurrence of current spikes. The

current limit limits motor torque that is current; this protects the motor and the mechanics. The unit has

separate inputs for brake, freewheel and reverse. Brake short-circuits the motor poles and produces powerful

braking. Freewheel detaches the power stage from the motor and leaves motor rotating freely. Reverse

changes motor rotating direction, this is done using the set ramp times. Brake and freewheel bypass the ramp feature.

 

FEATURES:

• 4 Quadrants

• Braking

• Freewheeling

• Reversal

• 0...10V control

• Optional ±10V control

• Soft start ramp

• Adjustable current limit

• Load compensation ( RxI )

• High efficiency

• High peak loading capacity

• Rail mountable

Read more
  • 12-24Vdc, 10A continuous, 15A peak
  • Speed, direction and braking control
  • Adjustable start ramp and current limit
  • Compact, DIN rail mountable
  • EM-A1 card slot option for symmetrical control ±5V or ±10V (rev-stop-fwd)

Selected variant

274108_877.tif

DC motor 4Q drive 12-24 V dc, 10 A

Art:

Selected variant

Technical data

Analogue input +/-0-5V or +/-0-10V or 0-5V or 0-10V
Control type Speed, Braking, Direction, Torque, Soft start / stop
Current setting range 0-15 A
Dimensions length x width x height 65x73x30mm
Logic input high >4V = ON
Logic input low <1V = OFF
Max continuous current 10 A
Mounting DIN rail
Operating temperature -20°C...+70°C
Peak current 15
PWM frequency 25kHz
Suitable engine DC
Supplier Electromen
Supply voltage 12 V DC, 24 V DC
Weight 100 g

Measurements and connections

Technical illustrations

Product description

EM-176 is designed for DC-motor speed control. The unit can be used with unregulated DC supply. Motor

loading can be compensated with inbuilt RxI-type adjustment. EM-176 utilizes PWM driven H-bridge, thus

achieves high efficiency and extensive controlling options. Speed control value can be set with voltage signal

or with potentiometer, there is an auxiliary voltage signal output for potentiometer use. The scale trimmer can

be used to scale set value to correspond better the motor rpm. An auxiliary card can be fitted into EM-176 for

bipolar input controlling with voltage signal or potentiometer. The ramp feature is used to limit the motor start

and brake speed, in other words soften the operation and prevent the occurrence of current spikes. The

current limit limits motor torque that is current; this protects the motor and the mechanics. The unit has

separate inputs for brake, freewheel and reverse. Brake short-circuits the motor poles and produces powerful

braking. Freewheel detaches the power stage from the motor and leaves motor rotating freely. Reverse

changes motor rotating direction, this is done using the set ramp times. Brake and freewheel bypass the ramp feature.

 

FEATURES:

• 4 Quadrants

• Braking

• Freewheeling

• Reversal

• 0...10V control

• Optional ±10V control

• Soft start ramp

• Adjustable current limit

• Load compensation ( RxI )

• High efficiency

• High peak loading capacity

• Rail mountable

Accessories

Related

synchronous motors
Product news Blog

Synchronous Motors

Do you have a light duty motor requirement requiring a very stable output rpm ? If so, Crouzet synchronous motors are could well provide you ideal solution…

IATECH, the industrial automation technology exhibition OEM automatic
Company news

Recap of IATECH

Did you get a chance to visit IATECH at The Leicester Marriott Hotel? We had over 33 exhibitors and 8 fantastic Tech Talks throughout the day, Read all about the day, here.

IATECH industrial automation components exhibition in at leicester marriott hotel by OEM Automatic
Company news

OEM introduces IATECH - The Industrial Automation Technology Expo

We are thrilled to announce the launch of IATECH, THe Industrial Automation Technology expo at Leicester Marriott Hotel on 23rd October. The ultimate platform for showcasing our extensive product range and broad business areas, featuring over 50 leading suppliers under one roof!

automation components for specialist vehicles
Blog

Automation Components for Specialist Vehicles

The specialist vehicle industry can include automotive and EV, heavy vehicles such as agriculture and rail, and marine.  This email takes you through some of the various products we offer for specialist vehicle applications.

Drive wheels AGV's AMR'S
Product news Blog

Wheel motor drives for AGVs

AGV drive wheel motors cover a wide range of options – from a miniature unit on a small 20kg robot, tasked to move on a perfectly level and smooth indoor surface, up to passenger vehicle-sized robots working outside over fields and varying terrain.

electro pneumatic control box customised bespoke solutions
Case studies

Case Study - Electro Pneumatic Control Box

At OEM Automatic, we can supply a series of components for your one project. All under one roof. This case study discusses how we supplied several components for our customer's new electro-pneumatic control box. 

Contact us
If you need any help, you can contact us in one of the following ways:
0116 284 9900
Send e-mail
Use live chat
Do you need help?
Logo

Cookie settings for OEM.CO.UK

Cookies help us improve your experience with us, so in order to be able to handle login information, offer you personalised content and for basic functionality of this website, we use some cookies.

We will never sell on any information about you. 

You can accept all cookies or personalise your cookies preferences, you can also change your cookie preferences at any time by visiting our contact page.

Necessary Cookies

These cookies are necessary for the website to work and can not be turned off in our systems. They are usually used only in response to actions you have taken in connection with a service request, for example when setting personal preferences, logging in or filling out a form.

Analysis and measurement cookies

These cookies allow us to count the number of visits and traffic sources so that we can measure and improve our website performance. They help us know which pages are more or less popular and how visitors navigate around the site. The information that these cookies collect is aggregated and therefore completely anonymous. If you do not allow these cookies, we do not know when you have visited our website.

Marketing cookies

These cookies can be added by our partners. They can use them to create a profile of you, based on your interests, to show you more relevant information. They do not store any personal information - only information about your browser and device. If you do not accept these cookies, you will have a more general and less customized user experience.