ELECTROMEN

Electromen - EM-170

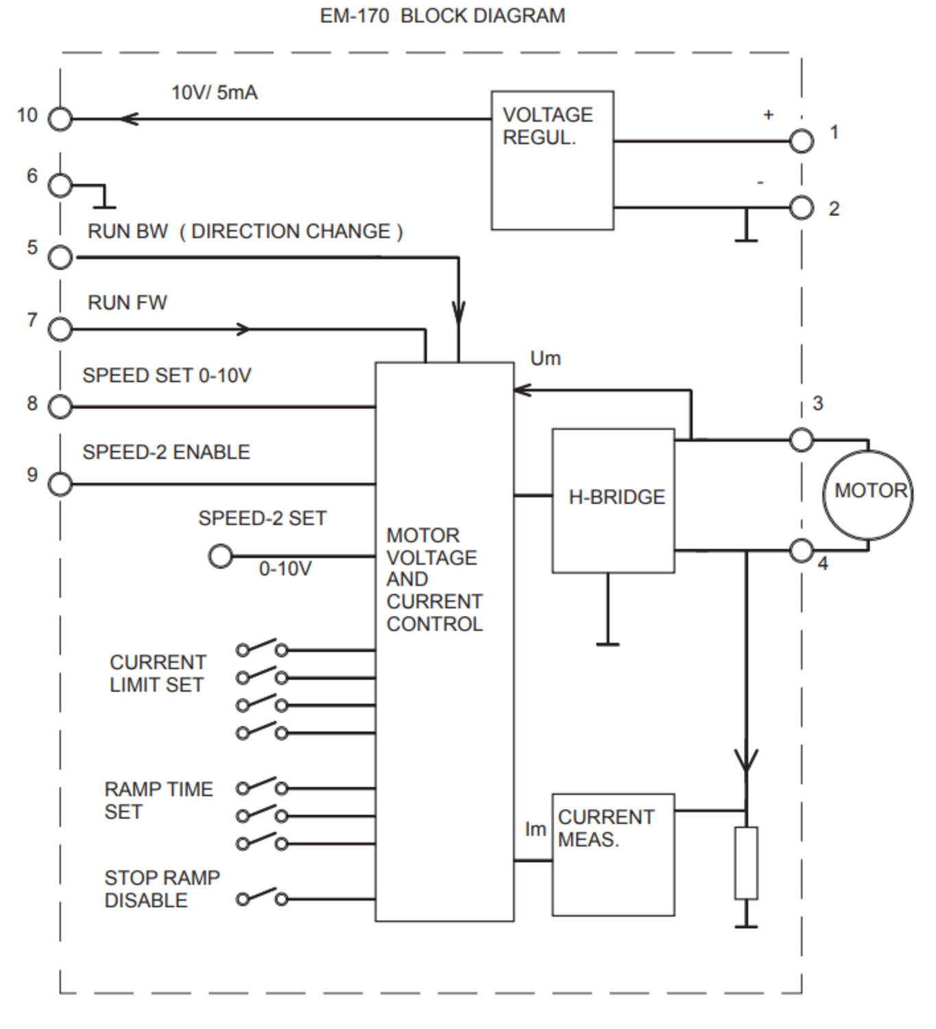
DC motor 4Q drive 12-24 V dc, 1.5 A

EM-170 motor controller is designed for small DC-motors. The controller operates in 4-quadrants,

in other words it is possible to drive the motor in varible speed, change motor running direction and brake. The

power stage operates with PWM-principle and has thus high efficiency.

Speed set value is given as analog voltage signal. Motor voltage is fed back to controller, so changes in operating voltage will not affect motor running speed. 10V regulated auxillary voltage can be used for speed set potentiometer reference voltage. The acceleration speed can be adjusted with acceleration and deceleration ramp. Deceleration ramp can also be bypassed when rapid braking is desired. Additionally the unit is equipped with speed2-feature, which can be activated individually. This is especially practical in positioning applications. Current limit can be used to restrict motor torque and is dip-switch settable. Control inputs work with positive (NPN) logic. EM-170 is EMC-tested in accordance with industrial standards.

 

FEATURES:

• 4-quadrants

• controlled direction change

• brake

• adjustable current limit

• acceleration and deceleration ramp

• dip-switch settable

• EMC-tested

Read more
  • 12-24Vdc, 1.5A continuous, 2A peak
  • Speed, direction and braking control
  • Adjustable start ramp and current limit
  • Compact, small size

Selected variant

EM_170_hero.tif

DC motor 4Q drive 12-24 V dc, 1.5 A

Art:

Selected variant

Technical data

Analogue input 0-10V
Control type Speed, Braking, Direction, Torque, Soft start / stop
Current setting range 0.2-2 A
Dimensions length x width x height 60x60x20mm
Logic input high >4V = ON
Logic input low <1V = OFF
Max continuous current 2 A
Mounting DIN rail
Operating temperature 0°C...+60°C
Peak current 2
PWM frequency 16kHz
Suitable engine DC
Supplier Electromen
Supply voltage 12 V DC, 24 V DC
Weight 30 g

Downloads

Measurements and connections

Technical illustrations

Product description

EM-170 motor controller is designed for small DC-motors. The controller operates in 4-quadrants,

in other words it is possible to drive the motor in varible speed, change motor running direction and brake. The

power stage operates with PWM-principle and has thus high efficiency.

Speed set value is given as analog voltage signal. Motor voltage is fed back to controller, so changes in operating voltage will not affect motor running speed. 10V regulated auxillary voltage can be used for speed set potentiometer reference voltage. The acceleration speed can be adjusted with acceleration and deceleration ramp. Deceleration ramp can also be bypassed when rapid braking is desired. Additionally the unit is equipped with speed2-feature, which can be activated individually. This is especially practical in positioning applications. Current limit can be used to restrict motor torque and is dip-switch settable. Control inputs work with positive (NPN) logic. EM-170 is EMC-tested in accordance with industrial standards.

 

FEATURES:

• 4-quadrants

• controlled direction change

• brake

• adjustable current limit

• acceleration and deceleration ramp

• dip-switch settable

• EMC-tested

Accessories

Related

synchronous motors
Product news Blog

Synchronous Motors

Do you have a light duty motor requirement requiring a very stable output rpm ? If so, Crouzet synchronous motors are could well provide you ideal solution…

IATECH, the industrial automation technology exhibition OEM automatic
Company news

Recap of IATECH

Did you get a chance to visit IATECH at The Leicester Marriott Hotel? We had over 33 exhibitors and 8 fantastic Tech Talks throughout the day, Read all about the day, here.

IATECH industrial automation components exhibition in at leicester marriott hotel by OEM Automatic
Company news

OEM introduces IATECH - The Industrial Automation Technology Expo

We are thrilled to announce the launch of IATECH, THe Industrial Automation Technology expo at Leicester Marriott Hotel on 23rd October. The ultimate platform for showcasing our extensive product range and broad business areas, featuring over 50 leading suppliers under one roof!

automation components for specialist vehicles
Blog

Automation Components for Specialist Vehicles

The specialist vehicle industry can include automotive and EV, heavy vehicles such as agriculture and rail, and marine.  This email takes you through some of the various products we offer for specialist vehicle applications.

Drive wheels AGV's AMR'S
Product news Blog

Wheel motor drives for AGVs

AGV drive wheel motors cover a wide range of options – from a miniature unit on a small 20kg robot, tasked to move on a perfectly level and smooth indoor surface, up to passenger vehicle-sized robots working outside over fields and varying terrain.

electro pneumatic control box customised bespoke solutions
Case studies

Case Study - Electro Pneumatic Control Box

At OEM Automatic, we can supply a series of components for your one project. All under one roof. This case study discusses how we supplied several components for our customer's new electro-pneumatic control box. 

Contact us
If you need any help, you can contact us in one of the following ways:
0116 284 9900
Send e-mail
Use live chat
Do you need help?
Logo

Cookie settings for OEM.CO.UK

Cookies help us improve your experience with us, so in order to be able to handle login information, offer you personalised content and for basic functionality of this website, we use some cookies.

We will never sell on any information about you. 

You can accept all cookies or personalise your cookies preferences, you can also change your cookie preferences at any time by visiting our contact page.

Necessary Cookies

These cookies are necessary for the website to work and can not be turned off in our systems. They are usually used only in response to actions you have taken in connection with a service request, for example when setting personal preferences, logging in or filling out a form.

Analysis and measurement cookies

These cookies allow us to count the number of visits and traffic sources so that we can measure and improve our website performance. They help us know which pages are more or less popular and how visitors navigate around the site. The information that these cookies collect is aggregated and therefore completely anonymous. If you do not allow these cookies, we do not know when you have visited our website.

Marketing cookies

These cookies can be added by our partners. They can use them to create a profile of you, based on your interests, to show you more relevant information. They do not store any personal information - only information about your browser and device. If you do not accept these cookies, you will have a more general and less customized user experience.