Sugatsune

HG-TAJ40SC Torque Hinge

The HG-TAJ40SC20 is a stainless steel two-axis torque hinge that combines spring-assisted tilt and swivel motion. Operating smoothly in temperatures from,10 °C to +50 °C, the hinge integrates Sugatsune’s Motion Design Tec principles offering assist, free-stop, and detent motion for precise, safe, and ergonomic positioning.
  • Can be positioned with both tilt and swivel movement
  • Adjustable Retaining Torque
  • Has a Centre Hole for Cable Management

Selected variant

HG-TAJ40SC20 Main Image.jpg

Stainless Steel Torque Hinge, 3.5~4.5Nm Assist Torque Tilt, 3.5Nm Click Release Torque Swivel

Art:

Selected variant

Technical data

Material Stainless steel, PVC
Surface finish Barrel Polished
Swivel Direction Assist Torque 3.5±20%
Temperature range -10°C~50°C
Tilt Direction Assist Torque 3.5~4.5Nm
Weight 480 g

Measurements and connections

Product description

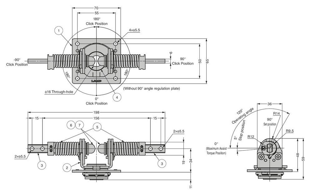
The HG‑TAJ40SC20 is a two-axis stainless steel torque hinge designed for horizontal mounting on lids, panels, or monitors, enabling precise control along both tilt and swivel axes. In the tilt direction, it offers assisted opening up to 120°, thanks to a built-in spring, and retains angles via adjustable torque, allowing smooth support through the first 120° of travel. The swivel axis provides ±180° range with tactile click-stop positions at 0°, ±90°, and ±180°, delivering stable “free-stop” positioning through friction. It has survived rigorous durability testing. The hinge’s dimensions (198 × 59 × 16 mm, 480 g) include a central cable pass-through hole, and it operates reliably between 10 °C to +50 °C, using M5 screws for secure mounting.

In practical applications, the HG‑TAJ40SC20 shines in environments that demand precise and controlled movement on two axes think tilted display screens, analytical instrument lids, access panels in factory automation, and medical device enclosures. Its spring-assisted tilt action reduces operator fatigue, while the detent-style swivel resistance and free-stop friction ensure components stay securely at any chosen angle. This hinge embodies Sugatsune’s Motion Design Tec philosophy by combining Assist Motion, Free-Stop Motion, and Detent Motion in a single unit providing intuitive, ergonomic, and safe operation in demanding technical environments.

Accessories

Related

synchronous motors
Product news Blog

Synchronous Motors

Do you have a light duty motor requirement requiring a very stable output rpm ? If so, Crouzet synchronous motors are could well provide you ideal solution…

IATECH, the industrial automation technology exhibition OEM automatic
Company news

Recap of IATECH

Did you get a chance to visit IATECH at The Leicester Marriott Hotel? We had over 33 exhibitors and 8 fantastic Tech Talks throughout the day, Read all about the day, here.

IATECH industrial automation components exhibition in at leicester marriott hotel by OEM Automatic
Company news

OEM introduces IATECH - The Industrial Automation Technology Expo

We are thrilled to announce the launch of IATECH, THe Industrial Automation Technology expo at Leicester Marriott Hotel on 23rd October. The ultimate platform for showcasing our extensive product range and broad business areas, featuring over 50 leading suppliers under one roof!

automation components for specialist vehicles
Blog

Automation Components for Specialist Vehicles

The specialist vehicle industry can include automotive and EV, heavy vehicles such as agriculture and rail, and marine.  This email takes you through some of the various products we offer for specialist vehicle applications.

Drive wheels AGV's AMR'S
Product news Blog

Wheel motor drives for AGVs

AGV drive wheel motors cover a wide range of options – from a miniature unit on a small 20kg robot, tasked to move on a perfectly level and smooth indoor surface, up to passenger vehicle-sized robots working outside over fields and varying terrain.

electro pneumatic control box customised bespoke solutions
Case studies

Case Study - Electro Pneumatic Control Box

At OEM Automatic, we can supply a series of components for your one project. All under one roof. This case study discusses how we supplied several components for our customer's new electro-pneumatic control box. 

Contact us
If you need any help, you can contact us in one of the following ways:
0116 284 9900
Send e-mail
Use live chat
Do you need help?
Logo

Cookie settings for OEM.CO.UK

Cookies help us improve your experience with us, so in order to be able to handle login information, offer you personalised content and for basic functionality of this website, we use some cookies.

We will never sell on any information about you. 

You can accept all cookies or personalise your cookies preferences, you can also change your cookie preferences at any time by visiting our contact page.

Necessary Cookies

These cookies are necessary for the website to work and can not be turned off in our systems. They are usually used only in response to actions you have taken in connection with a service request, for example when setting personal preferences, logging in or filling out a form.

Analysis and measurement cookies

These cookies allow us to count the number of visits and traffic sources so that we can measure and improve our website performance. They help us know which pages are more or less popular and how visitors navigate around the site. The information that these cookies collect is aggregated and therefore completely anonymous. If you do not allow these cookies, we do not know when you have visited our website.

Marketing cookies

These cookies can be added by our partners. They can use them to create a profile of you, based on your interests, to show you more relevant information. They do not store any personal information - only information about your browser and device. If you do not accept these cookies, you will have a more general and less customized user experience.