MINIMOTOR

Minimotor - ACEF coaxial gear motors with further planetary gear

COAXIAL AND PLANETARY GEARED MOTOR

 

White epoxy coating for incerased protection against chemicals and harsh working enviroments.

IP67 rated with no external fan.

 

MOTOR: Asynchronous three-phase motor with 2 poles, totally Class H winding in accordance with CEI EN 60034-1.

 

GEAR UNIT: With casing in die-cast aluminium. Case-hardened and hardened bearings, output shaft in stainless steel on request. Lubrication with long-lasting oil (not toxic).

 

15 gear ratios (i) available, from 37 to 2209.5. Rated torque from 3.9 to 23.5 Nm. Version B3 or B5.

 

 

Read more
  • For clean enviroments
  • IP67 as standard
  • Up to 23.5Nm rated torque
  • Minimal dirt trap points
  • Epoxy coated with no external fan

Selected variant

Available in several variants

Selected variant

Technical data

Input voltage ac 230Δ/400Y
IP class IP67
Nominal speed 75 rpm
Nominal torque 3.9
Output power 31 W
Rated current 0.30Δ/0.17Y
Ratio 37:1

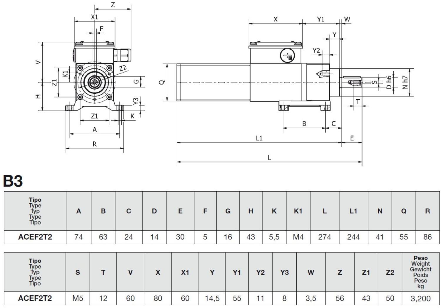
Measurements and connections

Product description

COAXIAL AND PLANETARY GEARED MOTOR

 

White epoxy coating for incerased protection against chemicals and harsh working enviroments.

IP67 rated with no external fan.

 

MOTOR: Asynchronous three-phase motor with 2 poles, totally Class H winding in accordance with CEI EN 60034-1.

 

GEAR UNIT: With casing in die-cast aluminium. Case-hardened and hardened bearings, output shaft in stainless steel on request. Lubrication with long-lasting oil (not toxic).

 

15 gear ratios (i) available, from 37 to 2209.5. Rated torque from 3.9 to 23.5 Nm. Version B3 or B5.

 

 

Accessories

Related products

Related

synchronous motors
Product news Blog

Synchronous Motors

Do you have a light duty motor requirement requiring a very stable output rpm ? If so, Crouzet synchronous motors are could well provide you ideal solution…

IATECH, the industrial automation technology exhibition OEM automatic
Company news

Recap of IATECH

Did you get a chance to visit IATECH at The Leicester Marriott Hotel? We had over 33 exhibitors and 8 fantastic Tech Talks throughout the day, Read all about the day, here.

IATECH industrial automation components exhibition in at leicester marriott hotel by OEM Automatic
Company news

OEM introduces IATECH - The Industrial Automation Technology Expo

We are thrilled to announce the launch of IATECH, THe Industrial Automation Technology expo at Leicester Marriott Hotel on 23rd October. The ultimate platform for showcasing our extensive product range and broad business areas, featuring over 50 leading suppliers under one roof!

automation components for specialist vehicles
Blog

Automation Components for Specialist Vehicles

The specialist vehicle industry can include automotive and EV, heavy vehicles such as agriculture and rail, and marine.  This email takes you through some of the various products we offer for specialist vehicle applications.

Drive wheels AGV's AMR'S
Product news Blog

Wheel motor drives for AGVs

AGV drive wheel motors cover a wide range of options – from a miniature unit on a small 20kg robot, tasked to move on a perfectly level and smooth indoor surface, up to passenger vehicle-sized robots working outside over fields and varying terrain.

electro pneumatic control box customised bespoke solutions
Case studies

Case Study - Electro Pneumatic Control Box

At OEM Automatic, we can supply a series of components for your one project. All under one roof. This case study discusses how we supplied several components for our customer's new electro-pneumatic control box. 

Parts Nominal speed Nominal torque Ratio Price
75 rpm
3.9
37:1
55 rpm
5.3
50,8:1
42 rpm
7.3
66,6:1
31.5 rpm
9.2
88,8:1
22.9 rpm
12.6
122,1:1
17.5 rpm
16.5
159,8:1
13 rpm
21.3
213:1
9.5 rpm
23.5
293:1
7.2 rpm
23.5
383,6:1
5.4 rpm
23.5
511,4:1
3.9 rpm
23.5
703:1
3 rpm
23.5
920,5:1
2.2 rpm
23.5
1227,5:1
1.6 rpm
23.5
1687,5:1
1.2 rpm
23.5
2209,5:1
75 rpm
3.9
37:1
55 rpm
5.3
50,8:1
42 rpm
7.3
66,6:1
31.5 rpm
9.2
88,8:1
22.9 rpm
12.6
122,1:1
17.5 rpm
16.5
159,8:1
13 rpm
21.3
213:1
9.5 rpm
23.5
293:1
7.2 rpm
23.5
383,6:1
5.4 rpm
23.5
511,4:1
3.9 rpm
23.5
703:1
3 rpm
23.5
920,5:1
2.2 rpm
23.5
1227,5:1
1.6 rpm
23.5
1687,5:1
1.2 rpm
23.5
2209,5:1

Selected variant

Select a variant in the list

Contact us
If you need any help, you can contact us in one of the following ways:
0116 284 9900
Send e-mail
Use live chat
Do you need help?
Logo

Cookie settings for OEM.CO.UK

Cookies help us improve your experience with us, so in order to be able to handle login information, offer you personalised content and for basic functionality of this website, we use some cookies.

We will never sell on any information about you. 

You can accept all cookies or personalise your cookies preferences, you can also change your cookie preferences at any time by visiting our contact page.

Necessary Cookies

These cookies are necessary for the website to work and can not be turned off in our systems. They are usually used only in response to actions you have taken in connection with a service request, for example when setting personal preferences, logging in or filling out a form.

Analysis and measurement cookies

These cookies allow us to count the number of visits and traffic sources so that we can measure and improve our website performance. They help us know which pages are more or less popular and how visitors navigate around the site. The information that these cookies collect is aggregated and therefore completely anonymous. If you do not allow these cookies, we do not know when you have visited our website.

Marketing cookies

These cookies can be added by our partners. They can use them to create a profile of you, based on your interests, to show you more relevant information. They do not store any personal information - only information about your browser and device. If you do not accept these cookies, you will have a more general and less customized user experience.