LUMEL

Lumel - RPL1 power controller

The area of RPL1 application includes:

• electric furnaces and drying structures, especially industrial furnaces and tunnel cap, furnaces for annealing and brazing, and founder crucible furnaces, drying ovens, furnaces with quenching in salt baths
• mechanical engineering equipment, aggregates and extruders for plastics processing, winding machines and tempering springs, spot welding and linear
• production of glass and glazing, plant and equipment for drying in the infrared and ultraviolet, vats for melting glass and heating trays for forming glass furnaces
• chemical and petroleum industry; radiators lining piping, wiring warming

Features:
• For power control of resistive and resistive load (transformer connected to resistive load or to rectifier circuit)
• Control mode: on/off (similar to solid state relay), pulse, phase
• Amplification of input control signal (SPAN)
• Limitation of load current
• Overload protection
• Signalization of exceeding the maximum temperature of radiator
• Control of 3-phase load (requires two RPL1 controller units)

External dimensions:
135 x 201 x 199 mm
135 x 231 x 199 mm (execution with fan)

compatible with the category of operational use AC-51 acc. to EN 60947-4-3

 

 

Read more
  • For power control of resistive and resistive-inductive load
  • Amplification of input control signal (SPAN)
  • Overload protection
  • Control of 3-phase load

Selected variant

Available in several variants

Selected variant

Technical data

Dimensions 135 x 201 x 199 mm
Output Maximal output current 70A
Supply voltage 195...230...253 V a.c.
Temperature operational max 40 °C
Temperature operational min 0 °C
Weight 4.5 kg

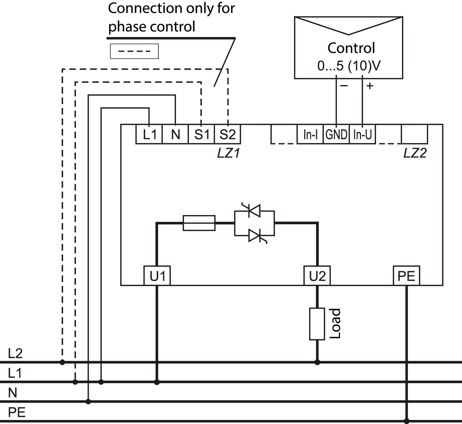
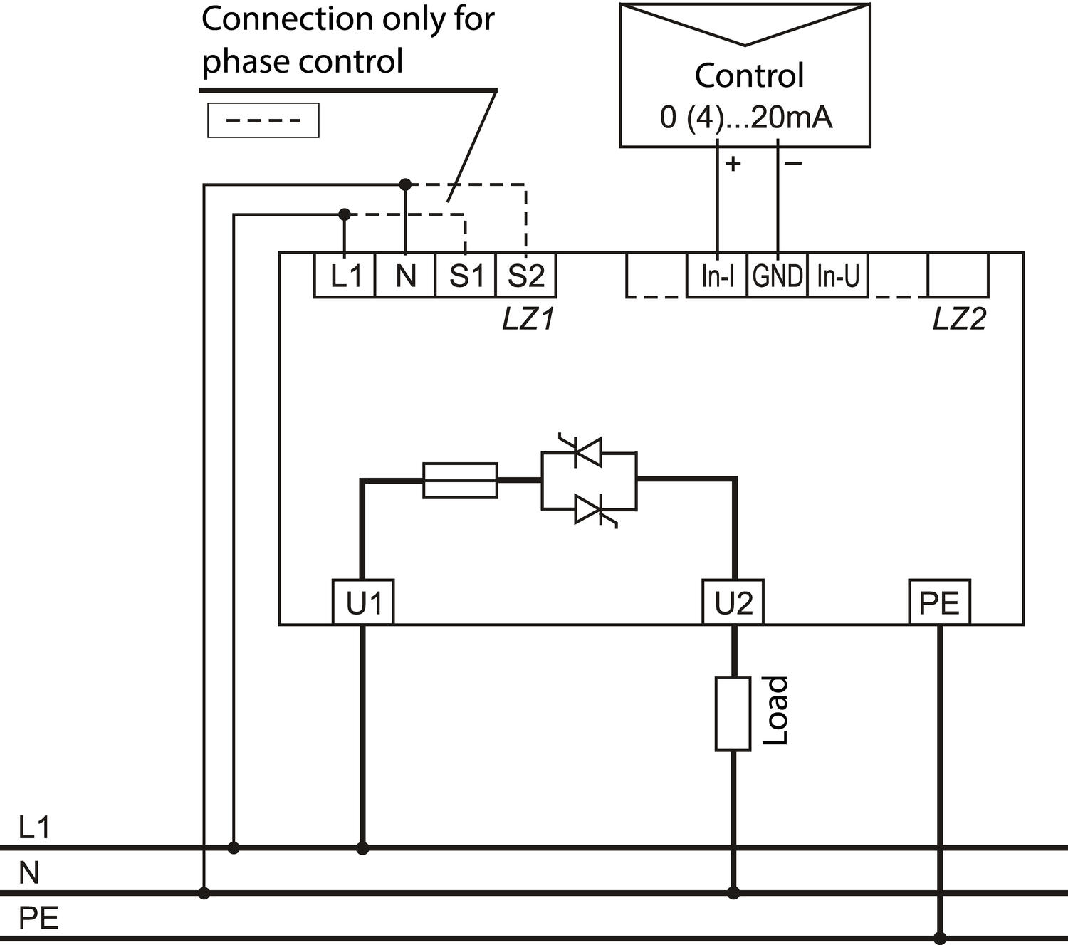
Measurements and connections

316158_877.eps

load supply ULOAD = 230 V,
supply UUWB = 230 V

316159_877.eps

oad supply ULOAD = 400 V,
supply UUWB = 230 V.

Technical illustrations

316168_877.jpg

316171_877.jpg

Ordering Code

Product description

The area of RPL1 application includes:

• electric furnaces and drying structures, especially industrial furnaces and tunnel cap, furnaces for annealing and brazing, and founder crucible furnaces, drying ovens, furnaces with quenching in salt baths
• mechanical engineering equipment, aggregates and extruders for plastics processing, winding machines and tempering springs, spot welding and linear
• production of glass and glazing, plant and equipment for drying in the infrared and ultraviolet, vats for melting glass and heating trays for forming glass furnaces
• chemical and petroleum industry; radiators lining piping, wiring warming

Features:
• For power control of resistive and resistive load (transformer connected to resistive load or to rectifier circuit)
• Control mode: on/off (similar to solid state relay), pulse, phase
• Amplification of input control signal (SPAN)
• Limitation of load current
• Overload protection
• Signalization of exceeding the maximum temperature of radiator
• Control of 3-phase load (requires two RPL1 controller units)

External dimensions:
135 x 201 x 199 mm
135 x 231 x 199 mm (execution with fan)

compatible with the category of operational use AC-51 acc. to EN 60947-4-3

 

 

Accessories

Related

Parts Output Supply voltage Price
Maximal output current 25 A
340...400...440 V a.c
Maximal output current 70A
195...230...253 V a.c.

Selected variant

Select a variant in the list

Contact us
If you need any help, you can contact us in one of the following ways:
0116 284 9900
Send e-mail
Use live chat
Do you need help?
Logo

Cookie settings for OEM.CO.UK

Cookies help us improve your experience with us, so in order to be able to handle login information, offer you personalised content and for basic functionality of this website, we use some cookies.

We will never sell on any information about you. 

You can accept all cookies or personalise your cookies preferences, you can also change your cookie preferences at any time by visiting our contact page.

Necessary Cookies

These cookies are necessary for the website to work and can not be turned off in our systems. They are usually used only in response to actions you have taken in connection with a service request, for example when setting personal preferences, logging in or filling out a form.

Analysis and measurement cookies

These cookies allow us to count the number of visits and traffic sources so that we can measure and improve our website performance. They help us know which pages are more or less popular and how visitors navigate around the site. The information that these cookies collect is aggregated and therefore completely anonymous. If you do not allow these cookies, we do not know when you have visited our website.

Marketing cookies

These cookies can be added by our partners. They can use them to create a profile of you, based on your interests, to show you more relevant information. They do not store any personal information - only information about your browser and device. If you do not accept these cookies, you will have a more general and less customized user experience.