ADVANCED ILLUMINATION

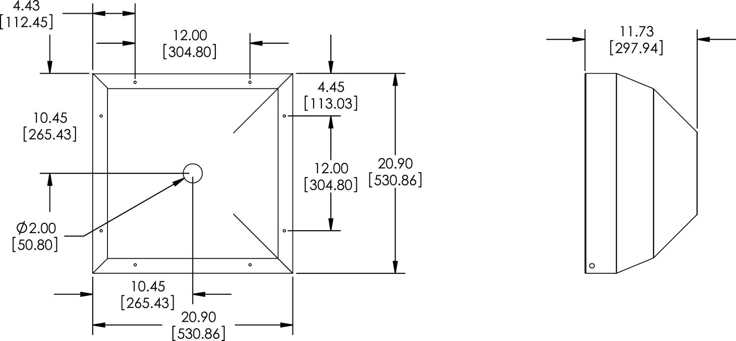
Advanced Illumination DL071 Diffuse Light

Large Area

  • Designed for inspecting large, reflective objects
  • Extremely diffuse illumination over an area 457.2 mm (18”) square
  • Various wavelenghts

Selected variant

Available in several variants

Selected variant

Technical data

Technical Data

Wavelength 470

Accessories

Related products

Related

swir basler
Blog

SWiR imaging in agriculture

Advancements in imaging technology, particularly Short-Wave Infrared (SWIR) systems, have revolutionized quality control in the food industry, explained in our article.

AI cameras for automotive
Blog

AI Cameras for the automotive industry

The automotive industry is striving to improve safety and efficiency, this is where AI cameras come in to achieve the highest results.

IATECH, the industrial automation technology exhibition OEM automatic
Company news

Recap of IATECH

Did you get a chance to visit IATECH at The Leicester Marriott Hotel? We had over 33 exhibitors and 8 fantastic Tech Talks throughout the day, Read all about the day, here.

IATECH industrial automation components exhibition in at leicester marriott hotel by OEM Automatic
Company news

OEM introduces IATECH - The Industrial Automation Technology Expo

We are thrilled to announce the launch of IATECH, THe Industrial Automation Technology expo at Leicester Marriott Hotel on 23rd October. The ultimate platform for showcasing our extensive product range and broad business areas, featuring over 50 leading suppliers under one roof!

automation components for specialist vehicles
Blog

Automation Components for Specialist Vehicles

The specialist vehicle industry can include automotive and EV, heavy vehicles such as agriculture and rail, and marine.  This email takes you through some of the various products we offer for specialist vehicle applications.

Basler ace 2 uv imaging
Product news Blog Learning hub

About UV Imaging

Many UV products have garnered attention for their advanced features, catering to the high demand for manufacturing sector inspections. The scope of applications against this backdrop is vast, with requests increasing for improved performance and features.

Parts Wavelength Approvals Temperature operational min Temperature operational max Feed Life span Price
470
470
470
530
590
590
530
625
530
590
625
625
850
WHI
WHI
625
WHI
530
850
470
WHI
850
590
WHI, 455, 470, 505, 530, 590, 625, 660, 730, 850, 940
CE, RoHS
0 °C
60 °C
C1, C5, IC, I3, I3S, 24
50000 h

Selected variant

Select a variant in the list

Contact us
If you need any help, you can contact us in one of the following ways:
0116 284 9900
Send e-mail
Use live chat
Do you need help?
Logo

Cookie settings for OEM.CO.UK

Cookies help us improve your experience with us, so in order to be able to handle login information, offer you personalised content and for basic functionality of this website, we use some cookies.

We will never sell on any information about you. 

You can accept all cookies or personalise your cookies preferences, you can also change your cookie preferences at any time by visiting our contact page.

Necessary Cookies

These cookies are necessary for the website to work and can not be turned off in our systems. They are usually used only in response to actions you have taken in connection with a service request, for example when setting personal preferences, logging in or filling out a form.

Analysis and measurement cookies

These cookies allow us to count the number of visits and traffic sources so that we can measure and improve our website performance. They help us know which pages are more or less popular and how visitors navigate around the site. The information that these cookies collect is aggregated and therefore completely anonymous. If you do not allow these cookies, we do not know when you have visited our website.

Marketing cookies

These cookies can be added by our partners. They can use them to create a profile of you, based on your interests, to show you more relevant information. They do not store any personal information - only information about your browser and device. If you do not accept these cookies, you will have a more general and less customized user experience.