CROUZET CONTROL

1 phase over/under voltage relay MUS, MUSF

Control relay for 1-phase voltage monitoring, ac/dc. The relay requires no supply voltage but is instead powered by the measurement voltage that it simultaneously monitors (model MUS12DC is only for dc voltage). The MUS relays provide the user with the opportunity to choose between different control functions: Over- and under-voltage, with or without memory (if selected with memory, the power to the relay must be switched off to restart) and a time delay Tt to prevent minor temporary voltage changes (0.1-10 s). Adjustable hysteresis (H) is 5 to 20 % of the set value (applies only to MUS series). All settings are made at the front with a switch and if its setting is changed during operation, all LEDs begin to flash but the unit will continue to function normally with the voltage set at the most recent power connection. The MUSF relays have a window function, which means that the relay monitors the voltage that is between a lower and upper limit value. The limit values for over-/under-voltage are set with two potentiometers at the front that are scaled for the voltage (Un) to be monitored. MUSF has a static hysteresis of 3 %; function is otherwise the same as the MUS series. Green LED (Un) indicates supply voltage OK. Yellow LED (R) indicates active relay output.

 

Read more
  • Three models with different voltage ranges
  • Reconnectable over or under voltage
  • Automatic detection of AC or DC
  • 17.5 mm cabinet with DIN rail

Selected variant

Available in several variants

Selected variant

Technical data

Breaking capacity 5A, 250V AC/DC
Function Under/Overvoltage
Lower limit 9 V DC
Output Relay 1 pole C/O
Storage temperature max 70 °C
Storage temperature min -40 °C
Supply voltage 12V dc
Temperature operational max 50 °C
Temperature operational min -20 °C
Time delay startup 0.5 s
Time delay when exceeding the limit value 0,1-10s
Upper limit 15 V DC
Weight 80 g

Measurements and connections

Control relay dimensions

Dimensions

Control relay

Technical illustrations

Control relay

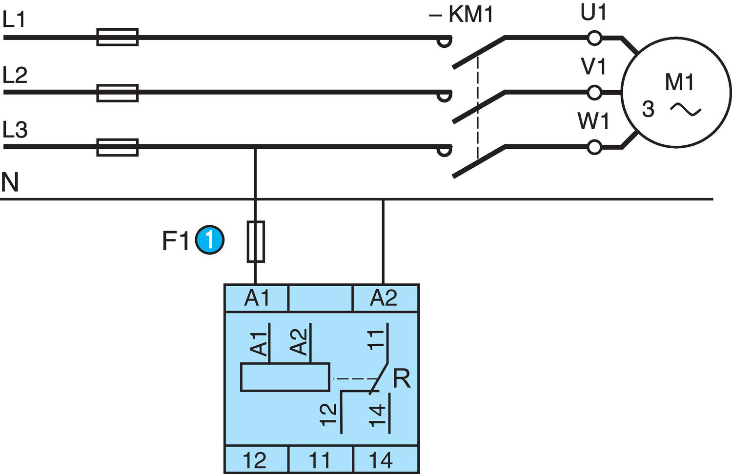
Control relay Over/under voltage - without memory (MUS)

Over/under voltage - without memory (MUS)
1: Limit value
2: Hysteresis
3: Over-voltage function
4: Under-voltage function
5: Monitored signal
6: Time delay upon exceeding limit value (Tt)

Product description

Control relay for 1-phase voltage monitoring, ac/dc. The relay requires no supply voltage but is instead powered by the measurement voltage that it simultaneously monitors (model MUS12DC is only for dc voltage). The MUS relays provide the user with the opportunity to choose between different control functions: Over- and under-voltage, with or without memory (if selected with memory, the power to the relay must be switched off to restart) and a time delay Tt to prevent minor temporary voltage changes (0.1-10 s). Adjustable hysteresis (H) is 5 to 20 % of the set value (applies only to MUS series). All settings are made at the front with a switch and if its setting is changed during operation, all LEDs begin to flash but the unit will continue to function normally with the voltage set at the most recent power connection. The MUSF relays have a window function, which means that the relay monitors the voltage that is between a lower and upper limit value. The limit values for over-/under-voltage are set with two potentiometers at the front that are scaled for the voltage (Un) to be monitored. MUSF has a static hysteresis of 3 %; function is otherwise the same as the MUS series. Green LED (Un) indicates supply voltage OK. Yellow LED (R) indicates active relay output.

 

Accessories

Related

Parts Lower limit Supply voltage Upper limit Price
9 V DC
12V dc
15 V DC
20 V AC/DC
24-48V ac/dc
80 V AC/DC
20 V AC/DC
24-48V ac/dc
80 V AC/DC
65 V AC/DC
110-240V ac/dc
260 V AC/DC
65 V AC/DC
110-240V ac/dc
260 V AC/DC

Selected variant

Select a variant in the list

Contact us
If you need any help, you can contact us in one of the following ways:
0116 284 9900
Send e-mail
Use live chat
Do you need help?
Logo

Cookie settings for OEM.CO.UK

Cookies help us improve your experience with us, so in order to be able to handle login information, offer you personalised content and for basic functionality of this website, we use some cookies.

We will never sell on any information about you. 

You can accept all cookies or personalise your cookies preferences, you can also change your cookie preferences at any time by visiting our contact page.

Necessary Cookies

These cookies are necessary for the website to work and can not be turned off in our systems. They are usually used only in response to actions you have taken in connection with a service request, for example when setting personal preferences, logging in or filling out a form.

Analysis and measurement cookies

These cookies allow us to count the number of visits and traffic sources so that we can measure and improve our website performance. They help us know which pages are more or less popular and how visitors navigate around the site. The information that these cookies collect is aggregated and therefore completely anonymous. If you do not allow these cookies, we do not know when you have visited our website.

Marketing cookies

These cookies can be added by our partners. They can use them to create a profile of you, based on your interests, to show you more relevant information. They do not store any personal information - only information about your browser and device. If you do not accept these cookies, you will have a more general and less customized user experience.