IDEM
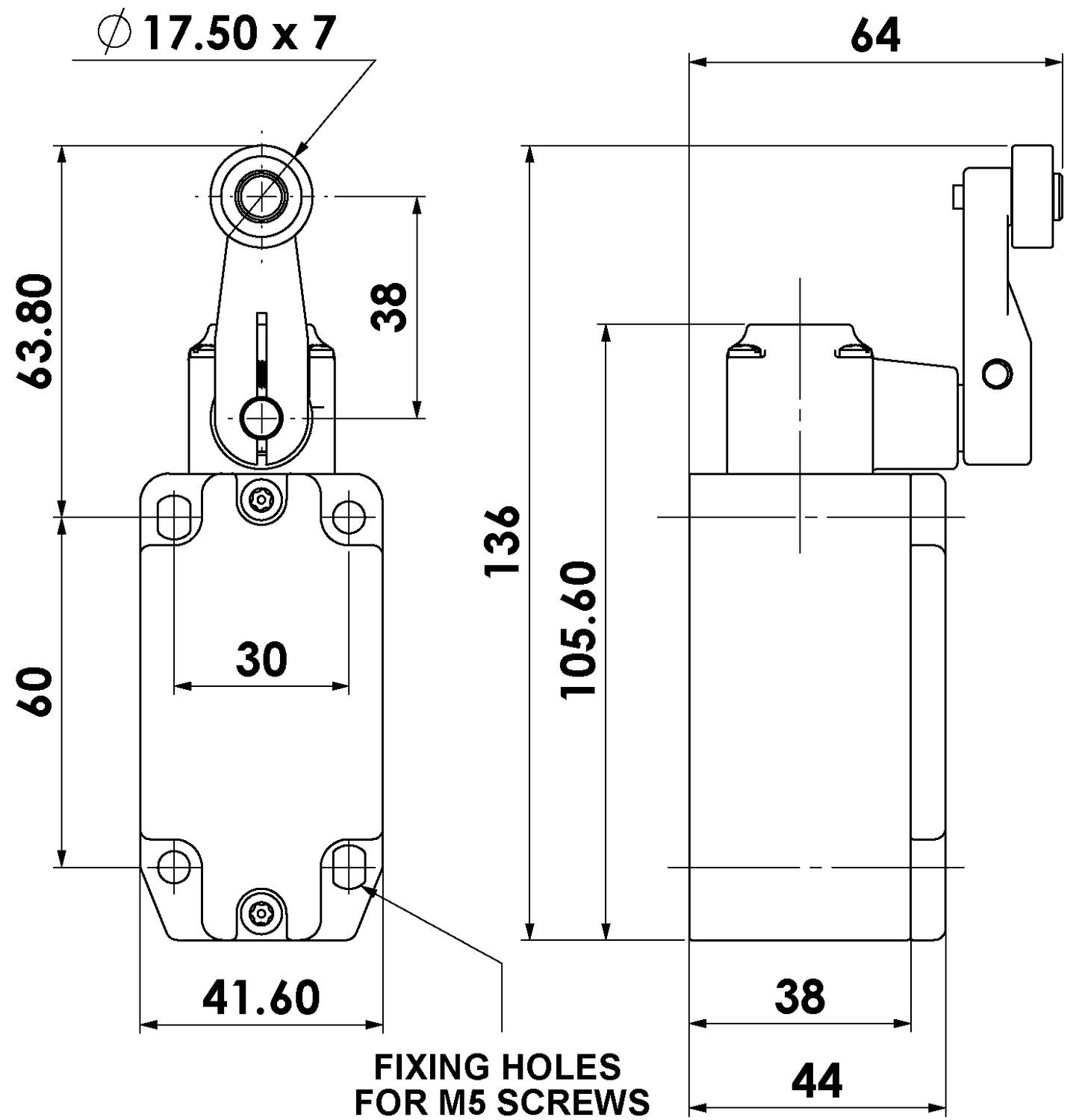
IDEM’s HLM range of heavy duty Stainless Steel 316 Limit Switches have been designed to be mounted for position sensing of moving applications e.g. guard doors, conveyors, machine beds and elevators. They are available with an extensive range of actuator heads and can be supplied with either slow break or snap action contacts.
Operation
Operation of IDEM Safety Limit Switches is achieved by a sliding actuation of the moving object to cause deflection of the switch plungers, rollers or levers.
For safety applications it is important that the moving object does not pass completely over the switch actuators so as to either cause damage to the actuator or allow it to return to its original position.
| Actuator | Short Roller Lever |
|---|---|
| Annual usage | 8 cycles per hour/ 24 hours per day/365 days |
| Approvals | ISO 14119, EN60947-5-1, EN60204-1, ISO 13849-1, EN62061, UL 508 |
| ATEX approved | No |
| Cable entry | 1x1/2"NPT |
| Conductor size | 1.5 mm² |
| Conduit entry | 1/2"NPT |
| Connection | Screw terminal |
| Contact voltage/current min | 5V, 5mA, DC |
| Contacts | 3NC 1NO |
| Housing material | Stainless steel 316 |
| IP class | IP69K |
| Material of body | Stainless steel 316 |
| Maximum switching speed | 250 mm/s |
| Mechanical reliability B10d | 2.5x10⁶ operations at 100mA load |
|---|---|
| Mounting | M5 |
| MTTFd | 356 years |
| Operating temperature | -25C +80C |
| PFHd | 3.44 x 10⁻⁸ |
| PL | up to PLe acc. ISO13849-1 |
| Rated insulation voltage | 300 V AC |
| SIL | up to SIL 3 acc. EN62061 |
| Thermal current (lth) | 10 A |
| Utilisation category | AC15 A300 240V 3A |
| Vibration | IEC 68-2-6, 10-55Hz 0,35mm |
| Withstand voltage | 2500 V AC |
IDEM’s HLM range of heavy duty Stainless Steel 316 Limit Switches have been designed to be mounted for position sensing of moving applications e.g. guard doors, conveyors, machine beds and elevators. They are available with an extensive range of actuator heads and can be supplied with either slow break or snap action contacts.
Operation
Operation of IDEM Safety Limit Switches is achieved by a sliding actuation of the moving object to cause deflection of the switch plungers, rollers or levers.
For safety applications it is important that the moving object does not pass completely over the switch actuators so as to either cause damage to the actuator or allow it to return to its original position.
Learn more about Inxpect radar systems. The worlds first SIL 2/PL d certified, radar-based safety system for use around hazardous machinery.
New signal lights from Auer Signal are now available! The first products to be launched in this series are the Smart Dot 50 in the Basic and Standard versions, as well as the Smart Indicator 50 in the Basic version.
Optimise your production line with encoders, inclinometers, displays and slip rings
Designed for high-performance safety applications such as material handling, conveyors, robotics, and system integration. OEM Automatic is excited to announce its latest supplier partnership with Hokuyo
Engineers and technicians are seeking solutions that streamline assembly whilst maintaining high levels of protection and flexibility. KDS-SR90 angled screw frames and inlays bring a new level of efficiency to cable routing with a unique 90° entry design.
Here, our customer requires control boxes for electricity metering systems. We leveraged our expertise to deliver easy-to-install, ready-to-use assemblies. We look forward to creating more of these bespoke control boxes for our customer.
|
|
|
|
|
|
||
|---|---|---|---|---|---|---|
|
|
|
|
|
|
||
|
|
|
|
|
|
||
|
|
|
|
|
|
||
|
|
|
|
|
|
||
|
|
|
|
|
|
||
|
|
|
|
|
|
| Parts | Actuator | ATEX approved | Cable entry | Conduit entry | Connection | Contacts | IP class | Price | ||
|---|---|---|---|---|---|---|---|---|---|---|
|
HLM-SS Adj Roller Lever ½NPT 1NC 1NO Snap
Art:
175311
Copied
|
Adjustable Roller Lever
|
No
|
1x1/2"NPT
|
1/2"NPT
|
Screw terminal
|
1NC 1NO
|
IP67
|
| ||
|
HLM-SS Adj Roller Lever ½NPT '2NC 2NO'
Art:
175302
Copied
|
Adjustable Roller Lever
|
No
|
1x1/2"NPT
|
1/2"NPT
|
Screw terminal
|
2NC 2NO
|
IP67
|
| ||
|
HLM-SS Adj Roller Lever ½NPT '3NC 1NO'
Art:
175305
Copied
|
Adjustable Roller Lever
|
No
|
1x1/2"NPT
|
1/2"NPT
|
Screw terminal
|
3NC 1NO
|
IP67
|
| ||
|
HLM-SS Adj Roller Lever ½NPT '4NC'
Art:
175308
Copied
|
Adjustable Roller Lever
|
No
|
1x1/2"NPT
|
1/2"NPT
|
Screw terminal
|
4NC
|
IP67
|
| ||
|
HLM-SS Adj Roller Lever EX '1NC 1NO'
Art:
175313
Copied
|
Adjustable Roller Lever
|
Yes
|
N/A
|
3M 4 CORE EX
|
Cable
|
1NC 1NO
|
IP67
|
| ||
|
HLM-SS Adj Roller Lever EX '2NC'
Art:
175314
Copied
|
Adjustable Roller Lever
|
Yes
|
N/A
|
3M 4 CORE EX
|
Cable
|
2NC
|
IP67
|
| ||
|
HLM-SS Adj Roller Lever EX '2NC 2NO'
Art:
175315
Copied
|
Adjustable Roller Lever
|
Yes
|
N/A
|
3M 8 CORE EX
|
Cable
|
2NC 2NO
|
IP67
|
| ||
|
HLM-SS Adj Roller Lever M20 '1NC 1NO' Snap
Art:
175310
Copied
|
Adjustable Roller Lever
|
No
|
1 x M20 x1,5
|
M20
|
Screw terminal
|
1NC 1NO
|
IP67
|
| ||
|
HLM-SS Adj Roller Lever M20 '2NC 2NO'
Art:
175301
Copied
|
Adjustable Roller Lever
|
No
|
1 x M20 x1,5
|
M20
|
Screw terminal
|
2NC 2NO
|
IP67
|
| ||
|
HLM-SS Adj Roller Lever M20 '2NC 2NO'
Art:
175301-GC
Copied
|
Adjustable Roller Lever
|
No
|
1 x M20 x1,5
|
M20
|
Screw terminal
|
2NC 2NO
|
IP67
|
| ||
|
HLM-SS Adj Roller Lever M20 '3NC 1NO'
Art:
175304
Copied
|
Adjustable Roller Lever
|
No
|
1 x M20 x1,5
|
M20
|
Screw terminal
|
3NC 1NO
|
IP67
|
| ||
|
HLM-SS Adj Roller Lever M20 '4NC'
Art:
175307
Copied
|
Adjustable Roller Lever
|
No
|
1 x M20 x1,5
|
M20
|
Screw terminal
|
4NC
|
IP67
|
| ||
|
HLM-SS Adj Roller Lever QC-M23 '1NC 1NO' Snap
Art:
175312
Copied
|
Adjustable Roller Lever
|
No
|
N/A
|
QC M23
|
M23 contact
|
1NC 1NO
|
IP67
|
| ||
|
HLM-SS Adj Roller Lever QC-M23 '2NC 2NO'
Art:
175303
Copied
|
Adjustable Roller Lever
|
No
|
N/A
|
QC M23
|
M23 contact
|
2NC 2NO
|
IP67
|
| ||
|
HLM-SS Adj Roller Lever QC-M23 '3NC 1NO'
Art:
175306
Copied
|
Adjustable Roller Lever
|
No
|
N/A
|
QC M23
|
M23 contact
|
3NC 1NO
|
IP67
|
| ||
|
HLM-SS Adj Roller Lever QC-M23 4NC
Art:
175309
Copied
|
Adjustable Roller Lever
|
No
|
N/A
|
QC M23
|
M23 contact
|
4NC
|
IP67
|
| ||
|
HLM-SS Lever Arm ½NPT 1NC 1NO Snap
Art:
175261
Copied
|
Lever Arm
|
No
|
1x1/2"NPT
|
1/2"NPT
|
Screw terminal
|
1NC 1NO
|
IP67
|
| ||
|
HLM-SS Lever Arm ½NPT '2NC 2NO'
Art:
175252
Copied
|
Lever Arm
|
No
|
1x1/2"NPT
|
1/2"NPT
|
Screw terminal
|
2NC 2NO
|
IP67
|
| ||
|
HLM-SS Lever Arm ½NPT '3NC 1NO'
Art:
175255
Copied
|
Lever Arm
|
No
|
1x1/2"NPT
|
1/2"NPT
|
Screw terminal
|
3NC 1NO
|
IP67
|
| ||
|
HLM-SS Lever Arm ½NPT '4NC'
Art:
175258
Copied
|
Lever Arm
|
No
|
1x1/2"NPT
|
1/2"NPT
|
Screw terminal
|
4NC
|
IP67
|
| ||
|
HLM-SS Lever Arm EX '1NC 1NO'
Art:
175263
Copied
|
Lever Arm
|
Yes
|
N/A
|
3M 4 CORE EX
|
Cable
|
1NC 1NO
|
IP67
|
| ||
|
HLM-SS Lever Arm EX '2NC'
Art:
175264
Copied
|
Lever Arm
|
Yes
|
N/A
|
3M 4 CORE EX
|
Cable
|
2NC
|
IP67
|
| ||
|
HLM-SS Lever Arm EX '2NC 2NO'
Art:
175265
Copied
|
Lever Arm
|
Yes
|
N/A
|
3M 8 CORE EX
|
Cable
|
2NC 2NO
|
IP67
|
| ||
|
HLM-SS Lever Arm M20 '1NC 1NO' Snap
Art:
175260
Copied
|
Lever Arm
|
No
|
1 x M20 x1,5
|
M20
|
Screw terminal
|
1NC 1NO
|
IP67
|
| ||
|
HLM-SS Lever Arm M20 '2NC 2NO'
Art:
175251
Copied
|
Lever Arm
|
No
|
1 x M20 x1,5
|
M20
|
Screw terminal
|
2NC 2NO
|
IP67
|
| ||
|
HLM-SS Lever Arm M20 '3NC 1NO'
Art:
175254
Copied
|
Lever Arm
|
No
|
1 x M20 x1,5
|
M20
|
Screw terminal
|
3NC 1NO
|
IP67
|
| ||
|
HLM-SS Lever Arm M20 '4NC'
Art:
175257
Copied
|
Lever Arm
|
No
|
1 x M20 x1,5
|
M20
|
Screw terminal
|
4NC
|
IP67
|
| ||
|
HLM-SS Lever Arm QC-M23 '1NC 1NO' Snap
Art:
175262
Copied
|
Lever Arm
|
No
|
N/A
|
QC M23
|
M23 contact
|
1NC 1NO
|
IP67
|
| ||
|
HLM-SS Lever Arm QC-M23 '2NC 2NO'
Art:
175253
Copied
|
Lever Arm
|
No
|
N/A
|
QC M23
|
M23 contact
|
2NC 2NO
|
IP67
|
| ||
|
HLM-SS Lever Arm QC-M23 '3NC 1NO'
Art:
175256
Copied
|
Lever Arm
|
No
|
N/A
|
QC M23
|
M23 contact
|
3NC 1NO
|
IP67
|
| ||
|
HLM-SS Lever Arm QC-M23 4NC
Art:
175259
Copied
|
Lever Arm
|
No
|
N/A
|
QC M23
|
M23 contact
|
4NC
|
IP67
|
| ||
|
HLM-SS Pin Plunger ½NPT '1NC 1NO' snap
Art:
175111
Copied
|
Pin Plunger
|
No
|
1x1/2"NPT
|
1/2"NPT
|
Screw terminal
|
1NC 1NO
|
IP69K
|
| ||
|
HLM-SS Pin Plunger ½NPT '1NC 1NO' snap c/w gold contacts
Art:
175111-GC
Copied
|
Pin Plunger
|
No
|
1x1/2"NPT
|
1/2"NPT
|
Screw terminal
|
1NC 1NO
|
IP69K
|
| ||
|
HLM-SS Pin Plunger ½NPT '2NC 2NO'
Art:
175102
Copied
|
Pin Plunger
|
No
|
1x1/2"NPT
|
1/2"NPT
|
Screw terminal
|
2NC 2NO
|
IP69K
|
| ||
|
HLM-SS Pin Plunger ½NPT '2NC 2NO' - Gold Contacts
Art:
175102-GC
Copied
|
Pin Plunger
|
No
|
1x1/2"NPT
|
1/2"NPT
|
Screw terminal
|
2NC 2NO
|
IP69K
|
| ||
|
HLM-SS Pin Plunger ½NPT '3NC 1NO'
Art:
175105
Copied
|
Pin Plunger
|
No
|
1x1/2"NPT
|
1/2"NPT
|
Screw terminal
|
3NC 1NO
|
IP69K
|
| ||
|
HLM-SS Pin Plunger ½NPT '4NC'
Art:
175108
Copied
|
Pin Plunger
|
No
|
1x1/2"NPT
|
1/2"NPT
|
Screw terminal
|
4NC
|
IP69K
|
| ||
|
HLM-SS Pin Plunger EX '1NC 1NO'
Art:
175113
Copied
|
Pin Plunger
|
Yes
|
N/A
|
3M 4 CORE EX
|
Cable
|
1NC 1NO
|
IP69K
|
| ||
|
HLM-SS Pin Plunger EX '2NC'
Art:
175114
Copied
|
Pin Plunger
|
Yes
|
N/A
|
3M 4 CORE EX
|
Cable
|
2NC
|
IP69K
|
| ||
|
HLM-SS Pin Plunger EX '2NC 2NO'
Art:
175115
Copied
|
Pin Plunger
|
Yes
|
N/A
|
3M 8 CORE EX
|
Cable
|
2NC 2NO
|
IP69K
|
| ||
|
HLM-SS Pin Plunger M20 '1NC 1NO' snap
Art:
175110
Copied
|
Pin Plunger
|
No
|
1 x M20 x1,5
|
M20
|
Screw terminal
|
1NC 1NO
|
IP69K
|
| ||
|
HLM-SS Pin Plunger M20 '2NC 2NO'
Art:
175101
Copied
|
Pin Plunger
|
No
|
1 x M20 x1,5
|
M20
|
Screw terminal
|
2NC 2NO
|
IP69K
|
| ||
|
HLM-SS Pin Plunger M20 '3NC 1NO'
Art:
175104
Copied
|
Pin Plunger
|
No
|
1 x M20 x1,5
|
M20
|
Screw terminal
|
3NC 1NO
|
IP69K
|
| ||
|
HLM-SS Pin Plunger M20 '4NC'
Art:
175107
Copied
|
Pin Plunger
|
No
|
1 x M20 x1,5
|
M20
|
Screw terminal
|
4NC
|
IP69K
|
| ||
|
HLM-SS Pin Plunger QC-M23 '1NC 1NO' snap
Art:
175112
Copied
|
Pin Plunger
|
No
|
N/A
|
QC M23
|
M23 contact
|
1NC 1NO
|
IP69K
|
| ||
|
HLM-SS Pin Plunger QC-M23 '2NC 2NO'
Art:
175103
Copied
|
Pin Plunger
|
No
|
N/A
|
QC M23
|
M23 contact
|
2NC 2NO
|
IP69K
|
| ||
|
HLM-SS Pin Plunger QC-M23 '3NC 1NO'
Art:
175106
Copied
|
Pin Plunger
|
No
|
N/A
|
QC M23
|
M23 contact
|
3NC 1NO
|
IP69K
|
| ||
|
HLM-SS Pin Plunger QC-M23 '4NC'
Art:
175109
Copied
|
Pin Plunger
|
No
|
N/A
|
QC M23
|
M23 contact
|
4NC
|
IP69K
|
| ||
|
HLM-SS Roller Plunger ½NPT '1NC 1NO' Snap
Art:
175061
Copied
|
Roller Plunger
|
No
|
1x1/2"NPT
|
1/2"NPT
|
Screw terminal
|
1NC 1NO
|
IP69K
|
| ||
|
HLM-SS Roller Plunger ½NPT '2NC 2NO'
Art:
175052
Copied
|
Roller Plunger
|
No
|
1x1/2"NPT
|
1/2"NPT
|
Screw terminal
|
2NC 2NO
|
IP69K
|
| ||
|
HLM-SS Roller Plunger ½NPT '3NC 1NO'
Art:
175055
Copied
|
Roller Plunger
|
No
|
1x1/2"NPT
|
1/2"NPT
|
Screw terminal
|
3NC 1NO
|
IP69K
|
| ||
|
HLM-SS Roller Plunger ½NPT '4NC'
Art:
175058
Copied
|
Roller Plunger
|
No
|
1x1/2"NPT
|
1/2"NPT
|
Screw terminal
|
4NC
|
IP69K
|
| ||
|
HLM-SS Roller Plunger EX '1NC 1NO'
Art:
175063
Copied
|
Roller Plunger
|
Yes
|
N/A
|
3M 4 CORE EX
|
Cable
|
1NC 1NO
|
IP69K
|
| ||
|
HLM-SS Roller Plunger EX '2NC'
Art:
175064
Copied
|
Roller Plunger
|
Yes
|
N/A
|
3M 4 CORE EX
|
Cable
|
2NC
|
IP69K
|
| ||
|
HLM-SS Roller Plunger EX '2NC 2NO'
Art:
175065
Copied
|
Roller Plunger
|
Yes
|
N/A
|
3M 8 CORE EX
|
Cable
|
2NC 2NO
|
IP69K
|
| ||
|
HLM-SS Roller Plunger M20 '1NC 1NO' Snap
Art:
175060
Copied
|
Roller Plunger
|
No
|
1 x M20 x1,5
|
M20
|
Screw terminal
|
1NC 1NO
|
IP69K
|
| ||
|
HLM-SS Roller Plunger M20 '2NC 2NO'
Art:
175051
Copied
|
Roller Plunger
|
No
|
1 x M20 x1,5
|
M20
|
Screw terminal
|
2NC 2NO
|
IP69K
|
| ||
|
HLM-SS Roller Plunger M20 '2NC 2NO'
Art:
175051-GC
Copied
|
Roller Plunger
|
No
|
1 x M20 x1,5
|
M20
|
Screw terminal
|
2NC 2NO
|
IP69K
|
| ||
|
HLM-SS Roller Plunger M20 '3NC 1NO'
Art:
175054
Copied
|
Roller Plunger
|
No
|
1 x M20 x1,5
|
M20
|
Screw terminal
|
3NC 1NO
|
IP69K
|
| ||
|
HLM-SS Roller Plunger M20 '4NC'
Art:
175057
Copied
|
Roller Plunger
|
No
|
1 x M20 x1,5
|
M20
|
Screw terminal
|
4NC
|
IP69K
|
| ||
|
HLM-SS Roller Plunger QC-M23 '1NC 1NO' Snap
Art:
175062
Copied
|
Roller Plunger
|
No
|
N/A
|
QC M23
|
M23 contact
|
1NC 1NO
|
IP69K
|
| ||
|
HLM-SS Roller Plunger QC-M23 '2NC 2NO'
Art:
175053
Copied
|
Roller Plunger
|
No
|
N/A
|
QC M23
|
M23 contact
|
2NC 2NO
|
IP69K
|
| ||
|
HLM-SS Roller Plunger QC-M23 '3NC 1NO'
Art:
175056
Copied
|
Roller Plunger
|
No
|
N/A
|
QC M23
|
M23 contact
|
3NC 1NO
|
IP69K
|
| ||
|
HLM-SS Roller Plunger QC-M23 '4NC
Art:
175059
Copied
|
Roller Plunger
|
No
|
N/A
|
QC M23
|
M23 contact
|
4NC
|
IP69K
|
| ||
|
HLM-SS Spring Lever ½NPT '1NC 1NO' Snap
Art:
175161
Copied
|
Spring Lever
|
No
|
1x1/2"NPT
|
1/2"NPT
|
Screw terminal
|
1NC 1NO
|
IP69K
|
| ||
|
HLM-SS Spring Lever ½NPT '2NC 2NO'
Art:
175152
Copied
|
Spring Lever
|
No
|
1x1/2"NPT
|
1/2"NPT
|
Screw terminal
|
2NC 2NO
|
IP69K
|
| ||
|
HLM-SS Spring Lever ½NPT '3NC 1NO'
Art:
175155
Copied
|
Spring Lever
|
No
|
1x1/2"NPT
|
1/2"NPT
|
Screw terminal
|
3NC 1NO
|
IP69K
|
| ||
|
HLM-SS Spring Lever ½NPT '4NC'
Art:
175158
Copied
|
Spring Lever
|
No
|
1x1/2"NPT
|
1/2"NPT
|
Screw terminal
|
4NC
|
IP69K
|
| ||
|
HLM-SS Spring Lever EX '1NC 1NO'
Art:
175163
Copied
|
Spring Lever
|
Yes
|
N/A
|
3M 4 CORE EX
|
Cable
|
1NC 1NO
|
IP69K
|
| ||
|
HLM-SS Spring Lever EX '2NC'
Art:
175164
Copied
|
Spring Lever
|
Yes
|
N/A
|
3M 4 CORE EX
|
Cable
|
2NC
|
IP69K
|
| ||
|
HLM-SS Spring Lever EX '2NC 2NO'
Art:
175165
Copied
|
Spring Lever
|
Yes
|
N/A
|
3M 8 CORE EX
|
Cable
|
2NC 2NO
|
IP69K
|
| ||
|
HLM-SS Spring Lever M20 '1NC 1NO' Snap
Art:
175160
Copied
|
Spring Lever
|
No
|
1 x M20 x1,5
|
M20
|
Screw terminal
|
1NC 1NO
|
IP69K
|
| ||
|
HLM-SS Spring Lever M20 '2NC 2NO'
Art:
175151
Copied
|
Spring Lever
|
No
|
1 x M20 x1,5
|
M20
|
Screw terminal
|
2NC 2NO
|
IP69K
|
| ||
|
HLM-SS Spring Lever M20 '3NC 1NO'
Art:
175154
Copied
|
Spring Lever
|
No
|
1 x M20 x1,5
|
M20
|
Screw terminal
|
3NC 1NO
|
IP69K
|
| ||
|
HLM-SS Spring Lever M20 '4NC'
Art:
175157
Copied
|
Spring Lever
|
No
|
1 x M20 x1,5
|
M20
|
Screw terminal
|
4NC
|
IP69K
|
| ||
|
HLM-SS Spring Lever QC-M23 '1NC 1NO' Snap
Art:
175162
Copied
|
Spring Lever
|
No
|
N/A
|
QC M23
|
M23 contact
|
1NC 1NO
|
IP69K
|
| ||
|
HLM-SS Spring Lever QC-M23 '2NC 2NO'
Art:
175153
Copied
|
Spring Lever
|
No
|
N/A
|
QC M23
|
M23 contact
|
2NC 2NO
|
IP69K
|
| ||
|
HLM-SS Spring Lever QC-M23 '3NC 1NO'
Art:
175156
Copied
|
Spring Lever
|
No
|
N/A
|
QC M23
|
M23 contact
|
3NC 1NO
|
IP69K
|
| ||
|
HLM-SS Spring Lever QC-M23 '4NC'
Art:
175159
Copied
|
Spring Lever
|
No
|
N/A
|
QC M23
|
M23 contact
|
4NC
|
IP69K
|
| ||
|
HLM-SS SRL ½NPT '1NC 1NO' snap
Art:
175011
Copied
|
Short Roller Lever
|
No
|
1x1/2"NPT
|
1/2"NPT
|
Screw terminal
|
1NC 1NO
|
IP69K
|
| ||
|
HLM-SS SRL ½NPT '2NC 2NO'
Art:
175002
Copied
|
Short Roller Lever
|
No
|
1x1/2"NPT
|
1/2"NPT
|
Screw terminal
|
2NC 2NO
|
IP69K
|
| ||
|
HLM-SS SRL ½NPT '2NC 2NO' (gold contacts)
Art:
175002-GC
Copied
|
Short Roller Lever
|
No
|
1x1/2"NPT
|
1/2"NPT
|
Screw terminal
|
2NC 2NO
|
IP69K
|
| ||
|
HLM-SS SRL ½NPT '3NC 1NO'
Art:
175005
Copied
|
Short Roller Lever
|
No
|
1x1/2"NPT
|
1/2"NPT
|
Screw terminal
|
3NC 1NO
|
IP69K
|
| ||
|
HLM-SS SRL ½NPT '4NC'
Art:
175008
Copied
|
Short Roller Lever
|
No
|
1x1/2"NPT
|
1/2"NPT
|
Screw terminal
|
4NC
|
IP69K
|
| ||
|
HLM-SS SRL EX '1NC 1NO' - 3m cable pre-wired
Art:
175013
Copied
|
Short Roller Lever
|
Yes
|
N/A
|
3M 4 CORE EX
|
Cable
|
1NC 1NO
|
IP69K
|
| ||
|
HLM-SS SRL EX '2NC'
Art:
175014
Copied
|
Short Roller Lever
|
Yes
|
N/A
|
3M 4 CORE EX
|
Cable
|
2NC
|
IP69K
|
| ||
|
HLM-SS SRL EX '2NC 2NO'
Art:
175015
Copied
|
Short Roller Lever
|
Yes
|
N/A
|
3M 8 CORE EX
|
Cable
|
2NC 2NO
|
IP69K
|
| ||
|
HLM-SS SRL M20 '1NC 1NO' snap
Art:
175010
Copied
|
Short Roller Lever
|
No
|
1 x M20 x1,5
|
M20
|
Screw terminal
|
1NC 1NO
|
IP69K
|
| ||
|
HLM-SS SRL M20 '2NC 2NO'
Art:
175001
Copied
|
Short Roller Lever
|
No
|
1 x M20 x1,5
|
M20
|
Screw terminal
|
2NC 2NO
|
IP69K
|
| ||
|
HLM-SS SRL M20 '3NC 1NO'
Art:
175004
Copied
|
Short Roller Lever
|
No
|
1 x M20 x1,5
|
M20
|
Screw terminal
|
3NC 1NO
|
IP69K
|
| ||
|
HLM-SS SRL M20 '4NC'
Art:
175007
Copied
|
Short Roller Lever
|
No
|
1 x M20 x1,5
|
M20
|
Screw terminal
|
4NC
|
IP69K
|
| ||
|
HLM-SS SRL QC-M23 '1NC 1NO' snap
Art:
175012
Copied
|
Short Roller Lever
|
No
|
N/A
|
QC M23
|
M23 contact
|
1NC 1NO
|
IP69K
|
| ||
|
HLM-SS SRL QC-M23 '2NC 2NO'
Art:
175003
Copied
|
Short Roller Lever
|
No
|
N/A
|
QC M23
|
M23 contact
|
2NC 2NO
|
IP69K
|
| ||
|
HLM-SS SRL QC-M23 '3NC 1NO'
Art:
175006
Copied
|
Short Roller Lever
|
No
|
N/A
|
QC M23
|
M23 contact
|
3NC 1NO
|
IP69K
|
| ||
|
HLM-SS SRL QC-M23 '4NC'
Art:
175009
Copied
|
Short Roller Lever
|
No
|
N/A
|
QC M23
|
M23 contact
|
4NC
|
IP69K
|
| ||
|
HLM-SS Telescopic(Plated) Spring Lever ½NPT '1NC 1NO' Snap
Art:
175211-PL
Copied
|
Telescopic Spring Lever
|
No
|
|
1/2"NPT
|
Screw terminal
|
1NC 1NO
|
IP69K
|
| ||
|
HLM-SS Telescopic(Plated) Spring Lever ½NPT '2NC 2NO'
Art:
175202-PL
Copied
|
Telescopic Spring Lever
|
No
|
|
1/2"NPT
|
Screw terminal
|
2NC 2NO
|
IP69K
|
| ||
|
HLM-SS Telescopic(Plated) Spring Lever ½NPT '3NC 1NO'
Art:
175205-PL
Copied
|
Telescopic Spring Lever
|
No
|
|
1/2"NPT
|
Screw terminal
|
3NC 1NO
|
IP69K
|
| ||
|
HLM-SS Telescopic(Plated) Spring Lever ½NPT '4NC'
Art:
175208-PL
Copied
|
Telescopic Spring Lever
|
No
|
|
1/2"NPT
|
Screw terminal
|
4NC
|
IP69K
|
| ||
|
HLM-SS Telescopic(Plated) Spring Lever EX '1NC 1NO'
Art:
175213-PL
Copied
|
Telescopic Spring Lever
|
Yes
|
N/A
|
3M 4 CORE EX
|
Cable
|
1NC 1NO
|
IP69K
|
| ||
|
HLM-SS Telescopic(Plated) Spring Lever EX '2NC'
Art:
175214-PL
Copied
|
Telescopic Spring Lever
|
Yes
|
N/A
|
3M 4 CORE EX
|
Cable
|
2NC
|
IP69K
|
| ||
|
HLM-SS Telescopic(Plated) Spring Lever EX '2NC 2NO'
Art:
175215-PL
Copied
|
Telescopic Spring Lever
|
Yes
|
N/A
|
3M 8 CORE EX
|
Cable
|
2NC 2NO
|
IP69K
|
| ||
|
HLM-SS Telescopic(Plated) Spring Lever M20 '1NC 1NO' Snap
Art:
175210-PL
Copied
|
Telescopic Spring Lever
|
No
|
1 x M20 x1,5
|
M20
|
Screw terminal
|
1NC 1NO
|
IP69K
|
| ||
|
HLM-SS Telescopic(Plated) Spring Lever M20 '2NC 2NO'
Art:
175201-PL
Copied
|
Telescopic Spring Lever
|
No
|
1 x M20 x1,5
|
M20
|
Screw terminal
|
2NC 2NO
|
IP69K
|
| ||
|
HLM-SS Telescopic(Plated) Spring Lever M20 '3NC 1NO'
Art:
175204-PL
Copied
|
Telescopic Spring Lever
|
No
|
1 x M20 x1,5
|
M20
|
Screw terminal
|
3NC 1NO
|
IP69K
|
| ||
|
HLM-SS Telescopic(Plated) Spring Lever M20 '4NC'
Art:
175207-PL
Copied
|
Telescopic Spring Lever
|
No
|
1 x M20 x1,5
|
M20
|
Screw terminal
|
4NC
|
IP69K
|
| ||
|
HLM-SS Telescopic(Plated) Spring Lever QC-M23 '1NC 1NO' Snap
Art:
175212-PL
Copied
|
Telescopic Spring Lever
|
No
|
N/A
|
QC M23
|
M23 contact
|
1NC 1NO
|
IP69K
|
| ||
|
HLM-SS Telescopic(Plated) Spring Lever QC-M23 '2NC 2NO'
Art:
175203-PL
Copied
|
Telescopic Spring Lever
|
No
|
N/A
|
QC M23
|
M23 contact
|
2NC 2NO
|
IP69K
|
| ||
|
HLM-SS Telescopic(Plated) Spring Lever QC-M23 '3NC 1NO'
Art:
175206-PL
Copied
|
Telescopic Spring Lever
|
No
|
N/A
|
QC M23
|
M23 contact
|
3NC 1NO
|
IP69K
|
| ||
|
HLM-SS Telescopic(Plated) Spring Lever QC-M23 '4NC'
Art:
175209-PL
Copied
|
Telescopic Spring Lever
|
No
|
N/A
|
QC M23
|
M23 contact
|
4NC
|
IP69K
|
|
Select a variant in the list