CONTA-CLIP
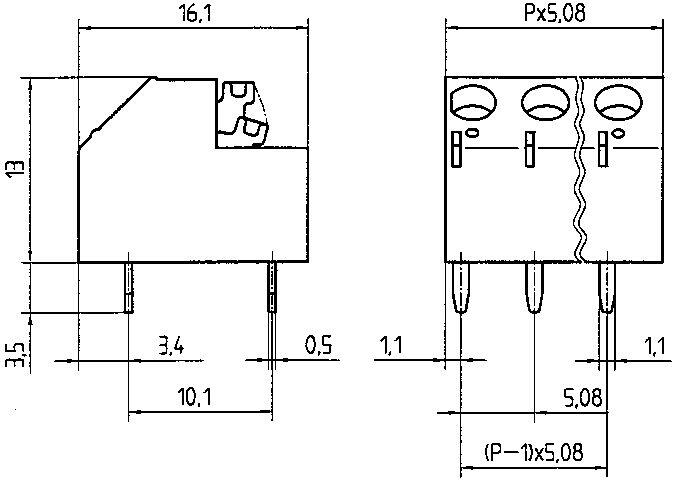
The PBKZ 4301 series from Conta-Clip is a range of push-in female socket terminal blocks designed for efficient and secure wire-to-board connections. These terminals feature a 5.08 mm pitch and are available in configurations ranging from 2 to 4 poles, with widths of 10.16 mm, 15.24 mm, and 20.32 mm, respectively. They support conductor cross-sections from 0.08 mm² to 1.5 mm² for rigid wires, and up to 1.0 mm² for wires with ferrules. The terminals are rated for a maximum current of 16 A and a voltage of 250 V, with an impulse voltage resistance of 2 kV. They are constructed from flame-retardant polyamide 6.6 (UL 94 V-0) and feature brass soldering lugs and stainless-steel terminal springs, ensuring durability and reliability in various applications. The recommended wave soldering parameters are 265°C for 3–4 seconds, and the terminals operate within a temperature range of –40°C to +105°C.
The PBKZ 4301 series is ideal for use in industrial control systems, automation equipment, and power distribution modules, where space-saving and reliable connections are essential. The push-in connection system allows for quick and tool-free wiring, enhancing assembly efficiency and reducing labour costs. The angled design of the terminals, with a 45° PCB-to-wire connection angle, facilitates easy integration into compact PCBs and enclosures. With certifications including UL 1059, CSA 22.2 No.158, and VDE, the PBKZ 4301 series meets international safety standards, making it suitable for global applications in demanding environments.
General Data |
|
|---|---|
| Type | Plug-in connector |
| Pitch | 5.08 mm |
| Colour | Green |
| Number of poles | 2 |
| Approvals | UL, cUL, VDE |
Ratings |
|
| Rated current | 16 A |
| Rated voltage | 250 V |
| Rated cross section | 1.5 mm² |
| Rated impulse voltage | 2 kV |
| Overvoltage category | III |
| Contamination degree | 3 |
Dimensions |
|
| Length | 16.1 mm |
| Width | 10.16 mm |
| Height | 13 mm |
| Width left | 1.1 mm |
| Width right | 3.98 mm |
| Drillhole diameter | 1.4 mm |
| Diameter of the connection pin | 1.1 mm |
| Length of pin | 3.5 mm |
Connection Data |
|
| Connector type/principle | Push-in |
| Number of levels | 1 Â |
| Angle of PCB/wire connection | 45°/135° (diagonally upwards) |
| Type of attachment to PCB | Solder |
| Electrical connection type to PCB | Connecting contact |
| Cross section single wire from | 0.08 mm² |
| Cross section single wire to | 1.5 mm² |
| Cross section stranded wire from | 0.2 mm² |
| Cross section stranded with ferrule to | 1 mm² |
| Cross section stranded wire to | 1.5 mm² |
| Cross section stranded with ferrule from | 0.14 mm² |
| Rated wire cross section to (AWG) | 16 |
| Rated wire cross section from (AWG) | 22 |
*Invisible Heading* |
|
|---|---|
| Stripping length | 10 mm |
Materials |
|
| Housing material | Polyamide 6.6 |
| Flammability class | UL94-V0 |
| Operating temperature from | -30 °C |
| Operating temperature to | 105 °C |
| Terminal spring | Stainless steel |
| Solder lug | Brass |
Approvals |
|
| UL test standard | UL 1059 |
| Rated voltage UL | 300 V |
| Rated current UL | 10 A |
| cUL test standard | CSA 22.2 No.158 |
| Rated voltage cUL | 300 V |
| Rated current cUL | 10 A |
| VDE test standard | DIN EN 60998 |
| Rated voltage VDE | 250 V |
| Rated current VDE | 16 A |
| Recommended wave solder duration max | 4 s |
| Recommended wave solder duration min | 3 s |
| Recommended wave soldering temperature | 265 °C |
| Tariff code | 85366990 |
| Pack size | 50 Â |
| Weight | 1 g |
| Connection cycles acc. to standard | 10 |
| Country of origin | QU |
| Current creepage resistance | CTI 600 |
| Glow wire flammability index (GWFI) | GWFI 850 |
| Glow wire ignition temperature (GWIT) | GWIT 775 |
| GWFI after-glow time | 30 s |
| GWIT exposure time | 5 s |
| Insulation resistance | 1*10^13 Ω x cm |
The PBKZ 4301 series from Conta-Clip is a range of push-in female socket terminal blocks designed for efficient and secure wire-to-board connections. These terminals feature a 5.08 mm pitch and are available in configurations ranging from 2 to 4 poles, with widths of 10.16 mm, 15.24 mm, and 20.32 mm, respectively. They support conductor cross-sections from 0.08 mm² to 1.5 mm² for rigid wires, and up to 1.0 mm² for wires with ferrules. The terminals are rated for a maximum current of 16 A and a voltage of 250 V, with an impulse voltage resistance of 2 kV. They are constructed from flame-retardant polyamide 6.6 (UL 94 V-0) and feature brass soldering lugs and stainless-steel terminal springs, ensuring durability and reliability in various applications. The recommended wave soldering parameters are 265°C for 3–4 seconds, and the terminals operate within a temperature range of –40°C to +105°C.
The PBKZ 4301 series is ideal for use in industrial control systems, automation equipment, and power distribution modules, where space-saving and reliable connections are essential. The push-in connection system allows for quick and tool-free wiring, enhancing assembly efficiency and reducing labour costs. The angled design of the terminals, with a 45° PCB-to-wire connection angle, facilitates easy integration into compact PCBs and enclosures. With certifications including UL 1059, CSA 22.2 No.158, and VDE, the PBKZ 4301 series meets international safety standards, making it suitable for global applications in demanding environments.
Have you ever wondered if there's any difference between cable coils and cable reels?
Our cable experts take you through the advantages of using cable coils.
What tri-rated cable are you currently using? Does the product or service you receive leave you wanting more? It’s time to ask the question. Because now, you’ve got options.
This innovative push-in connection system enables time savings of up to 50%, whether you're wiring control panels or managing complex installations
Solar energy has become a pillar of the global energy transition. The experts at OEM Automatic have broken down the role of photovoltaic fuses and their contribution to solar systems, as well as, how to choose the right solution for you.
Ultra fast-acting fuse links engineered specifically to shield delicate semiconductor devices.
Do you need reliable protection for measuring and control equipment? DEHN YellowLine delivers voltage surge protection tailored for building, measuring, and control systems
|
|
|
|
|
|
||
|---|---|---|---|---|---|---|
|
|
|
|
|
|
||
|
|
|
|
|
|
||
|
|
|
|
|
|
||
|
|
|
|
|
|
||
|
|
|
|
|
|
||
|
|
|
|
|
|
| Parts | Colour | Number of poles | Width | Weight | Price | ||
|---|---|---|---|---|---|---|---|
|
PBKZ 4301/2/5,08-KD GN
Art:
13131.1
Copied
|
Green
|
2
|
10.16 mm
|
1 g
|
|
||
|
PBKZ 4301/3/5,08-KD GN
Art:
13132.1
Copied
|
Green
|
3
|
15.24 mm
|
2.8 g
|
|
||
|
PBKZ 4301/4/5,08-KD GN
Art:
13133.1
Copied
|
Green
|
4
|
20.32 mm
|
3 g
|
|
||
|
PBKZ 4301/5/5,08-KD GN
Art:
13134.1
Copied
|
Green
|
5
|
25.4 mm
|
4 g
|
|
||
|
PBKZ 4301/6/5,08-KD GN
Art:
13135.1
Copied
|
Green
|
6
|
30.48 mm
|
5 g
|
|
||
|
PBKZ 4301/6/5,08-KD GR
Art:
13135.6
Copied
|
Grey
|
6
|
30.48 mm
|
5 g
|
|
||
|
PBKZ 4301/7/5,08-KD GN
Art:
13136.1
Copied
|
Green
|
7
|
35.56 mm
|
6 g
|
|
||
|
PBKZ 4301/7/5,08-KD GR
Art:
13136.6
Copied
|
Grey
|
7
|
35.56 mm
|
6 g
|
|
Select a variant in the list