CROUZET MOTORS

Crouzet - 82862xxx DC motor with spur gearbox - Industrial DC Series


Crouzet standard industrial DC motor with inline gearbox for low speed, high torque applications.

 

DC motors by nature offer a very high starting torque and a suited to a very wide range of applications, the gearbox is 'lubricated for life' to ensure consistent performance.

 

Options for a bespoke solutions include, different power connections, EMC filter, encoder options & mechanical/electrical adaptations.


 

Read more
  • 12 - 24 V dc, 0.5 Nm max, 3 W
  • Speed range: 1 to 895 rpm
  • High starting torque
  • Compact, inline gear motor

Selected variant

PH_82862004.jpg

Spur RPT5 gearmotor, 3W, 12/24Vdc, 1rpm?895rpm, 0.5Nm max

Art:

Selected variant

Technical data

IP class IP40
Max. torque 0.5
Power 3 W
Ratio i=4,8→2910:1
Shaft diameter 5 mm
Speed options 1rpm→895rpm
Supply voltage 12 V DC, 24 V DC
Type of gearbox Spur
Weight 0.17 kg

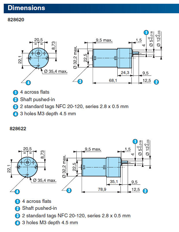
Measurements and connections

Product description


Crouzet standard industrial DC motor with inline gearbox for low speed, high torque applications.

 

DC motors by nature offer a very high starting torque and a suited to a very wide range of applications, the gearbox is 'lubricated for life' to ensure consistent performance.

 

Options for a bespoke solutions include, different power connections, EMC filter, encoder options & mechanical/electrical adaptations.


 

Accessories

Related

Various motor types from Oriental Motor, Minimotor and Doga - How to select the right motor
Learning hub

How to select the right motor

Determining what motor to use is quite a daunting task. Our Motors experts have developed a guide to show the steps to determine a suitable motor.

synchronous motors
Product news Blog

Synchronous Motors

Do you have a light duty motor requirement requiring a very stable output rpm ? If so, Crouzet synchronous motors are could well provide you ideal solution…

IATECH, the industrial automation technology exhibition OEM automatic
Company news

Recap of IATECH

Did you get a chance to visit IATECH at The Leicester Marriott Hotel? We had over 33 exhibitors and 8 fantastic Tech Talks throughout the day, Read all about the day, here.

IATECH industrial automation components exhibition in at leicester marriott hotel by OEM Automatic
Company news

OEM introduces IATECH - The Industrial Automation Technology Expo

We are thrilled to announce the launch of IATECH, THe Industrial Automation Technology expo at Leicester Marriott Hotel on 23rd October. The ultimate platform for showcasing our extensive product range and broad business areas, featuring over 50 leading suppliers under one roof!

automation components for specialist vehicles
Blog

Automation Components for Specialist Vehicles

The specialist vehicle industry can include automotive and EV, heavy vehicles such as agriculture and rail, and marine.  This email takes you through some of the various products we offer for specialist vehicle applications.

Drive wheels AGV's AMR'S
Product news Blog

Wheel motor drives for AGVs

AGV drive wheel motors cover a wide range of options – from a miniature unit on a small 20kg robot, tasked to move on a perfectly level and smooth indoor surface, up to passenger vehicle-sized robots working outside over fields and varying terrain.

Contact us
If you need any help, you can contact us in one of the following ways:
0116 284 9900
Send e-mail
Use live chat
Do you need help?
Logo

Cookie settings for OEM.CO.UK

Cookies help us improve your experience with us, so in order to be able to handle login information, offer you personalised content and for basic functionality of this website, we use some cookies.

We will never sell on any information about you. 

You can accept all cookies or personalise your cookies preferences, you can also change your cookie preferences at any time by visiting our contact page.

Necessary Cookies

These cookies are necessary for the website to work and can not be turned off in our systems. They are usually used only in response to actions you have taken in connection with a service request, for example when setting personal preferences, logging in or filling out a form.

Analysis and measurement cookies

These cookies allow us to count the number of visits and traffic sources so that we can measure and improve our website performance. They help us know which pages are more or less popular and how visitors navigate around the site. The information that these cookies collect is aggregated and therefore completely anonymous. If you do not allow these cookies, we do not know when you have visited our website.

Marketing cookies

These cookies can be added by our partners. They can use them to create a profile of you, based on your interests, to show you more relevant information. They do not store any personal information - only information about your browser and device. If you do not accept these cookies, you will have a more general and less customized user experience.